【导读】电源想要更好的工作就必须添加必要的外围电路,这些外围电路都是为了实现不同的功能,例如输出特殊的电压、实现额外的?;ぬ匦?、获得更大的输出功率,本文就详细讲述了各种电源外围单路,希望初学者能够学以致用。
1.1一、正负输出接成单路输出

1.2二、两个电源的输出串联增大输出电压

输出串联在要求输出不常用的电压时比较方便。如:需要输出一个17V的电源,找一个5V和一个12V输出的串联即可。
1.3三、输出并联,增大输出电流或冗余应用
注意:电源的并联有专门的技术解决方案,除非有特别的说明支持输出并联,一般而言,电源的输出不能直接并联。

[page]
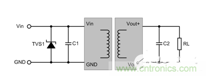
1.4四、防输入反接

还有一种常见的防反接方案是用TVS,输入反接时,输入的电源通过TVS短路,能量不输入到后级电源里。

1.5五、防输出短路或过流
最简单的做法是在输入端或输出端串联一个自恢复保险丝,但自恢复保险丝的精度不高,过流保护的效果可能不如意。


1.6五、输入过压/欠压?;?br />
对于输入端带开关机控制的电源来说,关掉电源可以承受更高的输入过电压,输入欠压时,也能?;げ换嵋蚬魉鸹?。如下图,通过简单的431基准检测电路,可精确设置过压或欠压?;ぶ?,?;さ缭丛谑淙氲缪挂斐G榭鱿虏凰鸹?。

技术详解:三种实用的UC3842/3的外围电路
电路攻略:机械手视觉系统外围电路设计
高能效,简洁外围电路的LED驱动电源方案




