【导读】随着高性能处理器与FPGA的功率需求持续攀升,传统单通道电源方案已难以满足严苛的电流供给要求。本文将深入探讨多通道PMIC的创新应用方案——通过并联多个稳压输出通道,实现单路大电流输出的技术路径。该方案不仅显著提升了系统的电流供给能力,更通过精密的均流控制确保了优异的电压调节精度与热平衡性能。这种创新的电源架构在简化设计复杂度的同时,有效优化了电路板空间利用率,为数字信号处理器、高端处理器及复杂可编程逻辑器件提供了更为高效可靠的热管理与电源分配解决方案。
摘要
随着高性能处理器与FPGA的功率需求持续攀升,传统单通道电源方案已难以满足严苛的电流供给要求。本文将深入探讨多通道PMIC的创新应用方案——通过并联多个稳压输出通道,实现单路大电流输出的技术路径。该方案不仅显著提升了系统的电流供给能力,更通过精密的均流控制确保了优异的电压调节精度与热平衡性能。这种创新的电源架构在简化设计复杂度的同时,有效优化了电路板空间利用率,为数字信号处理器、高端处理器及复杂可编程逻辑器件提供了更为高效可靠的热管理与电源分配解决方案。
引言
在现代电子系统设计中,电源管理集成电路(PMIC)因其能为复杂电源架构带来设计灵活性而越来越受到重视。传统电源解决方案主要关注效率和电压调节,而PMIC则更进一步,将多个电源轨、时序控制逻辑、故障保护和遥测功能集成于一个紧凑的器件中。多通道PMIC通常用于管理多个电源输出,每个通道为系统的特定部分提供稳定的电压。这些器件还可以配置为多相模式,方法是组合多个通道来供应单个大电流轨,从而有效取代单通道大电流调节器。此方法涉及并联多个通道,以确保各个通道均等分担负载,防止任何单一通道过载。这种灵活性在需要大电流传输,同时保持效率和可靠性的应用中特别有用。此类PMIC通常用于数字信号处理器、处理器、FPGA和微控制器等复杂器件中,其中多个子系统需要不同的功率水平。
为了满足不同应用的大电流需求,LT7200S采用薄型5 mm × 6 mm、48引脚LQFN封装,ADP5055和ADP5056采用5.00 mm × 5.50 mm LGA封装,而且全都具有并联能力以实现大电流供电。
典型应用
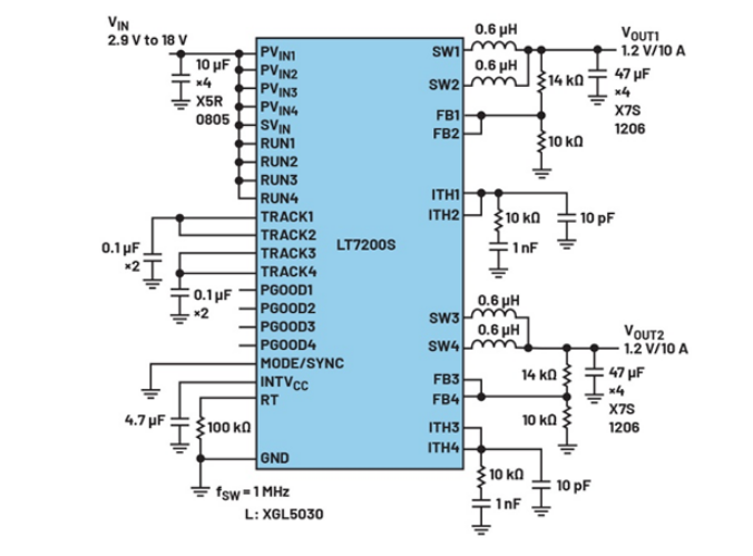
随着数据速度的提升和工作负载的增长,FPGA和SoC不断演进,以满足不断上升的速度和容量需求。电源也必须随之发展,在提供更大电流的同时,实现更高的功率密度。此外,简便性和可靠性同样重要。对于需要15 A以上电流的系统,可以并联多个LT7200S稳压器并错相运行,确保功率输送高效稳定。图1和图2展示了LT7200S的典型应用原理图,它支持双相和四相操作,通过并联为负载提供更高的输出电流。这款器件采用四相架构,四个内部同步降压型稳压器通道能够高效并联。每个通道能够输出或吸收±5 A的电流。当四相并联时,合计可向公共输出端提供高达±20 A的电流。而这是通过精密电流模式控制实现的,它能确保所有通道间精确均流,从而提升热平衡和系统可靠性。

图1.四相并联,用作20 A单输出PMIC

图2.双相并联,用作10 A/10 A双输出PMIC
这款器件通过PHMODE引脚支持相位交错,允许每个通道与其他通道错相运行,从而显著减少输入和输出纹波。此外,MODE/SYNC引脚支持与外部时钟同步,从而实现协调切换,并尽可能减少敏感应用中的噪声。
工作频率可通过外部电阻设置在400 kHz至3 MHz范围内。用于对开关噪声敏感的应用时,工作频率支持外部同步。独特的“可锁相、受控导通时间、恒定频率、电流模式”架构非常适合要求快速瞬态响应的高频、高降压应用。
LT7200S采用Silent Switcher? 2技术,凭借创新的设计和封装工艺,能够在实现高效率的同时降低电磁干扰(EMI)。得益于这项独特技术,这些稳压器对PCB布局变化的敏感度大幅降低,不仅简化了设计流程,还显著提升了整体性能表现。
LT7200S性能图
图3显示了四相LT7200S解决方案的效率。四相配置与图1所示配置类似,开关频率为1 MHz,电压从12 V降至1.2 V。它可提供高达20 A的连续负载电流。PHMODE引脚接GND,导致每个通道发生90°相移。这种交错操作能够减少输入电流纹波,使热负荷在整个电路板上均匀分布,降低对输入和输出电容的要求,尽可能减少EMI,并提高系统整体稳定性。为确保在稳态和启动期间更好地均流,应将ITH、FB和TRACK/SS连接在一起。
这款器件在12 V输入下实现了88%的峰值效率,并在20 A满负载电流下保持86%的效率。图4显示了LT7200S在12 V降至1.2 V/20 A条件下工作的热图像,表明它在四相操作期间实现了良好的均流。

图3.LT7200S四相效率,12 V降至1.2 V,1 MHz

图4.LT7200S热图像:12 V降至1.2 V,20 A,1 MHz,无气流,TA = 25°C
类似地,ADP5055和ADP5056在一个43引脚LGA封装中集成了三个高性能降压型稳压器,可满足严苛的性能和电路板空间要求。
这些器件可直接连接高达18 V的输入电压,无需使用前置调节器。所有通道均同时集成高边和低边功率MOSFET,以优化解决方案的效率。通道1和2提供3.5 A或7 A的可编程输出电流,或在并联工作模式下提供高达14 A的单路输出电流。通道3提供1.5 A或3 A的可编程输出电流。
ADP5055集成了高精度8位数模转换器(DAC),可通过兼容PMBus?的双线接口,实现输出电压动态调节(DVS)。PMBus接口提供了其他灵活配置,例如启动和关断时序控制、单独的强制脉宽调制(FPWM)或省电模式(PSM)选择、输出放电开关和电源良好信号。这些器件的额定结温范围是-40°C至+150°C。
结语
ADP5056、ADP5055和LT7200S等大电流PMIC更适合需要高效、灵活、可靠电源管理的应用,具备高性能、灵活性和高集成度,是电信、数据中心和工业自动化等复杂系统的理想选择。并联特性支持多个器件协同工作,从而提升电流能力和可靠性,对于需要可扩展且稳健电源解决方案的客户至关重要。
推荐阅读:




