【导读】UC3842/3的电路设计构造简单、性能极佳,但是仍在UC3842/3的电路设计中需要外围电路实现。这些小功能不难实现,种类繁多,本文对常见的三种UC3842/3外围电路设计进行了详细的分析和讲解。
软起电路

图1 软起电路
这个电路很简单。如图1所示,上电UC3843的8脚有5V电压,通过R22给C11充电,起到软起作用。断电时通过Q4给C11放电。
短路?;さ缏?/strong>
在用384X做电源时,输出短路后前级的电流比较大,时间一长会损坏MOS,甚至突然短路导致MOS直接损坏,想要避免这种情况就需要用到利用运放来做的短路保护电路。

图2 短路?;さ缏?/div>
[page]
如图2所示,当输出短路后,电压降低,反馈到前级,前级384X会增大占空比来实现输出的稳定,这时1脚COMP的电压会升高,基本能达到5V左右。
384X的8脚为5V,用电阻分压后用运放的同相输入端做基准,当短路后运放的反向输入端比同相输入端高,然后拉低384X的1脚COMP,关断PWM。C10是个延时电容,R31给C10放电,通过调整C10来改变自启时间。
过流与过压?;?
如图2所示,当输出短路后,电压降低,反馈到前级,前级384X会增大占空比来实现输出的稳定,这时1脚COMP的电压会升高,基本能达到5V左右。
384X的8脚为5V,用电阻分压后用运放的同相输入端做基准,当短路后运放的反向输入端比同相输入端高,然后拉低384X的1脚COMP,关断PWM。C10是个延时电容,R31给C10放电,通过调整C10来改变自启时间。
过流与过压?;?

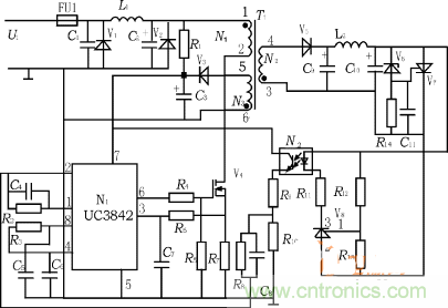
图3 UC3842组成的过流与过压?;ぴ硗?/div>
如图3所示,这个电路主要李使宽度变窄,从而达到稳压目的。
过流?;ぴ?/strong>
当负载电流超过额定值或输出短路,引起开关管V4电流增加,R7上的电压反馈至3脚,当R7上的电压大于1V时,通过内部电流放大器使导通宽度变窄,输出电压下降,同时也使UC3842工作电压下降。当下降至整定电压以下时,过流?;さ缏饭ぷ?,达到?;すβ使艿哪康摹6搪废窒笙Ш?,电源自动恢复正常工作。
过压?;?/strong>
当因某种原因使输出电压过高时,稳压管V6导通,从而触发晶闸管V7导通,使输出端短路,可见过压保护是以过流?;さ男问匠鱿值?。
本篇文章从实用的角度给出了三种UC3842/3常用的外围电路,在给出这三种电路的原理图的同时还进行了较为详细的讲解,希望大家在阅读过本篇文章之后,能对UC3842/3外围电路的运用有进一步的了解。
相关阅读:
掌握五大要点,轻松解决UC3842不工作问题
纯干货分享:UC3842的过载保护及设计技巧
实例解析:反激电源中诸多UC3842的错误应用
如图3所示,这个电路主要李使宽度变窄,从而达到稳压目的。
过流?;ぴ?/strong>
当负载电流超过额定值或输出短路,引起开关管V4电流增加,R7上的电压反馈至3脚,当R7上的电压大于1V时,通过内部电流放大器使导通宽度变窄,输出电压下降,同时也使UC3842工作电压下降。当下降至整定电压以下时,过流?;さ缏饭ぷ?,达到?;すβ使艿哪康摹6搪废窒笙Ш?,电源自动恢复正常工作。
过压?;?/strong>
当因某种原因使输出电压过高时,稳压管V6导通,从而触发晶闸管V7导通,使输出端短路,可见过压保护是以过流?;さ男问匠鱿值?。
本篇文章从实用的角度给出了三种UC3842/3常用的外围电路,在给出这三种电路的原理图的同时还进行了较为详细的讲解,希望大家在阅读过本篇文章之后,能对UC3842/3外围电路的运用有进一步的了解。
相关阅读:
掌握五大要点,轻松解决UC3842不工作问题
纯干货分享:UC3842的过载保护及设计技巧
实例解析:反激电源中诸多UC3842的错误应用
特别推荐
- 强强联手!贸泽电子携手ATI,为自动化产线注入核心部件
- 瞄准精准医疗,Nordic新型芯片让可穿戴医疗设备设计更自由
- 信号切换全能手:Pickering 125系列提供了从直流到射频的完整舌簧继电器解决方案
- 射频供电新突破:Flex发布两款高效DC/DC转换器,专攻微波与通信应用
- 电源架构革新:多通道PMIC并联实现大电流输出的设计秘籍
技术文章更多>>
- 2025智能戒指排名前十选购指南:从健康监测到穿戴的全面解析
- CC-Link IE TSN 认证落地,ADI 两款芯片引领工业网络融合
- 英飞凌 HYPERRAM?存储芯片通过 AMD 验证
- GHz 频段的射频功率测量方案:BAT62-02W 二极管传感器制作
- 10nm以下DRAM,三星DRAM技术突破存储行业版图
技术白皮书下载更多>>
- 车规与基于V2X的车辆协同主动避撞技术展望
- 数字隔离助力新能源汽车安全隔离的新挑战
- 车用连接器的安全创新应用
- Melexis Actuators Business Unit
- Position / Current Sensors - Triaxis Hall
热门搜索
TD-SCDMA功放
TD-SCDMA基带
TE
Tektronix
Thunderbolt
TI
TOREX
TTI
TVS
UPS电源
USB3.0
USB 3.0主控芯片
USB传输速度
usb存储器
USB连接器
VGA连接器
Vishay
WCDMA功放
WCDMA基带
Wi-Fi
Wi-Fi芯片
window8
WPG
XILINX
Zigbee
ZigBee Pro
安规电容
按钮开关
白色家电
保护器件




