桃花源qm花论坛(品茶),凤楼阁论坛官网入口网址,一品楼品凤楼论坛最新动态,风楼阁全国信息2024登录入口

三种HDMI端口ESD保护方案对比

发布时间:2012-05-22

中心议题:

  • 三种HDMI端口ESD?;し桨付员?/strong>


HDMI在单条线缆上结合音频与视频协定的高速数字数据接口,在手机、计算机等众多设备之间互连广泛,有哪些方案可以保证HDMI端口ESD?;さ挠行?,同时又不影响信号的完整性呢?本文集合了三种安森美最新的HDMI端口ESD防护方案。

高清多媒体接口 (HDMI)是一种在单条线缆上结合音频与视频协定的高速数字数据接口,能在手机、计算机、蓝光播放机、机顶盒(STB)、汽车、液晶电视等众多设备之间互连。
       三种HDMI端口ESD保护方案对比
下图为三种HDMI端口ESD?;し桨福?br /> 低电容ESD?;?、低电容ESD + 共模
滤波器、匹配内部阻抗ESD?;icoGuard XS®
  方案类型

低电容ESD?;?/strong>
                              低电容ESD?;? /><br />
<strong>特性/优势<br />
</strong>0.4 pF ESD保护<br />
流经高速线路上的布线<br />
业界领先的低钳位电压<br />
<br />
          <img width=
               ESD7004: 低电容ESD?;ざ?nbsp;               MG2040

MG2040:MediaGuard全集成方案、含以太网保护(HDMI1.4)、回驱电流?;?br />
下页内容:低电容ESD + 共模滤波器

[page]

     HDMI 1.3 & 1.4 = 3.4 Gbps       HDMI 1.3 & 1.4 = 3.4 Gbps  带ESD
     HDMI 1.3 & 1.4 = 3.4 Gbps    不带ESD         HDMI 1.3 & 1.4 = 3.4 Gbps  带ESD

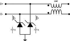
低电容ESD + 共模滤波器

                             低电容ESD + 共模滤波器

特性/优势

0.4 pF
差模(DM)插入损耗 – 1.0 dB @ 500 MHz
共模(CM)抑制 – 15 dB @ 500 MHz
流经高速线路上的布线
业界领先的低钳位电压

EMI4182: 集成ESD?;さ墓材B瞬ㄆ?br />      EMI4182: 集成ESD保护的共模滤波器 

HDMI 1.3 & 1.4 = 3.4 Gbps
        HDMI 1.3 & 1.4 = 3.4 Gbps

下页内容:匹配内部阻抗ESD?;icoGuard XS®
[page]

匹配内部阻抗ESD?;icoGuard XS®

                         匹配内部阻抗ESD保护PicoGuard XS®

特性/优势

100 Ω内部阻抗匹配
零并行电感 = 没有线缆导致的ESD电压尖峰
业界领先的低钳位电压

CM1234: PicoGuard XS® ESD 钳位阵列
          CM1234: PicoGuard XS® ESD 钳位阵列

             


          三种HDMI端口ESD?;し桨付员? />                        <img width=要采购滤波器么,点这里了解一下价格!

特别推荐
技术文章更多>>
技术白皮书下载更多>>
热门搜索

关闭

?

关闭