【导读】如今,所有的工业制造商,无论规模大小,都在升级生产设施、制造能力和工程服务,向工业4.0概念或智能工业转型。
目前有许多技术可以促进这种转型,使工作环境变得更安全,网络安全性和覆盖率更高,提高能源利用率,这些是新工厂概念的热点趋势,将其变为现实需要巨大的投入,其中包括旧设备智能升级改造工程(例如,使用新的变频解决方案改造旧电机,最大限度地提高能效)。
在工业现代化改造方面,IO-Link技术在所有的基于传感器的工厂级应用中占有显著的地位,该技术的优势是能够让普通工业传感器(即生产线中的接近传感器或压力传感器)实现智能化,热插拔连接,更换简便,支持多跳网络和预测性维护系统。
IO-Link联盟的成员包括欧洲最大的传感器和执行器制造商以及可编程逻辑控制器(PLC)厂商,随着来自世界各地的新公司加盟,联盟的排名每月都在上升,并且该组织的所有新成员都看到了加盟这项计划的好处。
作为联盟的创办者??之一,意法半导体提供IO-Link主站收发器L6360和设备收发器L6362A(在IO-Link术语中称为IO设备)。

图1 –典型的工业网络
IO-Link是什么?
IO-Link是首个连接工业网络底层传感器及执行器的标准化通信协议,遵从IEC 61131-9国际标准,可编程控制器和相关外围设备是该标准的基本内容。该技术本身的概念是,传感器或执行器与主控制器(即PLC)交换通信数据(诊断和配置信息),同时确保向下兼容工业IO???。
IO-Link位于工业网络体系架构的底层:PLC控制器(或工业网关)与位于网络架构高层的工业现场总线相连,可以远程传输工业网络高层的数据信息。
IO-Link通信协议是什么?
IO-Link是能够驱动工厂自动化环境中的数字传感器及执行器(标准IO设备)的点对点(半双工)数字通信协议。协议具有简单易用和即插即用的特点,以防故障传感器更换或向下兼容问题。因此,这是一个简单的串行通信协议,只需3根线,无需专用连接器及电缆:IO-Link使用传统的M5、M8或M12规格的标准工业连接器,可以连接最常见的任何工业传感器。从安装工作量和成本角度看,IO-Link技术对工业网络升级的影响很小。实际上,甚至可以继续使用以前的布线基础设施安装IO-Link设备。
关于协议栈:按照最新的标准定义,IO-Link主站和设备收发器必须支持三种通信速度(COM1: 4.8 kbit/s、COM2: 38.4 kbit/s、COM3: 230.4 kbit/s),并且主站收发器具有模拟和数字(8位、12位或16位)两种通信模式。在COM3通信模式下,主站与设备之间传送一个典型的数据帧是2个字节,周期是400μs。
为什么可以即插即用?
即插即用的实现方式是将所有参数都存储在主站,这样,在更换传感器时,即使是热插拔,传感器(在更好的情况下,是智能传感器,即设备)也会接收到设备配置所需的全部信息。主站存储的文件通常为.xml格式,包含有关传感器的所有信息(即型号、制造商、功能等),这个文件被称为IODD(IO-Link设备描述符)。一个传感器或执行器对应一个IODD。
ST的IO-Link 芯片和解决方案
意法半导体的L6360和L6362A两款芯片可实现IO-Link主站和设备解决方案,产品特性包括应用范围广,宽输入电压,高输出电流,低耗散功率,高可靠性。

图2 –主站芯片与设备芯片之间的典型连接
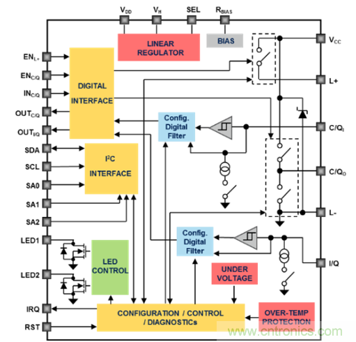
L6360是一个兼容PHY2(3线)的单片IO-Link主站端口,支持COM1、COM2和COM3三种模式,还支持标准IO(SIO)设备。L6360的灵活性极高,输出级C/Q0输出引脚可配置为(高边、低边或推挽)。L6360通过标准I2C接口与微控制器(运行协议栈的微控制器)通信,然后将通过USART(IN C/Q0引脚)接收的主微控制器数据发送到PHY2(C/Q0引脚),或者将从物理层接收到的数据发送到USART(OUT C/QI引脚)。
框图和关键功能如下图所示。

图3 – L6360主站芯片框图
L6360的主要功能特性
● 电源电压18 V-32.5 V
● 可配置输出级:高端、低端或推挽式(<2Ω)
● 高边驱动器L +引脚保护电流高达500 mA
● 支持COM1、COM2和COM3模式
● IEC61131-2 type 1附加输入
● 通过限流和设置截止电流实现短路和过流输出?;?/div>
● 3.3 V / 5 V、50 mA线性稳压器
● 5 mA IO-Link数字输入
● 通过I2C接口快速模式控制、配置和诊断芯片
● 用于诊断功能的双LED序列发生器和驱动器
● 5 V和3.3 V兼容I / O引脚
● 过压?;ぃ?gt; 36 V)
● 过热保护
● 静电防护
● 小型VFQFPN 26L(3.5 x 5 x 1 mm)封装
L6362A是符合PHY2(3线连接)标准的IO-Link设备收发器芯片,支持COM1、COM2和COM3模式。这款芯片还支持标准IO (SIO)模式。输出级提供三种可选配置(??高边、低边、推挽),能够驱动任何类型的负载(电阻、电容或电感),凡是24V工业传感器都可以连接到L6362A。
VCC, GND, OUTH, OUTL和I/Q引脚之间的反极性?;な钦饪钚酒闹匾δ?,是工业传感器管理应用的基本要求。
下面列出了其它重要功能以及设备芯片的框图。

图4 – L6362A设备芯片框图
L6362A的主要功能特性
● 功率级能效极高
(1) RDSON =0.8Ω/1Ω(低边/高边)
(2)输出电流高达300 mA
(3)模式:高边、低边、推挽
(4)驱动达500mJ /30μF的感性/容性/电阻负载
● 5 V或3.3 V可选10 mA线性稳压器
● 支持COM1、COM2和COM3模式
● 支持唤醒检测
● 全面保护,包括反极性、过压/欠压、过载、过热…
● 高EMC抗扰性(突发、浪涌,ESD等)
● -40 至 +125 °C工作温度
● 小型DFN 3 x 3 mm封装
ST为设计人员提供大量的开发工具,下面从芯片评估板开始介绍。
首先是STEVAL-IFP016V2主站芯片评估板,这块板子以 L6360主站芯片为核心,可以通过外部连接器连接主微控制器。
STEVAL-IFP016V2处理微控制器信号,提供24 V输出,能够演示L6360的所有功能。
板上的GND区域旨在最大程度地降低噪声并确保良好的热性能。

图5 –具有L6360全部特性的STEVAL-IFP016V2
第二块板子是STEVAL-IFP017V3,这是一款以L6362A设备芯片为核心的评估板,用于测试L6362A的全部功能,例如,快速退磁和反极性?;さ确岣坏牡缙9δ?。使用STEVAL-IFP017V3设计项目,无需外部组件即可满足IEC 61000-4-4(突发),IEC 61000-4-2(ESD)和EN60947-5-2 / IEC 61000-4-5(浪涌)的要求。

图6 –具有L6362A全部特性的STEVAL-IFP017V3
所有这些开发板都是为充分利用这两款芯片的功能而开发设计。设计人员通常需要开发支持,甚至在应用级也需要支持。因此,意法半导体开发了基于L6360的4端口IO-Link主站板STEVAL-IDP004V1和和基于L6362A的传感器设备评估套件STEVAL-IDP003V1。
STEVAL-IDP004V1板载四颗不同的L6360芯片,支持多种通信模式:IO-Link、SIO、RS-485、USB和CAN,中央处理器是STM32F205 Cortex M3微控制器,还配备一个普通的RS232 PC接口,用于测试板子的通信功能。

图7 –带有四个连接端口的STEVAL-IDP004V1
如图7所示,STEVAL-IDP004V1安装了四个M12连接器,可以同时连接四个不同的传感器。在我们应用方案中,用STEVAL-IDP003V1板上的L6362A芯片代表传感器。
STEVAL-IDP003V1套件可以安装在最小的常规工业传感器内(仅8 x 70 mm大?。T谔准牟慰忌杓瓢迳?,可以安装多达四个不同的传感器子板(接近检测、振动检测、加速度计和温度传感器),板上还搭载一个运行设备端协议栈的专用低功耗微控制器STM32L071。
STEVAL-IDP003V1的抗扰性设计保证应用通过EMC和ESD应力测试。

图8 – STEVAL-IDP003V1及其四块传感器子板
最后,按照STM32 ODE计划,下一个开发工具将是IO-Link扩展板,又称X-Nucleo开发板,用于简化IO-Link应用的原型设计。有了这些新电路板,IO-Link协议栈将运行在主STM32微控制器上,建立一个全功能的IO-Link点对点通信通道。
推荐阅读:




