桃花源qm花论坛(品茶),凤楼阁论坛官网入口网址,一品楼品凤楼论坛最新动态,风楼阁全国信息2024登录入口

你的位置:首页 > 知识课堂 > 正文

差动放大电路,差动放大电路图

发布时间:2013-09-16

目前,差动放大电路,差动放大电路图在当代的应用可谓是越来越广泛,差动放大电路,差动放大电路图是值得我们好好学习的,现在我们就深入了解差动放大电路,差动放大电路图。

差动放大电路,差动放大电路图
差动放大电路,差动放大电路图

差动放大电路又叫差分电路,他不仅能有效的放大直流信号,而且能有效的减小由于电源波动和晶体管随温度变化多引起的零点漂移,因而获得广泛的应用。特别是大量的应用于集成运放电路,他常被用作多级放大器的前置级。

一、差动放大电路的概述

基本差动放大电路由两个完全对称的共发射极单管放大电路组成,该电路的输入端是两个信号的输入,这两个信号的差值,为电路有效输入信号,电路的输出是对这两个输入信号之差的放大。设想这样一种情景,如果存在干扰信号,会对两个输入信号产生相同的干扰,通过二者之差,干扰信号的有效输入为零,这就达到了抗共模干扰的目的。

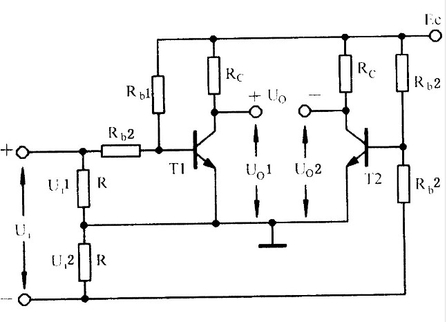
二、差动放大电路的基本电路图

差动放大电路
差动放大电路,差动放大电路图
差动放大电路的基本电路图


三、差动放大电路的工作原理

1、差动放大电路的基本形式对电路的要求是:两个电路的参数完全对称两个管子的温度特性也完全对称。
它的工作原理是:当输入信号Ui=0时,则两管的电流相等,两管的集点极电位也相等,所以输出电压Uo=UC1-UC2=0。温度上升时,两管电流均增加,则集电极电位均下降,由于它们处于同一温度环境,因此两管的电流和电压变化量均相等,其输出电压仍然为零。
它的放大作用(输入信号有两种类型)
(1)共模信号及共模电压的放大倍数 Auc
共模信号---在差动放大管T1和T2的基极接入幅度相等、极性相同的信号。如图(2)所示
共模信号的作用,对两管的作用是同向的,将引起两管电流同量的增加,集电极电位也同量减小,因此两管集电极输出共模电压Uoc为零。因此:。
于是差动电路对称时,对共模信号的抑制能力强
字串3
(2)差模信号及差模电压放大倍数 Aud
差模信号---在差动放大管T1和T2的基极分别加入幅度相等而极性相反的信号。如图(3)所示
差模信号的作用,由于信号的极性相反,因此T1管集电极电压下降,T2管的集电极电压上升,且二者的变化量的绝对值相等,因此: 此时的两管基极的信号为:所以:,由此我们可以看出差动电路的差模电压放大倍数等于单管电压的放大倍数。
基本差动电路存在如下问题: 电路难于绝对对称,因此输出仍然存在零漂;管子没有采取消除零漂的措施,有时会使电路失去放大能力;它要对地输出,此时的零漂与单管放大电路一样。 为此我们要学习另一种差动放大电路------长尾式差动放大电路。

四、关于差动放大电路的零点漂移
零点漂移可描述为:输入电压为零,输出电压偏离零值的变化。它又被简称为:零漂
零点漂移是怎样形成的:运算放大器均是采用直接耦合的方式,我们知道直接耦合式放大电路的各级的Q点是相互影响的,由于各级的放大作用,第一级的微弱变化,会使输出级产生很大的变化。当输入短路时(由于一些原因使输入级的Q点发生微弱变化 像:温度),输出将随时间缓慢变化,这样就形成了零点漂移。
产生零漂的原因是:晶体三极管的参数受温度的影响。解决零漂最有效的措施是:采用差动电路。

ps:附加差动放大电路动态图

差动放大电路动态图

差动放大电路动态图
综上所述,本文已为讲解差动放大电路,差动放大电路图,相信大家对差动放大电路,差动放大电路图的认识越来越深入,希望本文能对各位读者有比较大的参考价值

浏览过本文<差动放大电路,差动放大电路图>的人也浏览了    

基础知识
http://baike.cntronics.com/abc?page=100


差动放大器,差动放大器电路图及工作原理
http://baike.cntronics.com/abc/899


基础知识
http://baike.cntronics.com/abc?page=167

 
要采购晶体么,点这里了解一下价格!
特别推荐
技术文章更多>>
技术白皮书下载更多>>
热门搜索

关闭

?

关闭