- 测量3-20A范围内电流的两种主要方法。
- 霍尔效应原理。
- 霍尔效应开环电流的测量。
- 霍尔效应电流传感器的抗dv/dt噪声能力
- HX系列测量DC电流和AC电流使得输出电压一直是一次电流的真映像。
- IGBT控制整流期间快速电压变化导致的高dv/dt噪声。
- 小型传感器助于解决可用空间问题。
- HX传感器中两个一次线圈消除了对第三个单元的需要从而降低成本。
通常测量3-20A范围内电流的方法主要有以下两种:采用电阻分流器的传统测量方法,和使用电流传感器。这两种技术均有局限性:第一种方法缺少流电隔离,第二种方法带宽有限。此外,这两种方法都对校准工作有相当高的要求。LEM电流传感器曾经帮助有效解决了这些问题,但为了全面满足当前对降低成本和缩小尺寸的需求,现在到了需要对产品进行重新设计的时候了。
2002年,LEM收购了一家位于日本的生产霍尔效应电流传感器企业——NANA Electronics K.K.公司。新公司更名为NANALEM K.K.,总部位于东京町田。新的研发队伍融合了两家公司的专业经验,已经重新设计了日本最畅销的产品SY系列,并把它发展成为HX系列。
霍尔效应原理
HX传感器的核心是一个霍尔效应发生器。1879年,Edward H. Hall发现了霍尔效应,在电流流经一片薄传导材料(霍尔发生器),并放在正交磁场中时,会发生这种效应。然后电磁洛伦兹力将感应电子,根据极性流到薄片边缘。
图1.位于磁性电路间隙中的霍尔发生器把一次电流产生的磁场转换成成比例的霍尔电压。
在这两个边缘之间产生的霍尔电压VH与控制电流IC和磁通量B直接成正比(图1)。霍尔发生器由一片薄传导材料制成,如镓砷化物(GaAs),这种材料在使用期间能够实现可靠稳定的性能。在5 mA的控制电流下,获得的霍尔电压约为1.25 mV/mT。
霍尔效应开环电流测量
一次电流产生的磁场会在磁性电路的间隙中生成线性磁通量B,磁通量B会在霍尔发生器中感应成比例的霍尔电压VH。然后这个电压被电子电路放大,得到一个与一次电流成比例的输出模拟信号。HX系列可以测量DC电流和AC电流,以及相控整流器、有源电源转换器、PWM转换器和开关式电源中复杂的电流波形。输出电压一直是一次电流的真映像。
抗dv/dt噪声能力
在设计驱动器控制和开关设备时,工程师遇到的其中一个问题是整流期间快速电压变化导致的高dv/dt噪声。
电源半导体技术一直在不断发展。现在,许多半导体产品大样本中都可以看到整流速度非常高的IGBT。因此,当前通用逆电器一般会以很高的开关频率工作,通常在20 kHz以上。
在这么高的频率上工作的好处包括波形更平滑、操作更安全、效率更高。
图2.由于采用快速开发元件,HX系列几乎不受高dv/dt影响。
图3.实际逆电器应用中的HX噪声电平,其中dv/dt等于4000 V/ms。
开关设备每次开关时产生的高dv/dt值将在主电缆和传感器的电子电路之间产生电容电流。大多数模拟线性放大器对这种寄生电流很灵敏。因此,dv/dt噪声将被叠加在输出信号上。根据变动电压的幅度和斜坡,初始尖峰和后来的振荡有时会非常高,以致它们会激活传感器的电流?;さ缏?,进而使逆电器暂停运转。LEM的经验在HX系列设计阶段帮助保证了对关键噪声的完美免疫力,而又不会损害带宽,因此HX的性能要超过其它类似的传感器(图2和图3)。
对阶跃电流的超快速响应时间对IGBT短路?;け夭豢缮佟X系列可以以50A/ms以上的速度,准确追踪电流变化,对阶跃电流的响应最快为3ms。
图4.在并排安装在三相应用中时,电流传感器产生的相互干扰非常小。
设计工程师经常面临的另一个棘手问题是可用空间。小型传感器有助于解决这个问题,HX传感器重仅8克,要求的安装面积只有15 x 19 mm。但众所周知,当这种传感器并排放在三相应用中时,各自的一次电流可能会影响其它传感器的电子器件。在并排安装在三相应用中时,HX电流传感器引起的相互干扰非常小(图4)。
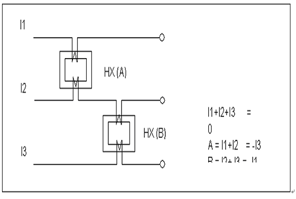
图5. 带有一个或两个一次线圈的HX系列电流传感器的工作原理。
图6. 只使用两个传感器测量三相电流。

专用版HX传感器有两个一次线圈,这两个线圈既可以串联,也可以并联(图5)。在某些逆电器应用中,可以使用一对这样的传感器,测量所有三个相位,每个传感器两个相位(图6)。这消除了对第三个单元的需要,有助于降低成本。AC测试电压(50 Hz, 1分钟)是3 kVRMS,间隙/漏电距离超过5.5mm,使这些传感器特别适合中低功率范围中的隔离电流测量。




