中心议题:
- 列出电流型热电偶温度变送器的设计构架
- 介绍具体设计电路及对其进行调试及测量
解决方案:
- 采用电流型变送器更合理
- 对热电偶的冷端进行温度补偿,稳定电信号
前言
热电偶是工业上广泛使用的温度传感器,它最大的优势就在于温度测量范围极宽,理论上从-270℃的极低温度到2800℃的超高温度都可以测量,并且实际应用中在600℃-2000℃的温度范围内可以进行最精确的温度测量。在化工、石油、电力、冶炼等行业的自动化控制系统中热电偶发挥着对温度的监控作用。因此我们开发设计出一套具有较高精度和稳定性的实用性K型热电偶温度变送器。
设计构架
a.设计要求
整套系统要求在0~100℃范围对应输出4mA~20mA的电流型温度变送器。
在实际的工业化需求中,往往需要设计为标准信号的变送器,以便与仪表和后续接口电路兼容。在输出为模拟信号时,有电压型和电流型两种变送器。电压型变送器的输出为0~5v,虽然其在信号处理方面具有优势,但抗干扰能力较差,在远距离传输时信号衰减大,而电流型变送器却在这方面独具优势。因此在工业实践中得以广泛应用。
通常,电流型变送器有输出0~20mA和4~20mA两种。对于输出0~20mA的变送器,虽然电路调试及数据处理都比较简单。但对于输出4~20mA的变送器,能够在传感器线路不通时,通过是否能检测到正常范围内的电流,判断电路是否出现故障,因此使用更为普遍。
b.电路功能
信号的放大
热电偶测温的原理是基于热电转换效应。虽然它集放热、转换为一体,能直接实现温度到电压的输出,但输出幅度很微小。如K型热电偶的灵敏度为0.04mv/℃。因此,对其信号必须进行放大。
温度补偿
当热电偶测温时,其冷端温度受环境变换影响较大,从而会影响最后测量的电信号。为了能得到稳定的电信号,以便算出真实的待测温度,需要对热电偶的冷端进行温度补偿。
原理框图

主要器件
热电偶作为感温元件,采集温度信号;铂电阻作为补偿电阻,补偿热电偶的冷端温度;XTR101为小信号处理专用芯片,将输入的微弱信号放大后便于远端传输;RL为远端的负载电阻,便于电信号的测量。
具体电路的设计
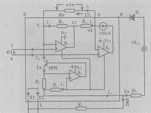
a.XTR101信号调理芯片
为了得到稳定的4mA~20mA的输出电流,我们选用常用的信号放大芯片XTR101。
XTR101是一个精密、低漂移的双线变送器,它可以把微弱的电压信号进行放大并变换成4mA~20mA的电流信号后进行远距离传送。它由一个高精度的仪表放大器、压控输出电流源和2个精密的1mA电流源组成。
其输入管脚为:3、4;输出管脚为:7、8;且;输出范围4mA~20mA;增益调节端为Rs端;电源端Vcc=24V。
XTR101芯片电路图如图2所示,R1=1kΩ,R2=52.6Ω,R3=R4=1.25kΩ,Rs为调增益的电阻。

图2 XTR101芯片电路图
图中:I1=(V4-V3)/Rs=ein/Rs;I2=(V1-V3)/R3;I3=(V1-V4)/R4.
且I4=I1+I2;I3=I1+0.1mA;I4=Ie。
可导出:Ie=2ein/Rs+ein/1250+0.1mA (1-1)
又因为R1两端电压和R2两端电压相等,即Ie•R=I5•R2,
可求得:I5=I9Ie
I6=I5+Ie=20Ie (1-2)
由(1-1)、(1-2)可导出:
Io=I8+2mA=(40/Rs+0.016Ω)ein+4mA
b.要点分析
增益调节
Rs为增益调节电阻,调节Rs可使输入电压ein在从最小值变到最大值时使输出电流Io从4mA变到20mA。即△I=16mA的输出电流。需要注意的是:为使Io不超过20mA,当Rs=∞时,ein不应超过1V,而当Rs减小时,ein也应相应减小。
输入偏置
由于XTR101使用的是单电源,因此在正常工作时,信号输入端应加+5V左右的偏置电压。该电压可利用2个内部参考电流源或其中之一通过一个电阻产生,如图3中的R2。
图3热电偶测温电路
由于2个输入端都存在直流偏压,这就相当于在放大器的输入端存在一个共模电压,XTR101的技术指标中已经包含了这部分误差。如果偏置不是5V,而是另外一个共模电压CMV,则会在输入端引入(CMV-5)/CMRR的失调误差(CMRR是共模抑制比)。
零点调整
XTR101可以把任何范围(小于1v)的电压信号变换为4~20mA的输出电流,它的任务就是在输入电压最小时使输出电流为4mA,即零点调整,也就是使零点能够上下偏移??衫猛?中的电阻R3和1mA的内部参考电流源在R3上所产生的压降V3来作为偏移电压进行零点调整。即调节R3,让其在V3=(V3)min时,使
ein=V4-(V3)min=0。
温度补偿
当热电偶测温时,其冷端温度受环境变换影响较大,从而会影响最后测量的电信号。为了能得到稳定的电信号,以便算出真实的待测温度,需要对热电偶的冷端进行温度补偿。
我们选用铂电阻作为补偿元件,是因为它在常温下具有很好的稳定性。
设热电势为E(t,t0),若冷端温度t0变化t1后,热电势就变为E(t,t1),
即△E=E(t,t0)-E(t,t1),铂电阻就是用于对随温度变化的△E进行自动补偿。将铂电阻和热电偶的冷端一同置于室内环境温度下,将热电偶放入冰水混合液中。调节R3使输入电压为0mV,而在其后的各温度点进行测量时,不再调节R3,虽然环境温度会变化,对热电偶有影响,但铂电阻的阻值也会随环境温度的变化而变化,导致其两端的电压改变,这种变化的电压就是用于抵消热电偶受温度变化影响的电势,从而达到补偿目的。
我们选用分度号为100的铂电阻,即在0℃时的电阻为100Ω,在266℃时的电阻为200Ω,所以铂电阻的敏感系数为△R/△t=100Q/266℃,在温度为t时刻时,铂电阻的阻值Rpt=100Ω+(100Ω/266℃)t。
c.各参数的选择计算
增益调节电阻
为了实验的调节方便,选择温度范围:0℃~100℃。当t=100℃时,Io=20 mA,RL选510Ω,所以URL=10.2V,这就需要调节Rs,即调节增益电阻。当温度为0℃时,热电偶电压E为0 mV,灵敏度为:0.04mV/℃。
当温度为0℃时,Io=4mA,ein=0mV;
当温度为100℃时,Io=20mA,ein=4mV。
根据公式(1-1):△Io=(40/Rs+0.016/Ω)△ein
又因为△Iomax=20mA-4mA=16mA,△emax=4mV-0mV=4mV
所以有16 mA=(40/Rs+0.016/Ω)4mV
得Rs=10Ω
调零电阻和温度系数补偿电阻
将热电偶的热端置于100℃的温度环境中,设此时环境温度为20℃。由于热电偶的温度系数为0.04mv/℃,若其冷端感应的温度由20℃变化至100℃,则热电偶两端的电压由3.2 mV变化至0mV,电压差为3.2mv。这个差值应由Rpt100和R1的并联电阻两端电压自动补偿。
当冷端温度为20℃时,Rpt100=1000+(100Ω/266℃)*20℃=107.52Ω。
当冷端温度为100℃时,Rptl00=100Ω+(100Ω/266℃)*100℃=137.6Ω。
由:[137.6*R1/(137.6+R1)-107.52*R1/(107.52+R1)]*1mA=0.04mV/℃*(100-20)℃
可得:R1=51.7Ω。
根据公式:Io=(40/Rs+0.016/Ω)ein+4mA,和Io的输出范围:4mA~20mA当T=0℃时,要使Io=4mA,就要调节R3,既调零电阻。将热电偶热端置于0℃的温度环境中。此时环境温度仍为20℃,即温差为-20~C,热电式E=-20℃•0.04mV/℃=0.8mV,3、4间的输入信号ein=0mV,Rpt100(20℃)=100Ω+(100Ω/266℃)*20℃
=107.52Ω。
根据图3,可得:
V4=E(t,t0)+1mA•[Rpt100(20℃)/(Rpt100(20℃)+R1)]
V3=1mA•R3
在0℃测量点(零点):V4=V3,
即:1mA•[107.52-51.7/(107.52+51.7)]-0.8 mV=1mA*R3
可推出:R3=34.11Ω
调试及测量
a.调试
调零。将热电偶触头放入冰水混合液中,即0℃中。接上电源后,边调节电位器R3,边测RL两端电压,直至RL两端电压约为2.04V,即输出电流Io为4 mA。
将热电偶放入沸水中,接上电源后,边调节电位器Rs,边测RL两端电压,直至RL两端电压约为10.2V。即输出电流10为20mA。
将热电偶插入加热炉内的测试端,控制炉内温度,从0℃开始,每上升20℃,测量一次RL两端电压,直到100℃。
b.数据分析
在量程范围内等间距取样5个点,分别按照正行程、反行程,测出输出电流,其数据曲线如图4所示,计算出线性度、灵敏度、重复性及迟滞。

(1)灵敏度S
S=△Y/△X=(20-4)/(100-0)=0.16mA/℃
(2)线性度δL
图4理论直线为白色,实际特征曲线为红色
δL=|16.71-16.80|/(20-4)×100%=0.56%
(3)重复性δK
δK=(16.78-16.65)/(20-4)×100%=0.81%
(4)迟滞δH
δH=(16.78-16.61)/(20-4)×100%=1.06%
(5)精度A
A=√(δL)2+(δK)2+(δH)2=1.44%
结论
这套热电偶温度变送器的测量精度达到1.44%,即满量程误差为1.44℃,完全能满足实际要求。并且该系统选价适中,元件少,电路结构清晰,性能稳定,不仅能直接应用于工业温度测量,还将对以后传感器教学、实验及毕业设计具有指导意义。



