中心议题:
- RFID系统天线阻抗手动匹配技术
- RFID系统天线阻抗自动匹配技术
解决方案:
- 适用于13. 56 MHz RFID读写器的天线阻抗自动匹配方法
射频设别( Radio Frequency Identification,RFID)技术是从20世纪90年代兴起并逐步走向成熟的一项自动识别技术,通过射频耦合方式进行非接触双向通信,达到目标识别和数据交换的目的。
RFID读写器在移动过程中,天线感应系数和阻抗的易变性造成读写器传输功率不必要的损耗和识别能力的下降。对于读写器天线阻抗的匹配,国外一些大公司的研究已经转向自动匹配方面,并有了比较成功的案例,而国内应用研究主要还集中于手动匹配方面。随着集成技术的发展,天线与读写器模块将向集成化发展,对于天线阻抗的匹配也将提出新的要求,而手动匹配是个耗时长且复杂的过程。
因此,天线阻抗的自动匹配技术也将成为一种发展趋势。本文论证了天线阻抗的手动匹配方法,并在最大化应用集成元件的情况下,提出了一种新的适用于13. 56 MHz RFID读写器的天线阻抗自动匹配方法。
1 阻抗手动匹配技术
RFID系统使用外接天线与电子标签进行无线通信。天线夹具形状和尺寸的易变性使天线的输入阻抗易随外部环境的变化还发生微弱变化,导致传输功率的无用损耗。国际上RFID读写器天线标准阻抗一般都为50Ω, 本文设定阻抗匹配目标为(50 + j0)Ω。天线电路如图1所示,一般包含3个部分:(1)电磁兼容( EMC)滤波(L0 , C0 )电路;(2)包含可调谐电容C1、C2 的匹配电路;(3)天线。
EMC滤波电路滤去了载波频率为13. 56 MHz阻抗变换时的谐波干扰。它有一个固定的谐振频率,这个频率是实际数据传输率和最高副载波频率的结合。如用曼切斯特编码时,传输的最高数据率为424 kbit/ s,频率为848 kHz,则谐振频率为14. 408MHz。

图1 天线电路框图
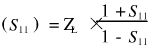
在载波频率为13. 56 MHz时,通过在TX1 和TX2 两点测量天线线路的反射系数(即参数S11 )来手动调谐,直到天线电路的输入阻抗达到目标,计算方程如下:
![]()
又有ZL = 50W,可以看出,要使(S11 ) = 50Ω, S11必须为0。
手动调谐即是交替不断调整电容C1、C2 的值,同时观察曲线变化,直到在所要求的频率点S11等于0。图2为某一天线电路在频率在10~20MHz之间变化时,其反射系数的变化曲线,其中,标记13. 56MHz的点, S11值近似为0,达到了匹配要求。

图2 经过手动匹配的天线smit图[page]
2 阻抗自动匹配技术
本文提出了一种自动匹配技术,其电路如图3所示,主要包含测量电路,匹配电路和控制电路。因为手工匹配方法耗时长,且需要良好的意识和丰富的经验来选择合适的电容,另外必须配备一些昂贵的设备,如网络分析仪或阻抗分析仪等。对于一些小公司来说,是不现实的。同时,一些手持式RF设备的发展使得手动匹配越来越不适应。对于这些移动设备,最理想的天线电路应该仅仅包含集成??椋宜孀抛杩贡浠梢宰远ヅ?。

2. 1 测试电路
手工匹配采用的是阻抗分析仪或者网络分析仪,网络分析仪是用定向耦合器来测量天线电路的反射系数。但使用定向耦合器有几个主要的缺点,例如功率损耗大和很难嵌入到IC芯片。故而本文在电路中不使用耦合器,从图3看出,测量电路包含以下4部分。
(1)测量电桥 用来测试天线的反射系数。主体部分为惠斯通电路,如图4所示。其电路中的直流电源用波形产生器替代,用来生成13. 56 MHz的正弦载波信号。其中电阻R1、R2、R3 都为50 Ω。
根据基尔霍夫定律,得I1 - I2 + Id = 0, I3 - Iz - Id =0, I1 R1 + I2 R2 - I3 R3 = IzZ,得Z = R2*R3/R1= 50Ω。
电桥平衡即Vd= 0,当Vd 的大小和相位都为0时,天线阻抗调谐完成。Vd 计算公式为::Vd = |V2 -Vz | ,V2 = I2 R2 , Vz= IzZ。
(2)振幅测量电路 测量V2和Vz 幅度, 并反馈到控制器。电路内部的整流器调整V2 和Vz 的幅度,消去输入信号的负半波,为了满足模数转换电路的输入范围要求,最后得到的信号经过低通滤波和放大电路传送到控制器。经过控制器模数转换后,比较两路信号的幅度,计算出Vd 的值。
(3)相位测量电路 测量V2 和Vz 的相位, 并反馈到控制器。
(4)振幅测量电路 测量V2 和Vz的幅度,并反馈到控制器。

图4 测量电桥[page]
在设计中用一个已经过手动调谐的天线电路来验证测量电路。手动调谐电路以图1 的电路为基础,用微调电容器取代电容C1 和C2 ,将天线电路连接到测量电桥,调节微调电容器,使测量到信号的幅度和相位近似为0。然后在TX1、TX2 两点测量天线的反射系数。测量结果如图5所示,在频率为13.56MHz时,参数S11近似为0。这种检查流程已成功经过几种不同阻抗的RFID天线检测,在频率为13.56MHz时,测试天线的S11参数偏差都大体相同。这表明,这个偏差在测量电路中,是不可避免的,且不影响匹配。

图5 天线的smit图
2. 2 匹配电路
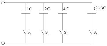
匹配电路是在微控器作用下来自动匹配天线的阻抗。在设计中,用其它可调电容电路将图1中电容C1 和C2 替换。通常有三种类型的替换方法:(1)微调电容器;(2)二极管电容;(3)电容阵列。
机械微调电容器既不是集成的也不是电可控的,二极管电容不能充分隔离信号电压和控制电压。因此,最好的方法是用电容阵列,如图6所示,由半导体开关控制。将图1 中的C1、C2 用电容阵列取代。当电容值在1到50 pF之间时,开关选用了低电容DMOS开关。与普通开关不同, DMOS开关存在寄生效应。在断开期间,开关引脚之间、信号引脚与地之间都存在这寄生电容。这些电容使得电容阵列的调谐范围变窄,同样也使天线阻抗的调谐范围变窄。这个问题仍然有待于进一步的研究。

图6 电容阵列网络
2. 3 控制器
控制器处理测量电路测到得数据,计算Vd 的值,并进一步控制DMOS开关,达到阻抗的匹配,同时它内部集成的模数转换器可以使幅值和相位值数字化。在手动阻抗匹配中,是调整C1 和C2 使幅值和相位偏移尽可能的为0。用一个简单的算术来说明这个思路,当每一个被测对象被认为是二维平面里的一个点时,该点到零点的距离d可以用公式计算: d2 =A2 +φ2。幅值A 作为横坐标,相位偏移φ作为纵坐标。因此,控制器调谐算法就是要找到最短的路径d。在实际计算中, 用该算法扫描所有的电容组合,以得到一组电容值使d2 最小,用这组数据来匹配阻抗。
3 功能验证
设计完成后,用A,B两种阻抗不同的天线测试了完整的调谐系统,每种天线测试2 到3 轮不等。结果如图7所示,对于A, B两种天线的任何一种,都找到了最优C1 和C2 的组合。当频率为13. 56MHz时,两类天线的反射系数虽然与0点都有一定的偏差,但其偏差都在可接受范围之内。

图7 自动匹配天线的smit图
4 结论
本文提出了一种适用于天线的阻抗自动匹配方法,基于此方法设计了集测量电路,匹配电路,控制电路于一体的集成RFID天线阻抗自动匹配虚拟系统。最后,通过实验测试,该系统模型运作良好,大体实现了匹配要求。然而,电容阵列的优化,匹配算法的改进等还有待进一步的研究。






