【导读】近年来,太阳能等可再生能源的应用显著增长。推动这一发展的因素包括政府的激励措施、技术进步以及系统成本降低。虽然光伏(PV)系统比以往任何时候都更加合理,但仍然存在一个主要障碍,即我们最需要能源时,太阳能并不产生能源。清晨,当人们和企业开始一天的工作时,对电网的需求会上升;晚上,当人们回到家中时,对电网的需求也会上升。然而,太阳能发电是在太阳升起后逐渐攀升的,但在需求量大的时段,如傍晚太阳落山后,还是无法提供能源。因此,太阳能等可再生能源越来越多地与储能系统集成,以储存能源供后续使用。
近年来,太阳能等可再生能源的应用显著增长。推动这一发展的因素包括政府的激励措施、技术进步以及系统成本降低。虽然光伏(PV)系统比以往任何时候都更加合理,但仍然存在一个主要障碍,即我们最需要能源时,太阳能并不产生能源。清晨,当人们和企业开始一天的工作时,对电网的需求会上升;晚上,当人们回到家中时,对电网的需求也会上升。然而,太阳能发电是在太阳升起后逐渐攀升的,但在需求量大的时段,如傍晚太阳落山后,还是无法提供能源。因此,太阳能等可再生能源越来越多地与储能系统集成,以储存能源供后续使用。
与太阳能光伏发电配套的储能系统通常采用电池储能系统(BESS)。关于BESS的进步,如更优质、更廉价的电池已显而易见,但较少提及的是更高效功率转换方法的应用。在深入探讨现代功率转换拓扑结构之前,应该先讨论一些重要的设计考虑因素。
隔离型与非隔离型
隔离型功率转换拓扑在DC-DC阶段通过使用变压器来实现初级侧与次级侧的电磁隔离。因此,初级侧与次级侧各自拥有独立的地线,而非共用接地。由于增加了变压器,隔离型拓扑成本更高、体积更大且效率略低,在并网应用中,出于安全考虑,电流隔离至关重要。
双向功率转换
双向拓扑结构减少了连接低压 BESS 至相应高压直流母线所需的功率转换??槭?。安森美(onsemi) 的 25 kW快速直流电动汽车充电桩参考设计就是利用两个双向功率转换??榈囊桓隼印8盟蜃黄饔氲缤?,为电动汽车的直流电池充电。AC-DC转换阶段采用三相 6 组(6-pack)升压有源前端,而DC-DC阶段采用双有源桥 (DAB) 拓扑。DC-DC双有源桥是较为流行的拓扑结构之一,稍后将对其进行讨论。
硬开关与软开关
传统的功率转换器采用硬开关控制方案。硬开关的问题在于,当晶体管从导通状态切换到关断状态时(反之亦然),漏极至源极电压(VDS)会降低,而漏极电流(ID)会增加。两者存在重叠,这种重叠会产生功率损耗,称为导通损耗和关断开关损耗。软开关是一种用于限制开关损耗的控制方案,其方法是延迟 ID 斜坡到 VDS 接近于零时导通;延迟 VDS 斜坡到 ID 接近于零时关断。这种延迟被称为死区时间,电流/电压斜坡分别被称为零电压(ZVS)和零电流开关(ZCS)。软开关可通过谐振开关拓扑(如 LLC 和 CLLC 转换器)实现,以大幅降低开关损耗。
两电平与三电平拓扑(单相与双相)
三电平转换器拓扑结构比两电平拓扑结构更具优势,原因有以下几点。首先,三电平拓扑结构的开关损耗低于两电平拓扑结构??厮鸷挠胧┘釉诳厣系牡缪蛊椒剑╒2)成正比,在三电平拓扑结构中,只有一半的总输出电压被(部分)开关所承受。其他优势来自于更低的电流纹波和 EMI。同样,只有一半的总输出电压被施加到升压电感器上,从而降低了电流纹波,使其更易于滤波。EMI 与电流纹波直接相关,降低电流纹波也就降低了 EMI。由于峰值-峰值开关电压降低,dV/dt 和 dI/dt 也随之降低,从而进一步减少了 EMI。

图1.两电平拓扑结构

图2.三电平拓扑结构
宽禁带技术
如碳化硅(SiC)等宽禁带技术进一步提高了功率转换系统的效率。由于这些器件的固有特性,它们相比传统的硅基MOSFET具有许多优势。其中一些重要因素包括:由于击穿电场和禁带能量更高,器件的击穿电压更高;热传导率更高,从而降低了冷却要求;导通电阻更低,从而改善了导通损耗;电子饱和速度更高,从而实现了更快的开关速度。
DC-DC拓扑
同步降压、同步升压以及反激式转换器
同步转换器源自经典的降压和升压转换器。之所以称为同步转换器,是因为它用一个额外的有源开关取代了二极管。反激式转换器与同步转换器类似,不同之处在于通过用耦合电感器(也称为 1:1 变压器)取代电感器,增加了隔离功能。增加这种变压器可以起到隔离的作用,但可能需要一个电压箝位缓冲电路来抑制变压器的漏电流。由于结构和调制方案简单,这些转换器的成本较低,但与一些更先进的拓扑结构相比,损耗和电磁干扰(EMI)往往较高。

图3.同步升压

图4.同步降压
对称升压-降压
对称降压-升压转换器是一种应用于高功率系统中的三电平拓扑结构实例。如前所述,对于标准的两电平转换器,开关上的电压应力来自于总母线电压,而对于更高功率的系统,这一数值可能达到1000V或更高。这就需要在高功率系统中使用额定电压为1200V及以上的晶体管。与此相反,像对称降压-升压转换器这样的三电平拓扑仅需使用额定电压为母线电压一半的器件,且还具有降低开关损耗、减小电磁干扰(EMI)以及更小的磁性元件体积等额外优势。其缺点主要源于对更多开关和更复杂控制算法的要求。

图5.三电平对称升压-降压
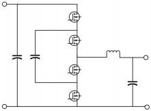
飞跨电容转换器(FCC)
飞跨电容转换器(FCC)是一种三电平转换器,这种配置能够实现双向功率流。它由四个开关、一个电感器和一个跨接在中间两个开关的飞跨电容组成。由于这是一种三电平拓扑结构,飞跨电容充当了箝位电容(或恒压源)的角色,该结构还具有开关电压应力减半的优点。因此,这种拓扑结构的优点包括使用较低电压、具有更高性能开关、无源元件尺寸较小以及减少了电磁干扰。 这种电路拓扑结构的缺点是必须配备启动电路,将飞跨电容的电压调节到母线电压的一半,从而充分利用低电压开关的优势。

图6.三电平双向飞跨电容转换器
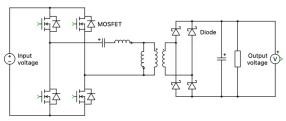
双有源桥(DAB)
双有源桥(DAB)是最常见的隔离型双向拓扑之一。如图7所示,其在初级侧和次级侧均采用了全桥配置。每个桥通过移相控制,即控制相对于彼此相位偏移的方波,来控制功率流方向。此拓扑的一些优点包括:每个开关上的电压应力限于母线电压、两侧所有开关上的电流应力大致相等,以及无需额外元件(如谐振电路)即可实现软开关。一些缺点则是由于高电流纹波,滤波电路至关重要,且在轻载条件下转换器的软开关能力可能会失效。

图7. 双向有源桥
LLC谐振转换器
LLC 转换器是一种可利用软开关技术的谐振拓扑结构。下图显示了这种拓扑结构在初级侧可以采用半桥或全桥配置。LLC 转换器通常以单向模式运行,但也可以通过将现有的二极管换成有源开关来实现双向运行。该电路的谐振回路包括一个谐振电感器、一个谐振电容器和一个磁化电感器。与之前的 DAB 拓扑相比,该电路的一个优点是在整个负载范围内保持软开关特性。

图8.半桥式LLC转换器

图9.全桥式LLC转换器
CLLC谐振转换器
CLLC 转换器是另一种可利用软开关技术和双向功率流的谐振拓扑结构。 它在初级侧和次级侧均包含一个谐振电感器和一个谐振电容器。该电路和其他在初级侧和次级侧都包含全桥的电路的一个共同优点在于,其控制原理是相同的。此外,与之前的 LLC 转换器一样,CLLC 可在整个负载范围内实现软开关特性。不过,CLLC 优于 LLC 拓扑的一个原因是对称谐振回路。LLC 拓扑具有非对称谐振回路,导致反向操作与正向操作不同。具有对称谐振回路的 CLLC 解决了这一问题,因此更容易实现双向充电。

图10.双向CLLC转换器
总结
电池储能系统持续演进,并伴随可再生能源发电技术得到更广泛的应用,这催生了对更高效、更可靠功率转换系统的需求。本文探讨了现代功率转换系统的重要特征以及实现这些特征的一些常见DC-DC电路拓扑。文中所讨论的许多电路拓扑均可利用安森美免费在线的基于PLECS的Elite Power仿真工具进行仿真,以更深入地了解器件级和系统级效率。欲了解更多信息,请访问onsemi.cn获取业界领先的设计资源和能源基础设施应用创新技术的最新动态。
(作者:安森美)
免责声明:本文为转载文章,转载此文目的在于传递更多信息,版权归原作者所有。本文所用视频、图片、文字如涉及作品版权问题,请联系小编进行处理。
推荐阅读:



