【导读】反激隔离式变压器开关电源,首先其是反激式,符合“反激”的定义,即:反激是开关管截止时,传输能量;其次,其有一个隔离式变压器,这个变压器起到隔离作用,同时会有一个匝数比,匝数比与开关管的PWM的占空比共同影响输出电压。不管是AC/DC还是DC/DC,到达变压器的电压其实是一个稳定的直流电压。
反激隔离式变压器开关电源,首先其是反激式,符合“反激”的定义,即:反激是开关管截止时,传输能量;其次,其有一个隔离式变压器,这个变压器起到隔离作用,同时会有一个匝数比,匝数比与开关管的PWM的占空比共同影响输出电压。不管是AC/DC还是DC/DC,到达变压器的电压其实是一个稳定的直流电压。我们知道只有类似于交流的变化的电压,才会通过变压器进行传递能量。我们就会利用一个开关管来不停的开关,来实现一个变化的电压在变压器的初级两端。
1、变压器是如何工作的
变压器的构造:由闭合铁芯和绕在铁芯上的两个线圈(或者多个)组成,如图9.4所示。
图 9.3 变压器构造示意图
闭合铁芯由涂有绝缘漆的硅钢片叠合而成,线圈由绝缘导线绕制而成。
原线圈(初级线圈):与输入电源连接的线圈,其匝数用n?表示;
副线圈(次级线圈):与负载连接的线圈,其匝数用n?表示。
变压器的工作原理
(1)互感现象是变压器工作的基础.原线圈中电流的大小、方向不断变化,在铁芯中激发的磁场也不断变化,变化的磁场在副线圈中产生感应电动势。
(2)原、副线圈的作用
原线圈在其所处回路中充当负载,副线圈在其所处回路中充当电源。
(3)能量转化过程:变压器通过闭合铁芯,利用互感现象实现了电能(U?、I?)到磁场能(变化的磁场)再到电能(U?、1?)的转化。
2、开关管开关的工作过程
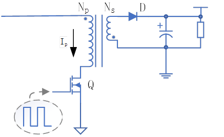
第一个状态,当 PWM 信号处于高电平时,Q 导通,如图所示,因为输入电压通过开关管把加在高频变压器初级绕组上,所以初级侧有电流PI 流过,又因为变压器次级侧同名端电压极性为负,故整流二极管 VD 截止,同时能量无法传输到次级绕组, 只能存储在初级绕组中,由输出电容向负载放电。
图 9.3反激开关电源开关导通的状态图
第二个状态,当 PWM 信号处于低电平时,Q 截止,如图所示,没有电流流过初级侧, 次级侧将产生电流 Is 。依据电磁感应原理,此时在高频变压器初级侧绕组上会产生感应电压,使次级绕组产生极性为上正下负的电压 Us,因此整流二极管 VD 导通, 然后经过 VD 和 C 整流滤波后向输出端输出能量。通过调节开关管开通/关闭时间, 即可维持输出电压恒定。
图 9.4反激开关电源开关截止的状态图
反激式变换器具有以下主要特点:
(1)高频变压器两侧绕组极性互为异名端,初级绕组的同名端连接输入电源 的正端,而其异名连端接功率开关管的驱动端。
(2)高频变压器既能起储能作用,又能起传输能量的作用。
(3)只要高频变压器的匝数比满足要求,输出电压均可高于或低于输入电压
(4)反激变换器设计灵活多变,通过添加变压器次级绕组的输出个数,就可 以构成多端输出。
(5)一般情况下,反激变换器中不需要,也不可以在输出滤波电容和整流二极管之间串接低频率的电感。相比于正激变换器少一个电感元器件。
(6)可在连续模式或非连续模式下工作。
反激变压器每路输出与初级侧相互隔离。反激式变换器普遍用于小功率开关电源场合。 Buck与 Boost 变换器不使用变压器,是非隔离式的变换器,而且不能够实现多 端输出,因此两者均不考虑。正激变换器使用变压器且是隔离的,但正激变压器无 法达到储存能量的要求,同时正激变换器普遍应用于要求对输出功率大的开关电源 中,并且对 MOS 管的要求也更严格。反激式变换器因包括高频变压器,输出与输入可以相互隔离,还有通过可以增加输出绕组数,到达多端输出的要求,多用于输出功率小的开关电路中。
免责声明:本文为转载文章,转载此文目的在于传递更多信息,版权归原作者所有。本文所用视频、图片、文字如涉及作品版权问题,请联系小编进行处理。
推荐阅读:




