【导读】新型 IGBT 已开发出来,具有反向阻断能力。各种应用都需要此功能,例如电流源逆变器、谐振电路、双向开关或矩阵转换器。本文介绍了单片芯片的技术及其运行行为,并通过典型电路中的个样本进行了测量。
新型 IGBT 已开发出来,具有反向阻断能力。各种应用都需要此功能,例如电流源逆变器、谐振电路、双向开关或矩阵转换器。本文介绍了单片芯片的技术及其运行行为,并通过典型电路中的个样本进行了测量。
简介:应用
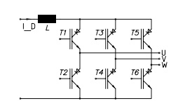
需要具有反向阻断能力的单向电流可控开关的典型电路可分为:
传统电流源逆变器如图1所示
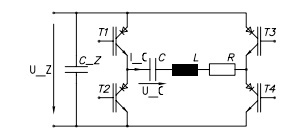
具有电流源的谐振转换器如图 2 所示
用于主电流路径中功率半导体软开关的辅助谐振电路
双向开关,如图 3 所示的矩阵转换器。

图 1 反激式
图2 逆变器
如果IGBT在电压、电流和频率方面都适用,那么迄今为止这种开关都是由不具有反向阻断能力的标准IGBT和串联二极管组成。相比之下,单片解决方案具有传导损耗更少、空间要求和成本更低等优势。
芯片技术

图4 NPT IGBT(左)和反向阻断IGBT(右)的芯片结构和符号
图 4(右)显示了反向阻断 IGBT 芯片的横截面示意图?;嬷频牡ピ峁菇绦蜃笱由?,而带有用于结端接的保护环的芯片边缘显示在右侧。几何形状基本上对应于 NPT IGBT,如图 4(左)所示。如果没有场阑,NPT IGBT 无法阻止边缘处的显着负击穿。使用隔离扩散技术克服了这一限制,该技术在晶闸管芯片的生产中众所周知:它允许在芯片边缘折叠反向阻断 IGBT 较低的 p+ 层,如图 4 右侧所示。这样,p+ – n- 结保留在芯片内,终止于隔离顶部氧化层下方。因此,结点(无论如何都是 IGBT 的一部分)被正确端接,并且能够像 pn 二极管一样阻止反向电压。该措施不会改变芯片有效体积内的结构;因此可以预期,除了能够阻断反向电压之外,反向阻断 IGBT 将表现出与普通 NPT IGBT 类似的操作行为。
免责声明:本文为转载文章,转载此文目的在于传递更多信息,版权归原作者所有。本文所用视频、图片、文字如涉及作品版权问题,请联系小编进行处理。
推荐阅读:





