【导读】在经过电缆的数字数据传输中经常使用交替传号反转(AMI)编码,因为这种编码没有直流分量。除此之外,AMI信号的带宽也要比等效的归零(RZ)码低。正常情况下,为了产生诸如AMI这样的双极波形,需要使用正负两个电源。
在经过电缆的数字数据传输中经常使用交替传号反转(AMI)编码,因为这种编码没有直流分量。除此之外,AMI信号的带宽也要比等效的归零(RZ)码低。正常情况下,为了产生诸如AMI这样的双极波形,需要使用正负两个电源。另外,双极波形产生电路可能要用到模拟元件。然而,本设计实例取消了所有这些要求,只使用一些门、一个触发器和单个5V电源就能从NRZ输入产生AMI波形。
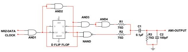
参考图1,NRZ信号(图2a)与时钟一起使用AND1门选通并产生RZ波形(图2b)。这个RZ信号随后连接到作为分频器的D触发器时钟端。接着RZ信号与触发器的Q和/Q输出一起进行选通,将AND2和NAND门输出端的两条线上的交变脉冲分开来。在第2条线上使用NAND门以获得反相的波形(图2c)。

图1:NRZ到AMI转换器使用单电源产生双极脉冲。
由于NAND的延时要大于AND门,因此在AND3输出端使用AND4进行补偿(可以根据所用的逻辑系列器件改变)。AND4和NAND门的输出驱动75Ω电阻,进而在门输出端有效地增加电压。如果两个输出都是高电平,电阻连接处的电压就是高电平。如果其中一个输出端是低,另一个是高,电阻连接处的电压就是半高电平。当两个输出端都是低电平时,连接处的电压接近于0V。这样,在R1和R2连接点的波形就具有了围绕直流电平的正负脉冲。这个信号通过隔直电容C1后,就能在输出端得到直流电平为零的真正双极波形(图2d)。

图2:波形:(a)NRZ输入;(b)AND4输出;(c)NAND输出;(d)AMI输出
图2显示了仿真电路的波形。仿真器可以捕捉到在门输出端出现的很小尖峰,不过这些尖峰不会在实际使用中产生问题。所产生的NRZ信号速率是2.048Mb/s。由于使用的是TTL器件和5V电源,因此峰峰信号电平小于±2.5V。如果需要更高幅度,可以使用具有更高逻辑摆幅的CMOS器件。
免责声明:本文为转载文章,转载此文目的在于传递更多信息,版权归原作者所有。本文所用视频、图片、文字如涉及作品版权问题,请联系小编进行处理。
推荐阅读:



