【导读】在给嵌入式系统设计电源电路,或选用成品电源??槭保悸堑闹匾侍庵痪褪怯酶衾牖故欠歉衾氲牡缭捶桨?。在进行讨论之前,我们先了解下隔离与非隔离的概念,及两者的主要特点。
在给嵌入式系统设计电源电路,或选用成品电源模块时,要考虑的重要问题之一就是用隔离还是非隔离的电源方案。在进行讨论之前,我们先了解下隔离与非隔离的概念,及两者的主要特点。
一、电源隔离与非隔离的概念
电源的隔离与非隔离,主要是针对开关电源而言,业内比较通用的看法是:
1、隔离电源:电源的输入回路和输出回路之间没有直接的电气连接,输入和输出之间是绝缘的高阻态,没有电流回路。
2、非隔离电源:输入和输出之间有直接的电流回路,例如,输入和输出之间是共地的。
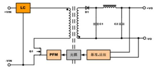
隔离电源示意图如图所示。

二、隔离电源与非隔离电源的优缺点
由上述概念可知,对于常用的电源拓扑而言,非隔离电源主要有:Buck、Boost、Buck-Boost等;而隔离电源主要有各种带隔离变压器的反激、正激、半桥、LLC等拓扑。
结合常用的隔离与非隔离电源,我们从直观上就可得出它们的一些优缺点,两者的优缺点几乎是相反的。
使用隔离或非隔离的电源,需了解实际项目对电源的需求是怎样的,但在此之前,可了解下隔离和非隔离电源的主要差别:
1、隔离??榈目煽啃愿撸杀靖?,效率差点。
2、非隔离??榈慕峁购芗虻?,成本低,效率高,安全性能差。
因此,在如下几个场合,建议用隔离电源:
1、涉及可能触电的场合,如从电网取电,转成低压直流的场合,需用隔离的AC-DC电源;
2、串行通信总线通过RS-232、RS-485和控制器局域网(CAN)等物理网络传送数据,这些相互连接的系统每个都配备有自己的电源,而且各系统之间往往间隔较远,因此,我们通常需要隔离电源进行电气隔离来确保系统的物理安全,且通过隔离切断接地回路,来?;は低趁馐芩蔡叩缪钩寤?,同时减少信号失真;
3、对外的I/O端口,为保证系统的可靠运行,也建议对I/O端口做电源隔离。


三、隔离与非隔离电源的应用场合
通过了解隔离与非隔离电源的优缺点可知,它们各有优势,对于一些常用的嵌入式供电选择,我们已可做成准确的判断:
1、 系统前级的电源,为提高抗干扰性能,保证可靠性,一般用隔离电源。
2、 电路板内的IC或部分电路供电,从性价比和体积出发,优先选用非隔离的方案。
3、 对安全有要求的场合,如需接市电的AC-DC,或医疗用的电源,为保证人身的安全,必须用隔离电源,有些场合还必须用加强隔离的电源。
4、 对于远程工业通信的供电,为有效降低地电势差和导线耦合干扰的影响,一般用隔离电源为每个通信节点单独供电。
5、 对于采用电池供电,对续航力要求严苛的场合,采用非隔离供电。
四、抗电强度
电源的隔离耐压在GB-4943国标中又叫抗电强度,这个GB-4943标准就是我们常说的信息类设备的安全标准,就是为了防止人员受到物理和电气伤害的国家标准,其中包括避免人受到电击伤害、物理伤害、爆炸等伤害。如下图为隔离电源结构图。

隔离电源结构图
作为模块电源的重要指标,标准中也规定了隔离耐压相关测试方法,简单的测试时一般采用等电位连接测试,连接示意图如下:

隔离耐压测试示意图
测试方法:
将耐压计的电压设为规定的耐压值,电流设为规定的漏电流值,时间设为规定的测试时间值;
操作耐压计开始测试,开始加压,在规定的测试时间内,模块应无击穿,无飞弧现象。
注意在测试时焊接电源??橐∪『鲜实奈露?,避免反复焊接,损坏电源??椤?br style="padding: 0px; margin: 0px auto;"/>
五、那么隔离电源与非隔离电源比较有什么的优缺点呢?
隔离电源与非隔离电源优缺点

通过了解隔离与非隔离电源的优缺点可知,它们各有优势,对于一些常用的嵌入式供电选择,我们可遵循以下判断条件:
对安全有要求的场合,如需接市电的AC-DC,或医疗用的电源,为保证人身的安全,必须用隔离电源,有些场合还必须用加强隔离的电源。
一般场合使用对??榈缭锤衾氲缪挂蟛皇呛芨?,但是更高的隔离电压可以保证??榈缭淳哂懈〉穆┑缌鳎叩陌踩院涂煽啃?,并且EMC特性也更好一些,因此目前业界普遍的隔离电压水平为1500VDC以上。
免责声明:本文为转载文章,转载此文目的在于传递更多信息,版权归原作者所有。本文所用视频、图片、文字如涉及作品版权问题,请联系小编进行处理。
推荐阅读:





