【导读】节能标准和客户需求正在推动更高效率和更小尺寸的电源解决方案,对标准ACDC电源进行功率因数校正 (PFC) 的要求日益普遍,通过减少谐波含量引起的电力线损耗,从而降低对交流电网基础设施的压力。而设计紧凑高效的 PFC 电源是一个复杂的开发挑战。
节能标准和客户需求正在推动更高效率和更小尺寸的电源解决方案,对标准ACDC电源进行功率因数校正 (PFC) 的要求日益普遍,通过减少谐波含量引起的电力线损耗,从而降低对交流电网基础设施的压力。而设计紧凑高效的 PFC 电源是一个复杂的开发挑战。
本文将讨论3kW PFC单相交流输入电源的设计,该电源具有超过40 W/in3的功率密度,满载效率为98.4%。表1总结了其关键性能特征,图1显示了该电源的框图。借助采用SiC器件的高频PFC快桥、先进的图腾柱无桥PFC控制器,以及工作频率高达150kHz的高频LLC级,在输出级上通过高效率全桥同步整流,实现高功率密度。
图1.采用SiC MOSFET的3kW图腾柱PFC和次级端稳压LLC电源
3kW电源综述——PFC级
图1的左侧显示了图腾柱无桥PFC级。在300 W超高密度电源的论文中,已对图腾柱PFC概念进行了详细说明,但为了方便起见,本文稍后将会再次介绍。该图腾柱PFC控制器为NCP1681,其可以在连续导通模式 (CCM) 和临界导通模式(CrM)下运行。3kW 的高功率输出需要使用CCM 模式,以确保有效利用电感,若使用 DCM 会导致需要一个大电感且电流峰值大幅增加。
电流互感器CT1和CT2用于准确检测电流。图腾柱无桥PFC使用一个快速桥臂和一个慢速桥臂。慢速桥臂使用安森美 FCH023N065S3L4 超结 MOSFET,由 FAN7191 隔离结半桥栅极驱动器驱动。快速桥臂使用安森美M1 650 V SiC MOSFET (NTHL045N065SC1),由更快速的NCP51561隔离结半桥栅极驱动器驱动。
启动时,采用由FSL538 AC-DC稳压器驱动的辅助电源,为初级端和次级端提供电源。PFC开始启动直到电压达到稳定值,在图腾柱 PFC控制器NCP1681引脚上置位PFCOK信号,通过光耦合器为次级端控制器上电。
图腾柱PFC控制器NCP1681具有以下功能:
图腾柱PFC控制器必须从在正交流相位期间使用低压侧 MOSFET 开关作为升压开关,改变为在负交流相位期间使用高压侧 MOSFET 开关作为升压开关
图腾柱PFC控制器可以开关高压侧 MOSFET 以在正交流相位期间打开Boost升压电路同步整流,并开关低压侧 MOSFET 以在正交流相位期间打开同步整流,从而提高效率。在轻负载时,开关MOSFET 的额外损耗超过低导通损耗带来的好处,因此同步整流被停用。
图腾柱 PFC 控制器可以开关低速器件,通过设置图腾柱电路的极性可提高效率。
图腾柱 无桥PFC 控制器NCP1681能自动处理其他有关较佳死区时间和过零性能等复杂问题,详情请参见 NCP1681 数据表[1]。
图1显示 NCP1681 有六个输入端。两个连接(AC+ 和 AC-)用于确定交流线路的相位,一个连接用于测量 PFC 控制所需的总线电压。通过 CS 引脚和 ZCD 引脚执行 PFC 中的电流监控。该 ZCD 电流测量有助于确定临界导通模式下(频率箝位) t2 周期何时结束,也可用于过流?;ぁB┘缪拐窳寮嗫匚挥?AUX 引脚上,用于确定漏极电压振铃中的最小值,从而在频率箝位临界导通模式下实现效率优化。
除控制功能外,这些引脚上检测到的电压电平和波形还用于保护和其他控制目的。例如,低压/高压和掉电?;な褂?AC+ 和 AC- 引脚上测得的电压;欠压、软过压、快速过压?;ず投煊κ褂?FB 输入端测得的电压。
VCC 连接来自 DC-DC 转换器级。一旦 LLC 控制器高压启动电路提供的能量足以启动 PFC,它就会开始工作。成功启动后,LLC 变压器辅助绕组和调节器为两个控制器供电。图腾柱控制器附近的电路板上有一个热敏电阻,可在控制器中集成的过热?;すδ苤猓峁┒钔獾墓缺;?。
此设计使用图腾柱 PFC 控制器的跳过 (SKIP) 或待机模式。极性指示信号显示器件检测到的是交流正半周期还是负半周期。馈入 LLC 信号的 PFC OK 信号指示大电解电容上的正确电压范围。
3kW电源综述——LLC级
图 2 显示用于 3 kW 高密度电源中的 LLC 级。S1 和 S2 构成一个半桥。谐振桥由三个元件构成:电感Lr、电容Cr以及一个变压器,其匝数比为n,大磁化电感为Lm。输出变压器连接到全桥配置中的四个MOSFET、输出电容和负载。
图 2.具有中心抽头半桥输出级的半桥 LLC 谐振转换器
此拓扑结构在正确运行时支持 S1 和 S2 的零电压开关。图 9 显示了 S1 (QUP) 两端的电压和流经 S1 (QUP) 电流的仿真波形。当漏极电流为负时,S1(QUP) 导通,因此反向时会有传导电流(当器件导通硅MOSFET 或 SiC MOSFET时,体二极管将导通)。与大约 400 V 的 VBUS 电压相比,电压转换中只有几伏电压,这显著降低开关损耗。
图 3.LLC 波形
LLC 转换器的增益频率环路在 300 W 超高密度电源白皮书[2] 中有更详细的描述。
NCP4390 控制器[3]控制应用中显示的六个 MOSFET。初级端 MOSFET 由电隔离双半桥驱动器NCP51561直接驱动。隔离结半桥驱动器 NCP81705 驱动次级端 MOSFET,其隔离电压额定值低于初级端 PFC 器件,但工作开关频率更高。我们注意到,设计中使用了四种不同的半桥驱动器,旨在满足特定的驱动要求:
低速隔离驱动 600 V;
高速隔离 600 V;
高速电隔离驱动 5 kV;
极高速隔离结驱动 180 V。
NCP4390 是一款高效电流模式控制器。在开关周期内进行电流检测并整合(详情请参阅 [3]),因此严格来说,它是一个充电模式控制器,更容易控制 LLC 的动态响应。它还显著改善了负载调节性能——该控制可以补偿负载突变,无需等待电压变化和通过谐振电路做出频率响应。
3kW电源性能总结
有关电源性能的更多详细信息,请参阅我们的电源研讨会演示文稿 [4]。整体设计符合最小外形尺寸,并在宽功率范围内具有出色的能效。
图 4. 3 kW 电源性能总结
功率因数校正——连续导通模式 (CCM) / 多模式 (CrM-CCM)
本小节重述了 300 W 超高密度电源白皮书中的内容,详述以 SiC 解决方案取代 GaN 解决方案。
图 5.桥式整流器后接单相 PFC 级
图 5 所示电路包括 4 个桥式整流二极管和 1 个升压二极管。本文介绍的 300 W 电源具有高效率的三个原因之一是采用了图腾柱拓扑,该结构去除了桥式整流器,并使用快速开关 MOSFET 取代升压二极管。图腾柱拓扑去除了整流器,具体说明如下——考虑下面图 6a 中的电路。电感、电容、MOSFET S1 和标记为 S2 的二极管构成了一个标准升压电路,将以正弦正半波工作。旁路二极管可防止在启动或特定异常情况下发生电感饱和。标记为 SR1 的附加二极管可在输入电压处于负相时?;さ缏凡⒆柚乖诵小饩褪潜曜忌沟缏返母郊硬糠?。
图 6b 中的电路显示了正弦负半波所需的升压电路。电感、电容、MOSFET S2 和标记为 S1的二极管构成标准升压电路的反相版本,并在升压电路导通状态路径中额外配备了一个二极管 SR2。
图 6.正相和负相升压电路
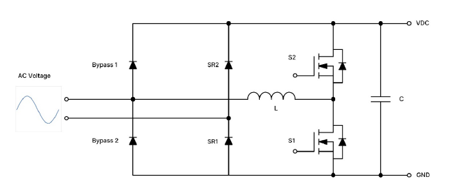
图 7 显示了图 6 中的电路与图腾柱无桥 PFC 电路标准图的组合。电路中有两个二极管(SR1 和 SR2),可以用 MOSFET 代替,以获得更高的效率。这些二极管在图腾柱工作期间导通,但仅在 50/60 Hz 时用作开关。旁路二极管仅在启动时导通,因此使用 MOSFET 代替它们没有任何好处。
图 7.采用二极管的图腾柱 PFC 电路
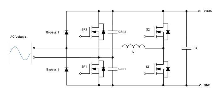
图 8 显示了采用高速 SiC MOSFET 和低速超级结 MOSFET 的图腾柱 PFC 拓扑。在正半波期间,SR1 在整个周期内导通,并为图 5a 所示的同步升压电路提供接地路径。S1 在异步升压中充当升压开关,S2 在异步升压中充当二极管。同样,在负半波期间,SR2 在整个周期内导通,并为图 5b 所示的电路提供接地路径。在异步升压中,S2 充当升压开关,S1 则充当二极管。
图 8.采用 SiC 和 SJ MOSFET 的图腾柱 PFC 电路
元件 SR1 和 SR2 在低频下开关工作;因此它们可以是低速器件。电源使用超级结 MOSFET 实现此功能,并需要附加电容。如果不加电容,过零转换太快,会导致潜在的 EMI 问题。如果电容太大,则 THD 性能会变差。NCP1681 控制器具有特殊的过零序列脉冲,可优化过零性能。
元件 S1 和 S2 使用 SiC MOSFET 实现,使用SiC 是3kW电源实现高功率密度的关键因素。
参考文献
[1] NCP1681:图腾柱连续导通模式 (CCM) / 多模式 (CrM-CCM) 功率因数校正控制器,数据手册 www.onsemi.cn
[2] 白皮书:300 W GaN HEMT 图腾柱 PFC 和 LLC 超高密度电源,2022 年 10 月 www.onsemi.cn
[3] NCP4390:具有同步整流器控制的谐振控制器,增强型轻负载,数据手册 www.onsemi.cn
[4] 白皮书:采用 SiC MOSFET 的 3 kW 图腾柱 PFC 和次级侧稳压 LLC 电源,2022 年 10 月 www.onsemi.cn
免责声明:本文为转载文章,转载此文目的在于传递更多信息,版权归原作者所有。本文所用视频、图片、文字如涉及作品版权问题,请联系小编进行处理。
推荐阅读:





