桃花源qm花论坛(品茶),凤楼阁论坛官网入口网址,一品楼品凤楼论坛最新动态,风楼阁全国信息2024登录入口

你的位置:首页 > 电源管理 > 正文

如何解决电动汽车48V电源总线电池故障?

发布时间:2022-02-21 责任编辑:lina

【导读】电动汽车(e-mobility)的增长越来越快,这要归功于汽车,公共汽车,货运卡车和带有电动汽车的踏板车的雪崩。这也导致了采用创新解决方案的电动汽车电池和动力总成制造技术的飞速发展。这些都提高了效率并降低了运营成本。逐步过渡到车辆的48V电源总线和引入高压电池需要采用适当的热管理技术。


电动汽车(e-mobility)的增长越来越快,这要归功于汽车,公共汽车,货运卡车和带有电动汽车的踏板车的雪崩。这也导致了采用创新解决方案的电动汽车电池和动力总成制造技术的飞速发展。这些都提高了效率并降低了运营成本。逐步过渡到车辆的48V电源总线和引入高压电池需要采用适当的热管理技术。对最关键部件(例如电池和充电系统)的温度进行持续监视和控制,可提高车辆的可靠性,扩大行驶里程,提高驾驶舒适性并减少充电时间。


电动汽车的热管理比传统的内燃机汽车更复杂。电动机必须不断冷却,而电池必须根据环境条件进行冷却或加热。此外,与传统车辆不同的是,没有立即可用的浪费热量来加热车厢。因此,有必要提供适当的节能措施,例如热泵。为了使电动机和电池保持在适当的温度,必要的冷却回路可以灵活地用于在车内散发热量。


当冷却回路吸收热量时,其温度升高,需要存在热交换器,液体或气态制冷剂在该热交换器中循环。制冷剂必须具有高的热容量,以便在相同的占用空间内吸收尽可能多的热量。通过制冷剂蒸发过程(从液态转变为气态),可以将电池冷却到甚至低于环境温度的温度。冷凝期间产生的热量(从气态转变为液态)可以替代地用于在寒冷时期加热乘客舱。高效的热管理解决方案可实现更大的自主权,满足当前和将来对电动汽车的需求。


电动汽车电池监控


安装在电动汽车上的电池组由数个串联和并联连接的电池模块组成。电池??楣芾硭璧牡缱拥缏烦莆狟MS(电池管理系统)。一个BMS包括一个或多个电源转换级和一个基于微控制器的嵌入式系统,用于处理与电源子系统有关的所有方面。在EV电池充电或放电过程中,必须监视属于电池组的每个电池单元的状态。


EV电池可在很小的体积内聚集大量能量。如果不加以管理,则过压或欠压情况可能会导致热失控,进而损坏电池。为此,引入了一种称为BMIC(电池监视集成电路)的特殊电路,以监视每个电池的电压和温度。此信息将发送到电池管理控制器(CMC),并根据系统的复杂性发送到更高级别的电池管理控制器(BMC)。


BMC汇总有关CMC监视的电池电压的信息,以计算电池的当前充电状态(SOC)。SOC是评估电池剩余电量的基本参数,从而确定何时需要新的充电。另一个参数是健康状态(SOH),它提供了重要信息,可以从中得出剩余电池寿命。热失控尤其具有欺骗性,这些失控是由不同类型的故障触发的,包括过快地执行充电或放电过程。为了避免这些现象的发生,BMS,CMC和BMC之间的通信必须以尽可能小的延迟进行。


商业解决方案


存在用于监视电动车辆电池性能的解决方案,该解决方案可从诸如STMicroelectronics,Analog Devices和NXP的公司组织购得。


意法半导体(STMicroelectronics)提供广泛的电动汽车电池监视解决方案组合,可在48V和高压电池组中提供高精度测量。图1显示了典型BMS体系结构的框图,其中几个电池管理IC用于检测每个电池组电池的电压,电流和温度。适用于EV电池管理的AEC-Q100合格IC的一个例子是L9963,这是一种用于高可靠性汽车应用和储能系统的锂离子电池监视和?;ば酒?梢约嗍佣啻?4个堆叠的电池,以满足48 V和更高电压系统的要求。该信息可以通过SPI通信或隔离接口进行传输。多个L9963可以菊花链形式连接,并通过变压器隔离的接口与一个主机处理器通信,具有高速,低EMI,长距离和可靠的数据传输的特点。


如何解决电动汽车48V电源总线电池故障?

图1:电池管理系统框图


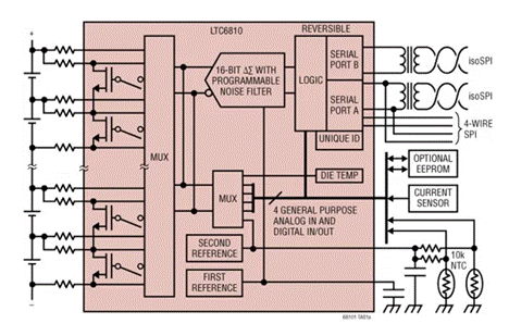
ADI公司提供了广泛的电池管理系统设备组合,可灵活支持几乎所有的EV电池系统架构。的LTC6810(图2),例如,措施多达6串联连接的电池单元具有小于1.8mV总测量误差。LTC6810的电池测量范围为0V至5V,使其适用于大多数电池架构??梢源佣喔錾璞?,从而可以同时监视长的高压电池组的电池。每个LTC6810都有一个isoSPI接口,用于高速,抗射频干扰的长距离通信。


如何解决电动汽车48V电源总线电池故障?

图2:LTC6810框图


恩智浦为多种汽车应用提供功能强大,安全且可扩展的BMS IC。MC33771是一个例子,它是专为汽车应用(例如HEV,EV,电动自行车和电动踏板车)设计的锂离子电池单元控制器IC。该器件具有差分电池电压和电流的ADC转换以及库仑计数和温度测量功能。它还支持标准SPI和与变压器隔离的菊花链与MCU的通信,以进行处理和控制。

(来源:中电网,作者:Stefano Lovati)


免责声明:本文为转载文章,转载此文目的在于传递更多信息,版权归原作者所有。本文所用视频、图片、文字如涉及作品版权问题,请电话或者邮箱editor@52solution.com联系小编进行侵删。


推荐阅读:

12V升30V大功率2x100W双声道D类音频功放升压组合解决方案

如何从单电源供电回路中获得正负电源

英特尔CEO:重振计划正坚实推进 未来几年营收增速将加快

辅助电源的工作原理和输出电路设计

移动宽带无线通信系统如何提高频谱效率


特别推荐
技术文章更多>>
技术白皮书下载更多>>
热门搜索

关闭

?

关闭