【导读】由于输入端与输出端被短接在一起,故非门的输出电压与输入电压相等(Vi=VO);这样,非门被强制工作在转移特性曲线的中心点处,因此输出电压被限定为门电路的阈值电平,其大小等于电源电压的一半,如果我们将非门的输出端作为直流接地端,就可以把电源电压 VCC转换为?VCC/2的双电源电压;此时的非门起到了一个存储电流的稳压器的作用,电路的输出阻抗较低、因而输出电压也比较稳定。
单电源供电回路中获得正负电源的特殊方法
图1所示极性变换电路的重心器件为普通的非门。由于输入端与输出端被短接在一起,故非门的输出电压与输入电压相等(Vi=VO);这样,非门被强制工作在转移特性曲线的中心点处,因此输出电压被限定为门电路的阈值电平,其大小等于电源电压的一半,如果我们将非门的输出端作为直流接地端,就可以把电源电压 VCC转换为?VCC/2的双电源电压;此时的非门起到了一个存储电流的稳压器的作用,电路的输出阻抗较低、因而输出电压也比较稳定。
图中的非门可以选用74HC00或CD4069等普通门电路,考虑到CMOS非门驱动负载的能力有限,因此很好将几个非门并联使用以提高其有效输出电流,图中的电容C1、C2起退耦作用,容量可适当地取大一些。

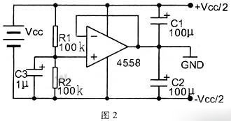
图2所示电路中的运放同相输入端接有对称的串联电阻分压器,而运放本身接为电压跟随器的形式;根据运放线性工作的特点不难看出:运放输出端与分压点间的电位严格相等。由于运放的输出端作接地处理,因此运放的供电电源VCC就被相应地分隔成了两组对称的正、负电源VCC/2。

当运放的输出电流无法满足实际需求时,不能象门电路那样简单地并联使用;这时可以将通用型小功率运放换为输出电流较大的功放类运放器件,例如常见的TDA2030A。与图1类似,C1、C2同为退耦电容、加载运放同相输出端的电容C3起到了抑制干扰及滤波的作用对于大多数的OTL功放类器件而言,其内部一般都设置了对称的偏置电路结构,这就使其输出端的直流电位近似为电源电压的一半;根据上述原理,我们完全可以利用集成功放将单电源转换成为大小相等的双极性正、负电源,具体电路如图3所示。

事实上,由于内容参数的离散性以及自举电路结构的影响,集成功放输出端的电压并不是jue对的VCC/2,从而造成正、负输出电压不平衡的现象。对此我们需要将一只10-100kΩ的电位器串联在正负电源之间,并把LM386第③脚输入端接到电位器的中间抽头,而第②脚保持悬空。对电路进行上述改进后,通过调节功放的直流输入电平,就可以在芯片的输出端得到大小非常紧接的正负电压值了。
免责声明:本文为转载文章,转载此文目的在于传递更多信息,版权归原作者所有。本文所用视频、图片、文字如涉及作品版权问题,请电话或者邮箱editor@52solution.com联系小编进行侵删。
推荐阅读:





