【导读】D类音频功率放大器的市场需求每年以约50%的速度增长,以高性能设备为目标应用。D类音频放大器的高能效和低热性等特点支持轻薄时尚的产品设计,大功率电源还可节省成本。D类放大器满足小尺寸、低功耗、高音频输出的市场主流需求,从而成为音频类产品的中坚力量。
D类音频功率放大器的市场需求每年以约50%的速度增长,以高性能设备为目标应用。D类音频放大器的高能效和低热性等特点支持轻薄时尚的产品设计,大功率电源还可节省成本。D类放大器满足小尺寸、低功耗、高音频输出的市场主流需求,从而成为音频类产品的中坚力量。2020年一场突如其来的新冠疫情打乱了整个电子行业供应链的平衡,国内电子行业闹起芯慌。从2020年9月份起,50W以上的D类功放IC价格被炒到20-30元还一片难求。
因为封装工艺的原因,中大功率的音频功放芯片一直垄断在国外芯片公司的手中。常见的如TSSOP-28/TSSOP-24/ESOP-16等散热片在底部的贴片封装,依赖芯片本身及PCB散热很难支持60W以上持续功率输出。要实现更大功率的输出,需芯片封装支持外接散热器。
深圳市永阜康科技有限公司大力推广最新的一款模拟输入120W单声道D类音频功率放大器-CS8683H,以充分满足户外拉杆音箱、功放机、声霸音箱系统、车载音频系统等大功率的使用需求。该CS8683H具有业界最高的开关速率与4.7V-45V最宽泛的供电,可实现高质量、高效率的音频输出;业界最佳RDS(on)比同类竞品低 ,高效率支持低阻抗提高功率;采用EQB-32封装(国内首创贴片封装散热片在顶部,支持外接散热器),良好的散热性能保证超大功率输出,可实现无失真的清晰音频。
1. CS8683H概要
CS8683H是一款120W单声道高效D类音频功率放大电路.先进的EMI抑制技术使得在输出端口采用廉价的铁氧体磁珠滤波器就可以满足EMC要求。CS8683H单通道音频功率放大器是为需要输出高质量音频功率的系统设计的,它采用采用EQB-32封装(散热片在顶部),良好的散热性能保证超大功率输出,使系统具备高质量的音频输出功率。
CS8686H内置了过流?;?短路?;ず凸缺;?有效的?;ば酒谝斐5墓ぷ魈跫虏槐凰鸹?。,供电电压在22V以内,可以驱动低至2Ω 负载的扬 声器 ,最高可提供80W的连续功率 ;在供电电压30V以内,可以驱动低至4Ω负载的扬声器,提供120W的连续功率具有高达94%的效率。CS8683H提供纤小的封装形式供客户选择,可以为客户节省可观的PCB面积,其额定的工作温度范围为-40℃至85℃。
2. CS8683H描述
● 输出功率:
120W PO at 10% THD+N, VDD = 28V@RL = 4Ω
75W PO at 10% THD+N, VDD = 24V@RL = 4Ω
80W PO at 1% THD+N, VDD = 24V@RL = 3Ω
100W PO at 10% THD+N, VDD = 20V@RL = 2Ω
● 效率高达94%
● 多重开关频率可选,具有AM干扰抑制功能
● 高可靠性设计,宽泛的单电源电压范围4.7V~45V
● 静音功能控制
● 扬声器?;ぐ傻鞴β氏拗破骷又绷鞅;?/p>
● 输出管脚方便布线布局
● 良好短路?;ず途弑缸远指垂δ艿奈露缺;?/p>
● 良好的失真和防噗声功能
● 三级增益可调
● 差分输入
● EQB-32封装
3. CS8683H与3116输出功率对比

4. CS8683H应用场合
户外拉杆蓝牙音箱、功放机、车载音频系统等产品
5. CS8683H应用信息
(1). CS8683H脚位图

(2). CS8683H管脚说明

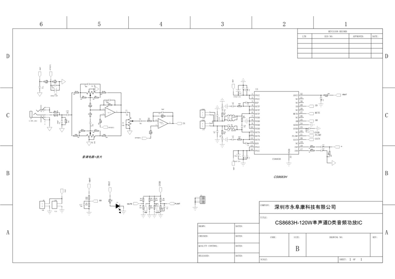
(3). CS8683H DEMO板原理图

(4). CS8683H DEMO板PCB顶层设计图

(5). CS8683H DEMO板PCB底层设计图

(6). CS8683H DEMO板贴片图

(7). CS8683H DEMO板物料清单

(8). CS8683H DEMO板实物图

免责声明:本文为转载文章,转载此文目的在于传递更多信息,版权归原作者所有。本文所用视频、图片、文字如涉及作品版权问题,请电话或者邮箱editor@52solution.com联系小编进行侵删。
推荐阅读:
EeIE智博会提前看:协作机器人点亮展会、聚焦中国先进制造业




