【导读】输入桥式整流器的损耗是实现AC-DC电源单元(PSU)最佳能效的一个障碍。无桥图腾柱功率因数校正(PFC)电源拓扑结构是个简洁的解决方案,它用四个有源开关器件取代了有损耗的桥式整流器和PFC FET以及升压二极管。然而,这种拓扑结构必须使用复杂的控制算法,这可能需要增加一个昂贵的微控制器??刂圃某杀竞透丛有远砸恍┕こ掏哦永此凳遣捎酶眉际醯恼习?。本文所述的NCP1680混合信号控制器提供了一个方案来解决这设计挑战。
摘要
输入桥式整流器的损耗是实现AC-DC电源单元(PSU)最佳能效的一个障碍。无桥图腾柱功率因数校正(PFC)电源拓扑结构是个简洁的解决方案,它用四个有源开关器件取代了有损耗的桥式整流器和PFC FET以及升压二极管。然而,这种拓扑结构必须使用复杂的控制算法,这可能需要增加一个昂贵的微控制器??刂圃某杀竞透丛有远砸恍┕こ掏哦永此凳遣捎酶眉际醯恼习1疚乃龅腘CP1680混合信号控制器提供了一个方案来解决这设计挑战。
AC-DC电源无处不在,占全球能源消耗的很大比例,因此它们的能效与系统成本直接相关,在更高的层面上,它有助于排放。在讨论AC-DC电源时,还有一个相关的参数也很重要--输入功率因素。
如果线路电流和线路电压不具有相同的正弦波形和相位,那么电源所吸收的视在功率就会高于必要值。这将导致能效低下,并通过电网传播??刹捎霉β室蚴U?PFC)来解决这种低能效,而且PFC现在已经成为多个国家和地区的法定要求。
一个没有有源功率因数校正的典型PSU容易比一个有校正的PSU多消耗70%的电流,因此现在强制要求将PFC加入电路,且PFC值需接近1。
更确切地说,EMC标准如IEC61000-3-2,对由失真的线路电流产生的高达40次的线路谐波功率进行了限制。80 PLUS认证计划提倡80%的能效,相关于20%、50%和100%负载下的能效。80 PLUS标准的最高水平被称为“80+ Titanium标准”,它规定负载从10%到100%的能效至少为90%。
实现'80 + Titanium标准'能效合规性
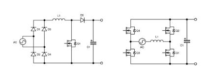
主动校正功率因数的传统方法是使用一个升压转换器,将整流电源电压转换成高于电源电压峰值的直流电压,图1(左)。采用脉冲宽度调制来调节直流电压,同时迫使线路电流跟随线路电压波形。
该技术在连续、非连续和临界导通模式下运行良好,易于控制,与升压电感器能量是否在每个周期内完全耗尽有关。然而,提高AC-DC转换器能效的压力也很大,最严格的“80+ Titanium标准”规定服务器在230 V AC输入、50%负载时,能效最高达96%。
通常情况下,DC-DC级允许有2%的损耗,只留下2%用于线路整流和PFC级,但仅桥式整流器就容易损耗1%以上,在低压时损耗最高可达1.7%左右。
图1:传统的(左)和(右)无桥图腾柱PFC电路
因此,我们开发了一种更有效的技术,即无桥“图腾柱PFC”(TPPFC),图1(右),其中升压二极管被同步整流器取代,使升压晶体管和升压二极管Q1和Q2的功能可互换,具体取决于电源极性。现在只需要两个线路整流二极管,而且它们也可以是同步整流器Q3和Q4,如图所示,以获得更高能效。
如果有完美的开关、理想的电感器和无二极管压降,TPPFC电路的能效可接近100%。然而,真正的开关有导通和开关损耗,尽管可使用超低导通电阻的MOSFET(甚至并联)来实现低导通损耗,但这必然会增加动态损耗。这意味着必须取得一种平衡。
动态损耗源于当其体二极管在开关“死区”时间内导通时配置为升压同步整流器的MOSFET的反向恢复,也源于开关输出电容的充电和放电。对能效的影响可能非常严重,以至于在连续导通模式下工作时,硅MOSFET甚至是“超级结”类型在电路中都不可行。因此,必须考虑碳化硅和氮化镓的宽禁带开关。
连续导通模式(CCM)在更高的功率下更受欢迎,因为开关和电感器的峰值电流可以设置得很低,从而减少了均方根值,使导通和电感器磁芯的损耗保持在低水平。然而,这是一种“硬”开关模式,其反向恢复和输出电容效应会导致高动态损耗。
在低功率下,非连续导通模式(DCM)具有较低的导通损耗,因为此时升压二极管的电流已降至零,因此没有电荷需要恢复。然而,峰值和均方根电流可能无法控制,导致高欧姆和磁芯损耗,因此该模式不适合高功率。
临界导通模式是个很好的折衷方案
一个很好的折衷办法是在临界导通模式或CrM模式下工作,可达几百瓦,采用交错时可更高。在这种模式下,随着负载电流或线路电压的变化,开关频率被改变以迫使电路在CCM和DCM之间的边界上运行。低导通损耗的好处得以保留,同时将峰值电流限制在2倍的平均值,以实现合理的导通和磁芯损耗。(图2)。
图2:PFC升压电感电流波形,临界导通模式
虽然CrM的关断会产生硬的开关换向,但升压二极管的任何正向恢复都会导致一些损耗和输出电压过冲。CrM的可变开关频率也有一个缺点,即在轻载时,频率可能非常高,产生更多的开关损耗,降低能效。这关系由下式表示:
该等式意味着开关频率与输入功率的直接反比关系,因此20%到100%的负载功率或5倍的变化应该会产生5倍的频率变化以实现恒定能效。然而,无论如何,更高的频率会降低能效,因此这些因素会相互影响。频率和均方根线路电压之间的关系更为复杂,在线路范围内产生的频率变化通常超过2:1,并在中间电压处达到峰值。
CrM中的钳位频率降低轻载损耗
在轻载时,能效下降可达10%,在试图满足待机或空载能耗限制时,这是个真正的问题。解决这个问题的办法是钳位或 “反走”允许的最大频率,在轻载时迫使电路进入DCM,与CrM相比,峰值电流较低。
因此,在整个线路和负载范围内,中等负载和高能效的功率因数校正的一个好的解决方案是带有频率箝位的图腾柱架构。该电路应使用硅MOSFET的组合来进行交流电同步整流,并在高频 “支路”上使用宽禁带开关。
然而,控制这个电路是个挑战,需要驱动四个有源器件,检测二极管零电流以强制在轻载时自动从CrM切换到DCM,同时调节输出电压并保持高功率因数。需要开关过流?;ぃ约笆涑龉辜觳?。所有这些都可以通过在一个与开关和检测参数接口的微控制器中实现复杂的控制算法来实现。
然而,该解决方案可能很贵,且电源设计人员现在必须参与对器件进行编码以获得最佳性能--对于那些不熟悉的人来说,这是一项令人生畏且耗时的任务。
混合信号TPPFC CrM控制器
安森美(onsemi)现在提供一个更简单的解决方案,而且不需要编码。NCP1680被认为是业界唯一的混合信号CrM TTPFC控制器,它采用SOIC-16封装。
该器件具有专有的低损耗电流检测架构和经验证的控制算法,是一种具有高性价比、低风险但高性能的解决方案。该器件具有恒定的CrM导通时间和在轻载下频率反走期间的“谷底开关”,以在最低电压下开关来提高能效。数字电压控制环路经过内部补偿,便于系统设计,在整个负载范围内具有优化性能。
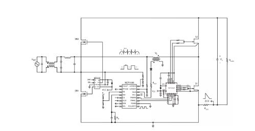
逐周期电流限制用于?;?,不需要霍尔效应传感器。图3给出了一个简化的原理图,显示了使用NCP1680的图腾柱PFC级。
图3:使用NCP1680的简化的TPPFC典型应用框图
现有NCP1680的评估板(图4),使用GaN HEMT单元作为快速开关,Si-MOSFET作为交流电同步整流器。
图4:安森美的NCP1680评估板
该评估板在从90-265 V AC的395 V DC下提供300 W,且满载能效峰值接近99%,在低至20%的负载下的整个电压范围内达到98%(图5)。
图5:安森美NCP1680评估板的能效曲线图
随着安森美推出宽禁带半导体和高性价比的混合信号、临界导通模式控制器,图腾柱PFC级成为功率达几百瓦的高能效功率因数校正的理想解决方案,同时能够符合80+ Titanium能效标准和待机及空载损耗的环保设计要求。
随着每个垂直领域对更高能效的需求,使用CrM减少所有负载水平的损耗而实现的有源PFC的改进,将受到制造商、消费者和公用事业服务提供商的欢迎。工程师们现在就可以开始评估NCP1680,为所有应用领域的新产品开发带来更高的能效水平。
(来源:安森美,作者:Yong Ang)
免责声明:本文为转载文章,转载此文目的在于传递更多信息,版权归原作者所有。本文所用视频、图片、文字如涉及作品版权问题,请电话或者邮箱editor@52solution.com联系小编进行侵删。
推荐阅读:




