桃花源qm花论坛(品茶),凤楼阁论坛官网入口网址,一品楼品凤楼论坛最新动态,风楼阁全国信息2024登录入口

你的位置:首页 > 电源管理 > 正文

充电桩??榈缏?/h2>

发布时间:2021-09-13 来源:Micro_Grid 责任编辑:wenwei

【导读】最近这几年充电??槭侨让牛幼羁嫉?.5kW、10kW 到后面的15kW、20kW,功率等级不断的提高。市场上的充电??榫蟛糠侄际侨嗍淙?,PFC 部分也基本都是采用的三相无中线 VIENNA 结构的拓扑。借这次技术分享的机会,分享一下个人对「三相VIENNA 拓扑」的理解,希望和大家一起探讨交流。 
 
我会从以下几个方面进行说明:
 
① 主电路组成
② 工作原理
③ 控制模式
④ 控制地的选择
⑤ 母线均压原理
⑥ 原理仿真 
 
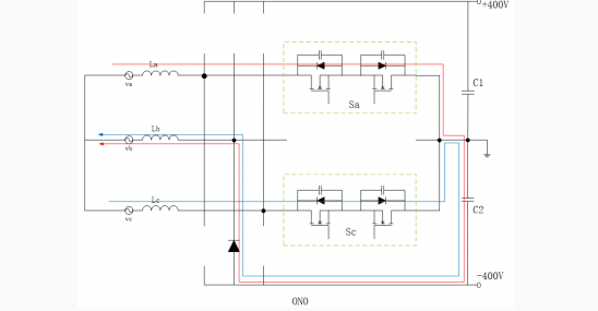
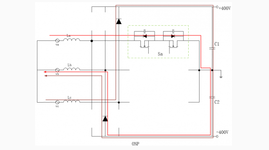
一、主电路的组成如图所示,是三相 VIENNA PFC 拓扑的主电路,大致如下: 
 
充电桩??榈缏? width=
 
1. 三相二极管整流桥,使用超快恢复二极管或 SiC 二极管;
 
2. 每相一个双向开关,每个双向开关由两个 MOS 管组成,利用了其固有的反并联体二极管,共用驱动信号,降低了控制和驱动的难度。相比其他组合方案,具有效率高、器件数量少的优点;3. 电流流过的半导体数量最少,以 a 相为例: ? 双向开关 Sa 导通时,电流流过2个半导体器件,euo=0,桥臂中点被嵌位到 PFC 母线电容中点; ? 双向开关关断时,电流流过1个二极管,iu>0 时euo=400V,iu<0 时 euo=-400V,桥臂中点被嵌位到PFC 正母线或负母线。 
 
充电桩??榈缏? width=
 
 二、工作原理
 
电路的工作方式靠控制 Sa、Sb、Sc 的通断,来控制 PFC 电感的充放电,由于 PFC 的PF 值很接近1,在分析其工作原理时可以认为电感电流和输入电压同相,三相点平衡,并且各相差120度; 1. 主电路的等效电路① 三相三电平 Boost 整流器可以被认为是三个单相倍压 Boost 整流器的 Y 型并联;② 三个高频 Boost 电感,采用 CCM 模式,减少开关电流应力和 EMI 噪声;③ 两个电解电容构成电容中点,提供了三电平运行的条件; 
 
充电桩??榈缏? width=
 
这个 eun 的表达式非常重要。
 
 2. 主电路的开关状态三相交流电压波形如下,U、V、W 各相差120度 
 
充电桩??榈缏? width=
 
三相交流电压波形 通过主电路可以看出,当每相的开关 Sa、Sb、Sc 导通时,U、V、W 连接到电容的中点 O,电感 La、Lb、Lc 通过 Sa、Sb、Sc 充电,每相的开关关断时,U、V、W 连接到电容的正电平(电流为正时)后者负电平(电流为负时),电感通过 D1-D6 放电,以0~30度为例,ia、ic 大于零,ib 小于零。 每个桥臂中点有三种状态,三个桥臂就是3^3=27种状态,但不能同时为 PPP 和 NNN 状态,故共有25种开关状态(见下期下载链接)。 3. 主电路的发波方式主电路的工作状态与发波方案有较大的关系,采用不同的发波方案会在每个周期产生不同的工作状态。一般Vienna 拓扑采用 DSP 数字控制,控制灵活,可移植性强。① 采用单路锯齿波载波调制电流环控制器输出的调制信号被馈送给锯齿波载波,保持恒定的开关频率; 在0~30度这个扇区内,每个周期产生4个开关状态,由于波形不对称,电流波形的开关纹波的谐波比较大;采用该种方式进行调试,桥臂中点线电压的最大步进是2Ed(Ed 为母线电压的一半,400V); 
 
充电桩??榈缏? width=
 
 ② 采用相位相差180度的高频三角载波,当对应的输入电压是正半周的时候,采用 Trg1,当对应的输入电压是负半周的时候采用 Trg2,每个周期产生8个开关状态,与传统的控制方案产生4个开关状态相比,8个开关状态相当于频率翻倍,减小了输入电流的纹波,对 THD 指标有好处; 
 
充电桩模块电路
 
上一张仿真的波形: 
 
充电桩??榈缏? width=
 
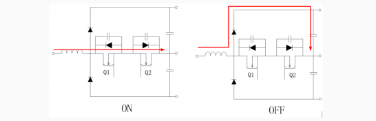
上面我们提到,三相三电平 PFC 可以看作是三个单相的 PFC,每个单相相当于由两个 Boost 电路组成,在交流电压的正负半周交替工作,正半周如下所示: 
 
充电桩??榈缏? width=
 
以 a 相为例,驱动信号为高时,则开关管 Q1 导通(交流电压的正半周) 或者 Q2 导通 (交流电压的负半周);驱动信号为低时,开关管 Q1 和 Q2 都关断。电压正半周时,a相上桥臂二极管导通;电压负半周时,a 相下桥臂二极管导通。 通过上面的分析,采用移相180度的三角载波进行调制,在0~30度的扇区内有8种开关状态,4种工作模式ONO,ONP,OOP,POP。 ① ONO 工作模式
 
a 相和 c 相导通,b 相截至,U 和 W 电压为0,V 点电压-400V;该工作状态只给C2 进行充电; 
 
充电桩模块电路
 
 ② ONP 工作模式
 
a 相导通,b 相和 c 相截至;U 点电压为0,V 点电压为-400V,W 点电压为+400V; 
 
充电桩模块电路
 
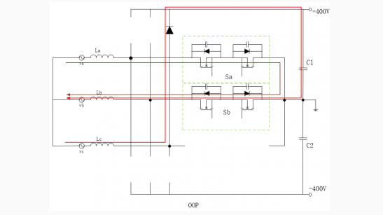
 ③ OOP 工作模式
 
U 和 V 点电压为0,W 点电压为+400V; 
 
充电桩??榈缏? width=
 
 ④ POP 工作模式
 
U 和 W 点电压为+400V,V 点电压为0,该工作模式只给 C1进行充电; 
 
充电桩??榈缏? width=
 
当然,这只是在0~30度扇区的工作状态。其实在整个工频周期,是有25个工作状态的。 
 
ONO 和 POP 这两种工作模式只给C1 或 C2 充电的状态对后面母线电压均压起决定性的作用。 我们知道,DSP 的 PWM 模块的载波方式不能改变,一般是无法使 DSP 产生幅值相同、相移180度的载波时基.可以用正负半周不同方式实现,具体实现方式如下: 
 
充电桩??榈缏? width=
 
在正半周的时候跟 CMPR+比较,在负半周的时候跟 CMPR-比较。正半周的时候低有效,负半周的时候高有效。这样就可以产生180度的相移了,其中 CMPR-是PI 计算出来的值,而 CMPR+=PRD-CMPR- 三、控制模式我们知道,这种控制电路一般采取双环的控制方式,即电压外环+电流内环。电压外环得到稳定的输出直流电压,供后级电路的使用(如 ThreeLevel LLC、PS Interleave LLC、PSFB等),电流内环得到接近正弦的输入电流,满足 THD 和 PF 值的要求。 
 
充电桩??榈缏? width=
 
其实数字控制无非就是把模拟的方案转换为数字的运算,其中最经典可以参考 TI 的 UC3854,利用它的控制思想来实现数字化。 
 
充电桩模块电路
 
PFC 母线输出电压经过采样和滤波,由 DSP 的 ADC 采样到 DSP 内部,与电压给定信号进行比较,产生误差后经过 Gvc(s) 补偿后输出一个 A 信号,然后通过乘法器与交流 AC 电压相乘得到电流的给定信号,正是该乘法器的作用才能保证输入电压电流同相位,使电源输入端的 PF 值接近1; 将采样的电感电流波形与电流给定进行比较得出误差,经过 Gic(s) 补偿器进行补偿后得到电流环的输出值,该值直接与三角波进行调制,得到PWM 波形,控制电压和电流;大致的控制框图可以用下图来简化表示; 
 
充电桩模块电路
 
其中:?Gcv(s) 电压环的补偿函数? Gci(s) 为电流环的补偿函数? Hi(s) 为电流环采样函数? Hv(s) 为电压环采样函数? Gigd(s) 为电感电流对占空比 D 的函数 
 
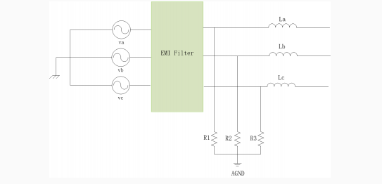
四、控制地 AGND 的选择
 
在传统的单相有桥 PFC 中,一般把 PFC 电容的负极作为控制 AGND,因为该点的电压通过整流桥跟输入的 L、N 相连。 ? 当输入为正半周时,AGND 为整流桥钳位在 N 线;? 当输入为负半周时,AGND 被整流桥钳位在 L 线; 所以母线电容的负极地 AGND(相当于 PE)是一个工频的变化,由于输入一般都是50Hz 的交流电,所以相对还是比较稳定的,可以作为控制电路的控制地。但是相比较 Vienna PFC 就不一样了,母线电容的中点相对与工频电压中点 (PE) 是一个开关级的5电平高频变动的电平:±2/3Vo、0、±1/3Vo(这里的 Vo 代表母线电压的一半,典型值400V),如果以如此大的高频波动去作为控制地的话,那么噪声和共模干扰就会非常大,可能会导致采样电压和驱动不准确,严重影响到电路的可靠性。由于电容中点的高频变化不能作为控制地,那怎么办?我们是否可以人为的构建一个虚拟的地来作为控制地 AGND? 我们可以采用在三相输入之间通过分压电阻相连,采用 Y 型接法来产生虚拟地作为控制地。不过构建了这个控制地后,那么其他所有的采样、驱动都要以差分和隔离的方式相对于这个控制地来工作。 采用这种方法,是不是完美的把电容中点 O 与控制地 AGND 分开了,避免了高频剧烈变动带来的干扰。 
 
充电桩模块电路
 
五、母线均压
 
我们知道,三相 Vienna PFC 拓扑的母线电压 800V 是由两个电容 C1 和 C2 串联进行分压,电容中点的电位 O 由电容的充放电决定,两个电容的电压应该保持均衡以保持真实的三电平运行条件。否则输出电压可能包含不期望的谐波,甚至会影响到电路的完全性。 三相三电平 PFC 正负母线的均衡度会影响 PFC 的性能:① 输入电流 THD② 功率开关管和二极管的应力 (本身以及后级功率电路)③ 动态时母线电容容易过压 电容中点的电位偏差与 PFC 正负母线电容的充放电过程相关,通过附件开关状态可以看出,a 组和 z 组工作状态没有电流流入或流出电容中点,因此两个电容的充放电是一样的,不会产生偏压。只有 b、c、d 组的开关状态才会影响到 PFC 母线电容充放电的差异,产生偏压。根据前面的工作原理分析,POP 工作状态只给电容 C1 进行充电,ONO 工作状态只给电容 C2 进行充电,故可以根据这两个工作状态来控制中点电位,在控制中可以调节 ONO 和 POP 两个工作状态的作用时间来进行均压。 
 
充电桩??榈缏? width=
 
这个时候可以在整个控制环路中添加一个偏压环,用于调节 ONO 和 POP 的作用时间,来进行母线电压的均压作用。 具体实施方法:分别对正母线和负母线进行采样,然后得出差值 (直流分量),该差值经过偏压环的补偿器调节之后叠加到输入电流参考正弦波,经过精密整流后变换为幅值有差异的双半波作为电流环的给定,以此来改变 ONO 和 POP 的作用时间,改善PFC 母线均压。 
 
充电桩??榈缏? width=
 
如下图所示:compa、compb 和 compc 分别是每相的电流环计算出来的结果,以0~30度扇区为例,当正母线相对于中点的电压低于负母线时,正半波的给定变小,负半波的给定变大,POP 工作状态的时间变长,给正母线电容的充电时间变长; 
 
ONO 工作状态的时间变短,给负母线电容的充电时间变短。当正母线相对于中点的电压高于负母线时,正半波的给定变大,负半波的给定变小,POP 的作用时间变长,给正母线电容充电的时间变短,ONO 的作用时间变长,给负母线的充电时间变长。 图中comp 值实线代表上个周期的值,虚线代表当周期需要的值;阴影部分代表变化的时间; 
 
充电桩??榈缏? width=
 
以上说明的是主功率回路正常工作时候可以通过调节来控制 PFC 母线电容的均压,但是当??槠鸹氖焙蚰兀?可以采用辅助电源直接从+400V~-400V 之间进行取电,由于电容有差异性,内阻不可能完全相等,也会差生偏压。 还有一个是要采用更高等级的 MOSFET,成本高,而且现在充电模块的待机损耗也是一个问题,很多客户要求模块的待机损耗不能超过多少。 当然还有另一种辅助电源取电方式,也是现在厂家主流的方式。就是正负母线均挂一个辅助电源,在起机的时候通过充电电阻给母线电容充电,变压器采用绕组竞争的方式,谁的母线电压高,就采用谁供电,这样可以很好的保证??樵谄鸹讨械木剐Ч?;在模块正常工作起来以后,也是同样的道理。而直接从+800V 取电没有这种效果。
 
 六、原理仿真 
 
充电桩模块电路
 
 1. 输出电压波形 
 
充电桩??榈缏? width=
 
 2. 仿真波形输入电流波形,参数没有调好,将就着看吧。 
 
充电桩模块电路
输三相电流波形
 
 3. 桥臂中点的线电压输入线电压峰值与 PFC 总母线电压的比值定义为调制系数 m,m=Vlp/2Ed; 其中 Vlp 是线电压的峰值。 整流器可以被认为是与市电通过 PFC 电感连接的电压源,为了使输入电流正弦,桥臂中点线电压也应该为正弦波形。而实际情况下桥臂中点线电压是正弦 PWM 波形,谐波分量和最大步进是两个主要考虑的因素。 ① 当输入线电压峰值大于 Ed 时,桥臂中点线电压电压波形 euv,是一个5阶梯的电压波形,幅值为0,±400V,±800V,步进是400V; 
 
充电桩??榈缏? width=
 
 ② 当输入线电压峰值小于 Ed 时,桥臂中线线电压波形是一个3阶梯的电压波形,幅值为0,±400V,步进为400V; 
 
充电桩??榈缏? width=
 
桥臂中点相对于市电中点的电压波形 eun,是一个9阶梯的电压波形;幅值为0,±133V,±266V,±400V,最小步进是133V,最大步进是266V;由于功率开关管和散热器之间有寄生电容,这个阶梯信号会产生共模噪声; 
 
充电桩??榈缏? width=
 
电容中点O 相对于市电中点的电压波形 eon,是一个5阶梯波形,幅值为0,±133V,±266V,步进为133V; 
 
充电桩??榈缏? width=
 
 
免责声明:本文为转载文章,转载此文目的在于传递更多信息,版权归原作者所有。本文所用视频、图片、文字如涉及作品版权问题,请联系小编进行处理。
 
推荐阅读:
 
MHL接口的静电保护方案 
安森美AR0234CS图像传感器获人工智能产品创新奖
基于锂离子电池充电器IC的最大功率点追踪系统
电源音频噪声
通过AC整流桥上的有源开关提高效率
特别推荐
技术文章更多>>
技术白皮书下载更多>>
热门搜索

关闭

?

关闭