桃花源qm花论坛(品茶),凤楼阁论坛官网入口网址,一品楼品凤楼论坛最新动态,风楼阁全国信息2024登录入口

你的位置:首页 > 电源管理 > 正文

户外蓝牙音箱如何在两节锂电池7.4V输出相当铅酸电池12V供电的功率?

发布时间:2020-04-01 责任编辑:lina

【导读】铅酸电池一直以来是户外移动中大功率音响的主要供电方式。铅酸电池电压高,输出电流大,直供音频功放可输出2×20W功率。但铅酸电池供电也有其弊端:体积大、不环保、循环充电次数不高。
   
铅酸电池一直以来是户外移动中大功率音响的主要供电方式。铅酸电池电压高,输出电流大,直供音频功放可输出2×20W功率。但铅酸电池供电也有其弊端:体积大、不环保、循环充电次数不高。随着锂电池的技术进步,重量轻体积小、循环充电次数高、绿色环保等优势得以广泛应用。针对户外蓝牙音响便携移动的特性,基于体积重量、使用寿命、环保等因素考虑,双节串联7.4V锂电池是未来一个时期的户外蓝牙音箱理想供电电源(3节锂电因为电池之间的差异要考虑平衡、充电成本等限制其应用普及)。但是两节18650锂电串联的电压是6V-8.4V,在电池直供的情况每个声道只能提供7W/4欧的功率输出,音量偏小。
 
 深圳市永阜康科技有限公司总结市场应用痛点,现在大力推广一颗两节锂电池7.4V供电内置升压双声道D类功放IC-CS85711,可以广泛应用于中高端广场舞音箱、智能音箱、便携式蓝牙音响等产品领域,同时搭配5V输入升压开关型两级锂电充电管理芯片CS5090,可以省掉适配器。其高效率、大功率、外围简单等特性,加速实现在拉杆音箱等领域锂电池替换铅酸电池成为主流供电方式。
 
 CS83711在7.4V锂电池供电内置升压到11.05V,能提供2×20W/3欧峰值输出功率。并且CS83711整体效率高达90%,保证了输出功率恒定、整机要求的播放时间、以及温升在正常范围之内。CS83711另一个亮点是可以支持外接12V电源直供,方便整机预留外置12V电源线夹接口。CS83711还有其他丰富的功能以及性能:两种防破音可选、扩频模式、过流保护、短路?;?、过热?;さ龋患蚪嗟腅QA-28封装生产也非常方便。
 
CS83711应用特性
1. CS83711 7.4V供电对比普通音频功放12V直供输出功率,实测CS83711功率足2×20W。
 
 
户外蓝牙音箱如何在两节锂电池7.4V输出相当铅酸电池12V供电的功率?  
 
户外蓝牙音箱如何在两节锂电池7.4V输出相当铅酸电池12V供电的功率?
 
2. CS83711整机效率测试,实测90%以上。
 
户外蓝牙音箱如何在两节锂电池7.4V输出相当铅酸电池12V供电的功率?
 
3. CS83711脚位图
 
户外蓝牙音箱如何在两节锂电池7.4V输出相当铅酸电池12V供电的功率?
 
4. CS83711管脚说明
 
户外蓝牙音箱如何在两节锂电池7.4V输出相当铅酸电池12V供电的功率?
 
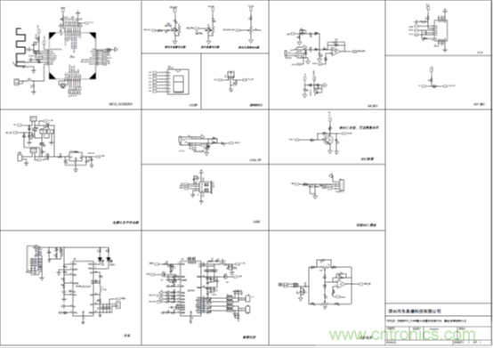
5. 基于CS83711 两节锂电内置升压2×20W蓝牙户外音箱方案原理图
 
户外蓝牙音箱如何在两节锂电池7.4V输出相当铅酸电池12V供电的功率?
 
6. CS83711 功放部分原理图
 
户外蓝牙音箱如何在两节锂电池7.4V输出相当铅酸电池12V供电的功率?
 
7. 基于CS83711 两节锂电内置升压2×20W蓝牙户外音箱方案DEMO PCB顶层设计图
 
户外蓝牙音箱如何在两节锂电池7.4V输出相当铅酸电池12V供电的功率?
 
8. 基于CS83711 两节锂电内置升压2×20W蓝牙户外音箱方案DEMO PCB底层设计图
 
户外蓝牙音箱如何在两节锂电池7.4V输出相当铅酸电池12V供电的功率?
 
9. 基于CS83711 两节锂电内置升压2×20W蓝牙户外音箱方案DEMO贴片图
 
户外蓝牙音箱如何在两节锂电池7.4V输出相当铅酸电池12V供电的功率?
 
10. 基于CS83711 两节锂电内置升压2×20W蓝牙户外音箱方案 DEMO板实物图
 
户外蓝牙音箱如何在两节锂电池7.4V输出相当铅酸电池12V供电的功率?
 
11.整体板DEMO BOM表
 
户外蓝牙音箱如何在两节锂电池7.4V输出相当铅酸电池12V供电的功率?
 
 
 
免责声明:本文为转载文章,转载此文目的在于传递更多信息,版权归原作者所有。本文所用视频、图片、文字如涉及作品版权问题,请联系小编进行处理。
 
推荐阅读:
TDMA噪声难题?你在驱动单通道扬声器时遇到了哪些?
涨知识啦!RGB接口和MCU接口有什么不同?
分析电子设备雷击浪涌抗扰
实现运放负反馈电路稳定性设计,只需这3步!
电磁脉冲传感器在强场强下的校准方法分析
要采购开关么,点这里了解一下价格!
特别推荐
技术文章更多>>
技术白皮书下载更多>>
热门搜索

关闭

?

关闭