【导读】绝大多数机电负载或半导体负载都需要稳定的 DC-DC 电压转换及严格的稳压,才能可靠运行。执行该功能的 DC-DC 转换器通常称作负载点 (PoL) 稳压器,设计时具有最大输入电压及最小输入电压规格,其规格定义了它们的稳定工作范围。这些稳压器的供电网络 (PDN) 的复杂性可能会因负载的数量和类型、整体系统架构、负载功率级、电压等级(转换级)以及隔离和稳压要求的不同而不同。
许多电源系统设计人员将稳压的 DC-DC 转换器视为整体设计的关键。但将合适的电压提供给负载点稳压器,不一定都需要 PDN 稳压,或者对于中间配电母线电压而言 PDN 稳压并不那么重要??悸钦庖坏闶保缭聪低彻こ淌τΩ每悸怯τ霉潭ū嚷?DC-DC 转换器,它可显著的提升PDN 的整体性能。
如何优化供电网络
PDN 性能通常以功耗、瞬态响应、物理尺寸、重量及成本来衡量。影响 PDN 性能的一个主要设计挑战是电压转化的比例和高精度的线/负载调整率。工程师花了大量的时间来处理大量不同的输入/输出 电压转化率,动态调整率以及分布特性来提高性能和可靠性。
如果系统负载功耗处于千瓦级范围内,采用高压设计大容量 PDN,可减少在系统中的电流等级 (P=V•I),因此可以缩小 PDN 尺寸,减轻重量并降低成本(线缆、母线排、主板铜箔电源层)(PLOSS = I2R)。在转换为低压/大电流前,最大限度延长高电压运行时长,尽可能接近负载,是一大优势。
但要让高压、高功率 PDN 接近负载,则需要具有高效率及高功率密度的 DC-DC 转换器。如果输入至输出电压转换比例很大,例如 800V 或 400V 转 48V,最高效率的转换器是提供非稳压的固定比率转换器。这些高效率的转换器,不仅可提供更高的功率密度,而且还因较低的功耗,可提供更便捷的热管理。
何为固定比率转换器?
固定比率转换器的工作原理与变压器类似,但它执行的不是 AC-AC 转换,而是 DC-DC 转换,输出电压为 DC 输入电压的固定比例。与变压器一样,这种转换器不提供输出电压稳压,输入至输出变压由器件的“匝数比”决定。该匝数比称为 K 因数,表示为一个相对于其电压降压能力的分数。K 因数从 K=1 到 K=1/72 不等,可根据 PDN 架构及 PoL 稳压器设计规范进行选择。

图A:双向固定比率转换器的工作原理。 K=1/16 的降压换器,也可用作 K=16/1 的升压转换器。
典型 PDN 电压有低电压 (LV)、高电压 (HV) 和超高电压 (UHV)。
固定比率转换器可以是隔离的,也可以不是隔离的,而且可通过反向电压转换实现双向功率流。例如,一款支持双向功能的 K=1/16 固定比率转换器可以作为一款 K=16/1 的升压转换器。
额外的设计灵活性包括易于并联(可满足更高功率的电源要求)和串联转换器输出的选项(可通过有效改变 K 因数,提供更高的输出电压)等。

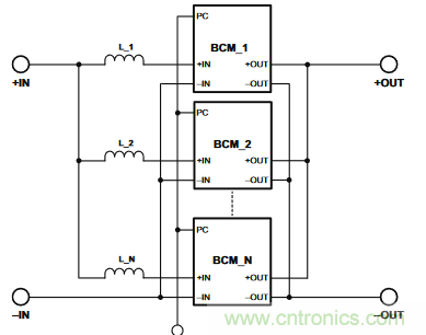
图 B:BCM 转换器易于并联,满足更高的电源需求。
众多终端市场及应用的电源需求急剧上升,因此供电网络正在经历重大变革。由于新特性的增加以及性能水平的不断提升,更高的 PDN 电压(如 48V)正在用于电动汽车、轻型混合动力车以及插电式混合动力汽车。48V 符合许多系统要求的安全电气低电压 (SELV) 标准,而 P=V•I 和 PLOSS=I2R 的简单电源方程式也说明了高压 PDN 效率更高的原因所在。

图 C:输出串连以提高输出电压的 BCM 可实现更高的设计灵活性。
对于给定功率级而言,与 12V 系统相比,48V 系统电流为1/4、线路功耗低为1/16 。在 1/4 的电流下,线缆和连接器可以更小、更轻,而且成本也会更低。用于混合动力汽车的 48V 电池功率是 12V 电池的 4 倍,增加的电源可用于动力系统应用,以减少二氧化碳排放,提高燃油里程数并增加新的安全及娱乐特性。
在数据中心机架中增加了人工智能 (AI),使机架电源需求提高到了 20kW 以上,因此12V PDN的使用 既笨重,效率又低。使用 48V PDN,可获得与混合动力汽车相同的优势。在汽车及数据中心应用中,最好保留原有 12V 负载及 POL 常用降压稳压器,以最大限度减少需要修改的内容。
使用非隔离固定比率转换器解决实际问题
48V 符合 SELV 标准,因此非隔离固定比率转换器是 48V 至 12V DC-DC 转换级的理想之选,因为当前的 PoL 12V 稳压器能够应对输入电压的变化。非隔离、非稳压固定比率转换器是最高效的高功率母线转换器,可实现更低功耗、更高功率密度以及更低的成本。这一高密度有助于最新分布式配电架构用于混合动力汽车,其中非隔离固定比率转换器可布置在负载旁边,因此可在汽车周围最大限度运行更小、更高效的 48V PDN。在刀片服务器中,这种小型非隔离式 48V 至 12V 固定比率转换器可以布置在靠近降压稳压器的主板上。
许多全新 AI 加速卡(如 NVidia 的 SXM 以及开放式计算计划 (OCP) 成员的 OAM 卡)都设计有 48V 输入,因为 AI 处理器功率级在 500 至 750W 之间。要让依然在其机架中使用 12V PDN 背板的云计算及服务器公司使用这些高性能卡,就需要实现 12V 至 48V 的转换。在这些加速卡上(或在更高功率的分布式 12V 至 48V ??橹校┰黾右豢钏?K=1/4 非隔离固定比率转换器,作为 12V 至 48V 升压转换器 (K = 4/1),可轻松将 AI 功能带入老式机架系统。

图 D:原有系统的 48V 电源
Vicor NBM2317 可将 48V 高效转换为 12V,也可将 12V 高效转换为 48V,因为 NBM 是一款双向转换器。双向性可将原有电路板整合在 48V 基础架构中,也可将最新 GPU 整合在原有 12V 机架中。
如何满足需要隔离功能而且要求苛刻的高电压应用需求
电动汽车
在电动汽车应用中,电源需求决定了电池电压必须远远高于目前混合动力汽车使用的 48V,通常选择 400V。400V 转换为 48V,配送给动力总成及底盘周围的不同负载。为支持快速充电,400V 电池由提供稳压 800V DC 输出的充电站通过 800V 至 400V 转换器充电。

图 E:分布式 48V 架构将多个功耗更低的更小转换器布置在接近 12V 负载的位置。
在 400V/48V 及 800V/400V 应用中,由于功率要求高,可有效地使用具有高功率密度、效率在 98% 以上的隔离式 K:1/8(400/48) 及 K:1/2 (800/400) 固定比率转换器并联阵列。稳压可在固定比率转换器级前面或者后面提供。未稳压的功率密度及效率提升,不仅在这一极高功率应用中的这个位置效果显著,而且还可简化热管理。
高性能计算
高性能计算 (HPC) 系统机架功率级通常高于 100kW,因此使用 380VDC 作为主要 PDN。在这些应用中,K:1/8 与 K:1/16 的隔离式固定比率转换器集成在服务器刀片中或通过机架配电的夹层卡上,为主板提供 48V 或 12V 电源。随后由 12V 多相降压转换器阵列或更高效率的高级 48V 至 POL 架构提供稳压。固定比率转换器的密度和效率又一次在实现这类 PDN 架构中发挥重要作用,可实现高性能。
系留无人机
另一项需要隔离的高电压应用就是系留无人机。系留无人机的电源线长度可能会超过 400 米,无人机必须将其提起并保持,才能达到其飞行高度。使用 800V 等高电压,可显著缩减这些笨重电源线的尺寸、重量和成本,从而可实现性能更高的无人机。使用板载固定比率转换器(一般 K=1/16)转换至 48V,可提供非常高效的极小供电解决方案,充分满足机载电子产品及视频有效载荷的需求。

图 F:电压越高,电线就越轻,系留无人机飞得就越高。
5G 通信
现在,全世界的都在提升4G 无线电和天线塔为之前 4G 设备5倍的最新 5G 系统。4G PDN 为 48V,通过线缆从地面电源系统提供。新增 5G 设备,功率级显著提升,如果 PDN 要保持在 48V 电压下,那直径就会非常大,电线就会很重。电信公司正在研究使用 380VDC PDN 的优势,以显著缩小线缆尺寸。在升压模式下使用双向 K 1/8 固定比率转换器,地面 48V 电源系统可向塔顶提供 380V 的电源(K:8/1)。4G 和 5G 系统在塔顶使用 380V 至 48V 稳压转换器,不仅可获得 48V 稳压电源,而且还可通过 380V 细小电线实现更低成本的供电。
固定比率转换器为高性能应用提供高度灵活的 PDN 设计
高性能电源需求在不断上升。企业及高性能计算高级系统、通信与网络基础设施、自动驾驶汽车以及大量交通运输应用只是需要更多电源的高增长产业中的几个。这些市场有一个共同的特点:每个市场都有极大的电力需求,它们都可从高功率密度的小型 DC-DC 转换器解决方案中获益,节省空间并减轻重量。电源系统工程师应当把固定比率转换器作为实现更高性能 PDN 的重要高灵活解决方案,以在整体系统性能方面获得竞争优势。
作者 Phil Davies,Vicor 公司全球销售及市场营销副总裁
Vicor 是一家领先的全球电源??榧际豕?,始终致力于为电源系统设计人员提供高级、高性能??榛饩龇桨?,帮助他们应对最艰巨的电源设计挑战。我们始终站在配电架构、转换拓扑及封装技术的最前沿,不断提高 Vicor 电源??榈拿芏?、效率和供电能力。此外,我们还可为我们的基础设施、工业及汽车应用客户带来竞争优势,帮助他们快速推进其独特的电源系统设计。
推荐阅读:





