桃花源qm花论坛(品茶),凤楼阁论坛官网入口网址,一品楼品凤楼论坛最新动态,风楼阁全国信息2024登录入口

你的位置:首页 > 电源管理 > 正文

如何用隔离式栅极驱动器和LT3999 DC/DC转换器驱动1200 V SiC电源????

发布时间:2019-12-10 来源:Juan Carlos Rodriguez和Martin Murnane, ADI公司 责任编辑:wenwei

【导读】本应用笔记展示了ADuM4136 栅极驱动器的优势,这款单通道器件的输出驱动能力高达4 A,最大共模瞬变抗扰度(CMTI)为150 kV/μs,并具有包括去饱和保护的快速故障管理功能。
 
电动汽车、可再生能源和储能系统等电源发展技术的成功取决于电力转换方案能否有效实施。电力电子转换器的核心包含专用半导体器件和通过栅极驱动器控制这些新型半导体器件开和关的策略。
 
目前最先进的宽带器件,如碳化硅(SiC)和氮化镓(GaN)半导体具有更高的性能,如600 V至2000 V的高电压额定值、低通道阻抗,以及高达MHz范围的快速切换速度。这些提高了栅极驱动器的性能要求,例如,,通过去饱和以得到更短的传输延迟和改进的短路?;?。
 
本应用笔记展示了ADuM4136 栅极驱动器的优势,这款单通道器件的输出驱动能力高达4 A,最大共模瞬变抗扰度(CMTI)为150 kV/μs,并具有包括去饱和?;さ目焖俟收瞎芾砉δ?。
 
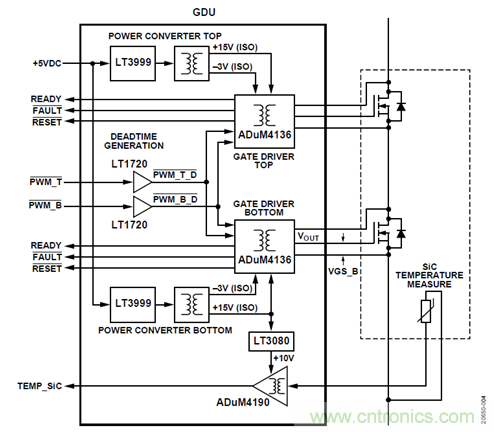
与Stercom Power Solutions GmbH协作开发,用于SiC功率器件的栅极驱动单元(GDU)展现了ADuM4136 的性能(参见图1)。电路板采用双极性隔离电源供电,其基于使用LT3999 电源驱动器构建的推挽式转换器。此单片式高压、高频、DC/DC转换驱动器包含具有可编程限流功能的1 A双开关,提供高达1 MHz的同步频率,具有2.7 V至36 V的宽工作范围,关断电流<1 μA。
 
该解决方案采用SiC金属氧化物半导体场效应晶体管(MOSFET)电源???F23MR12W1M1_ B11)进行测试,SiC??樘峁?200 V的漏源击穿电压、22.5 mΩ典型通道电阻和100 A脉冲漏电流能力,最大额定栅极源极电压为−10 V和+20 V。
 
本应用笔记评估了该解决方案生成的死区时间,并分析研究GDU引入的总传播输延迟。通过去饱和检测,测试了对SiC器件的过载和短路?;すδ?。
 
测试结果表明,该解决方案响应快速。
 
如何用隔离式栅极驱动器和LT3999 DC/DC转换器驱动1200 V SiC电源????
图1.GDU
 
测试设置
 
用于报告测试的完整设置如图2所示。在电源??榱蕉颂峁└哐怪绷魇淙氲缭?V1)。在输入端添加1.2 mF、去耦箔电容组(C1)。输出级为38 μH电感(L1),在去饱和?;げ馐怨讨锌山淞又恋缭茨?榈母弑呋虻捅?。表1总结了测试设置功率器件。
 
如何用隔离式栅极驱动器和LT3999 DC/DC转换器驱动1200 V SiC电源??椋? width=
图2.测试设置原理图
 
表1.测试设置功率器件
如何用隔离式栅极驱动器和LT3999 DC/DC转换器驱动1200 V SiC电源??椋? width=
 
图4中所示的GDU接收来自脉冲波发生器的开关信号。这些信号传送至死区时间产生电路,由LT1720超快、双通道比较器来实现,比较器的输出馈入两个ADuM4136 器件。ADuM4136 栅极驱动器向栅极端发送隔离信号,并从电源??橹械牧礁鯯iC MOSFET的漏极端接收隔离信号。栅极驱动器的输出级由推挽式转换器提供隔离电源,该转换器使用了由外部5 V直流电源供电的LT3999 DC/DC驱动器。SiC??榈奈露炔饬渴褂昧薃DuM4190 高精度隔离放大器。ADuM4190 由LT3080 低压差(LDO)线性稳压器供电。
 
图3展示了实验连接设置,表2描述了去饱和保护测试中使用的设备。
 
表2.测试设置设备
如何用隔离式栅极驱动器和LT3999 DC/DC转换器驱动1200 V SiC电源????
如何用隔离式栅极驱动器和LT3999 DC/DC转换器驱动1200 V SiC电源模块?
图3.测试设备连接图
 
测试结果
 
死区时间和传输延迟
 
硬件死区时间由GDU引入,以避免半桥电源??橹谐鱿侄搪罚庠诖蚩蚬乇崭弑吆偷捅逽iC MOSFET时可能会发生(请参见图4)。请注意,延迟的信号在本文中表示为。
 
在传输延迟测试中,在底部驱动器的信号链上测量死区时间,其由GDU 信号的(有效低电平)输入激发。死区时间通过使用电阻电容(RC)滤波器和LT1720 超快比较器生成。图5至图8显示传输延迟测试的结果。表3描述了图5至图8所示的信号。
 
表3.示波器信号描述(低端驱动器)
如何用隔离式栅极驱动器和LT3999 DC/DC转换器驱动1200 V SiC电源????
 
当输入信号被拉低时,比较器将其延迟输出状态从高变为低,死区时间由RC电路确定(~160 ns,参见图5)。
 
当SiC MOSFET关断,且输入信号被拉高时,与SiC MOSFET开启时测量的延迟时间相比,延迟时间可以忽略不计(~20 ns),如图6所示。
 
开启和关断时在死区时间生成和VGS_B信号切换后测得的延迟时间如图7和图8所示。这些延迟时间比较短暂,分别为66 ns和68 ns,是由ADuM4136。引入的延迟。
 
开启时的总传输延迟时间(死区时间加上传输延迟)约为226 ns,关断时的总传输延迟时间约为90 ns。表4总结了传输延迟时间的结果。
 
如何用隔离式栅极驱动器和LT3999 DC/DC转换器驱动1200 V SiC电源模块?
图4.GDU信号链
 
表4.传播延迟测试结果
如何用隔离式栅极驱动器和LT3999 DC/DC转换器驱动1200 V SiC电源模块?
 
如何用隔离式栅极驱动器和LT3999 DC/DC转换器驱动1200 V SiC电源模块?
图5.死区时间测量,器件开启
 
如何用隔离式栅极驱动器和LT3999 DC/DC转换器驱动1200 V SiC电源????
图6.死区时间测量,器件关断
 
如何用隔离式栅极驱动器和LT3999 DC/DC转换器驱动1200 V SiC电源????
图7.延迟时间测量,器件开启
 
如何用隔离式栅极驱动器和LT3999 DC/DC转换器驱动1200 V SiC电源????
图8.延迟时间测量,器件关断
 
去饱和保护
 
避免驱动开关高压短路的去饱和?;すδ芗稍贏DuM4136 IC上。
 
在此应用中,每个栅极驱动器间接监控MOSFET的漏极至源极引脚的电压(VDS),检查并确认其DESAT引脚的电压(VDESAT)不超过介于8.66 V至9.57 V之间的基准去饱和电压电平VDESAT_REF(VDESAT_REF = 9.2 V,典型值)。此外,VDESAT的值取决于MOSFET操作和外部电路:两个高压?;ざ芎鸵桓銎肽啥埽ú渭?和原理图部分)。
 
VDESAT的值可通过以下等式计算:
 
VDESAT = VZ + 2 ×VDIODE_DROP + VDS
 
其中:
 
VZ是齐纳二极管击穿电压。
 
VDIODE_DROP是每个?;ざ艿恼蜓菇?。
 
在关断期间,DESAT引脚在内部被拉低,未发生饱和事件。此外,MOSFET电压(VMOSFET)高,且两个二极管反向偏置,以?;ESAT引脚。
 
在接通期间,DESAT引脚在300 ns内部消隐时间后释放,两个?;ざ苷蚱茫肽啥艹鱿止收?。在这里,VDESAT电压是否超出VDESAT_REF值取决于VDS的值。
 
正常工作时,VDS和VDESAT电压一直很低。当高电流流经MOSFET时,VDS电压增大,导致VDESAT电压电平升至VDESAT_REF以上。
 
在这种情况下,ADuM4136 栅极驱动器输出引脚(VOUT)在200 ns内变为低电平并去饱和MOSFET,同时生成延迟<2 µs的信号,使栅极驱动器信号(VGS)立即锁定。这些信号只能由RESET引脚解锁。
 
检测电压电平取决于VDS的值,并可通过选择具有击穿电压VZ的合适齐纳二极管设定为任何电平。反过来,可根据MOSFET制造商数据手册中所述的VDS来估计用于去饱和的MOSFET电流(ID)。
 
用栅极脉冲对高边和低边MOSFET进行了两次去饱和?;げ馐?。通过选择不同的齐纳二极管,在每次测试中测试了不同的故障电流。测得的电流值如表4所示,假定最大VDESAT_REF = 9.57 V(最大值),标称VDIODE_DROP = 0.6 V。
 
低边测试
 
25°C室温下,通过在100 V至800 V的范围内改变输入电压(V1),进行了低边去饱和?;げ馐裕ú渭?)。
 
如何用隔离式栅极驱动器和LT3999 DC/DC转换器驱动1200 V SiC电源模块?
图9.低边去饱和?;げ馐?/div>
 
图10至图17显示低边去饱和保护测试的结果。表5说明了图10至图17所示的信号。
 
表5.示波器信号描述(低边测试)
如何用隔离式栅极驱动器和LT3999 DC/DC转换器驱动1200 V SiC电源????
 
在图16和图17中,在25°C下对~125 A的电流触发了去饱和保护,并且故障状态引脚在延迟约1.34 µs后触发为低电平。
 
对电源??榈母弑呓辛死嗨撇馐?,其中在25°C下对~160 A的电流触发了去饱和保护,并在1.32 µs后触发故障状态引脚为低电平。
低边和高边测试的结果表明,栅极驱动解决方案可在<2 µs的高速下,能够上报去饱和检测的电流值,这个电流值接近设定的电流值(参见表4)。
 
表6.去饱和保护测试的计算条件
如何用隔离式栅极驱动器和LT3999 DC/DC转换器驱动1200 V SiC电源????
 
如何用隔离式栅极驱动器和LT3999 DC/DC转换器驱动1200 V SiC电源????
图10.低边测试,V1 = 100 V,无故障
 
如何用隔离式栅极驱动器和LT3999 DC/DC转换器驱动1200 V SiC电源????
图11.低边测试,V1 = 200 V,无故障
 
如何用隔离式栅极驱动器和LT3999 DC/DC转换器驱动1200 V SiC电源模块?
图12.低边测试,V1 = 300 V,无故障
 
如何用隔离式栅极驱动器和LT3999 DC/DC转换器驱动1200 V SiC电源??椋? width=
图13.低边测试,V1 = 400 V,无故障
 
如何用隔离式栅极驱动器和LT3999 DC/DC转换器驱动1200 V SiC电源????
图14.低边测试,V1 = 500 V,无故障
 
如何用隔离式栅极驱动器和LT3999 DC/DC转换器驱动1200 V SiC电源????
图15.低边测试,V1 = 600 V,无故障
 
如何用隔离式栅极驱动器和LT3999 DC/DC转换器驱动1200 V SiC电源????
图16.低边测试,V1 = 800 V,检测到故障
 
如何用隔离式栅极驱动器和LT3999 DC/DC转换器驱动1200 V SiC电源??椋? width=
图17.低边测试,V1 = 800 V,检测到故障(放大)
 
原理图
 
图18至图20显示ADuM4136 栅极驱动器板的原理
 
如何用隔离式栅极驱动器和LT3999 DC/DC转换器驱动1200 V SiC电源????
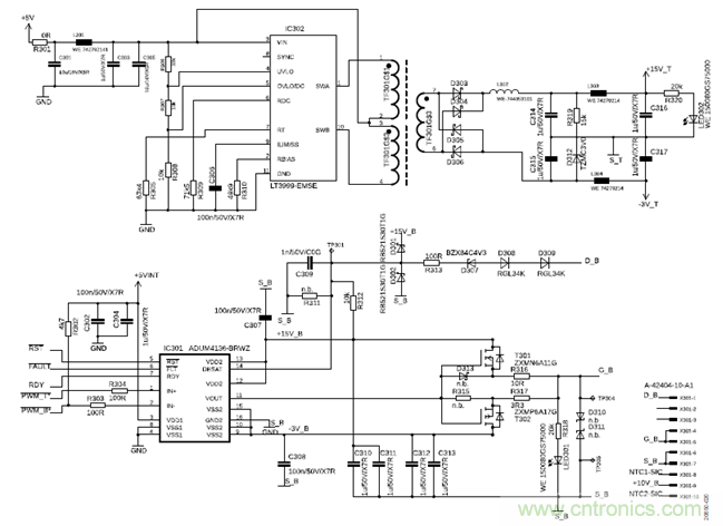
图18.ADuM4136 栅极驱动板原理图(初级端)
 
http://m.5r3h.cn/art/artinfo/id/80037262
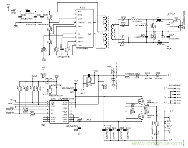
图19.ADuM4136 栅极驱动板原理图(隔离电源和高边栅极信号)
 
http://m.5r3h.cn/art/artinfo/id/80037262
图20.ADuM4136 栅极驱动板原理图(隔离电源和低边栅极信号)
 
结论
 
ADuM4136 栅极驱动器能够通过去饱和?;ど媳ǘ檀溲映俸涂焖俟鞴收稀U庑┯攀平岷鲜实钡耐獠康缏飞杓?,可满足使用SiC和GaN等先进宽禁带半导体器件应用的严格要求。
 
本应用笔记中的测试结果是全栅极驱动解决方案在高电压下驱动SiC MOSFET??榈氖荩⑼üケズ捅;すδ芴峁┏煜煊拖嘤Φ墓收瞎芾?。此栅极驱动解决方案由LT3999,构建的紧凑、低噪声功率转换器供电,其提供具有适当电压电平的隔离电源以及低关断电流和软启动功能。
 
 
推荐阅读:
 
陷波滤波器能有效降低放大器峰值并提高增益平坦度
双AMR电机位置传感器,适用于安全性至关重要的应用
为什么超低阻抗SiC FET受欢迎?它能使系统冷却运行!
粉红还有爆米花,5大常见噪声你弄懂没?
轮式机器人可以应对新的挑战和功能

关闭

?

关闭