【导读】不言而喻,PC电路板的布局设计决定了每一种电源设计的成败。它决定了一个电源的功能、电磁干扰(EMI)和热行为。虽然开关电源布局不是黑魔法,但在设计过程中会经常被忽视,最终发现其至关重要却为时已晚。因此需要一种行之有效的方法,从一开始就削弱这些潜在的EMI威胁,方能确保电源安静而稳定。
虽然许多开关模式电源设计人员都很清楚开关模式电源的设计复杂性和细微差别,但很多公司根本没有足够的设计人员满足所有项目需求完成设计。不少设计人员将退休并离开此行业!那么,如何解决这个问题呢?
首先,就是因为模拟电源设计人员不足,所以要求越来越多的数字设计人员进行开关模式电源设计!虽然大多数数字设计人员都知道如何使用简单的线性稳压器,但并非所有设计都要求降压(降压模式)。事实上,很多是升压模式(升压),甚至是降压-升压拓扑(降压和升压模式相结合)。
显然,许多电子系统制造商都面临一个问题:如何实现系统所需的所有开关模式电源电路?
解决设计资源短缺问题
在本文中,我将介绍降压稳压器工作的一些基本原理,包括开关稳压器热回路中的高di/dt和寄生电感如何导致电磁噪声和开关振铃。然后我们将看看如何减少高频噪声。我还将介绍ADI的Power by LinearTM Silent Switcher®技术,包括它如何构成,并演示它如何帮助解决EMI问题,且丝毫不会影响性能。其中还包括SilentSwitcher器件如何工作。
我还将概述Silent Switcher的封装和布局,讨论这些封装和布局如何提高降压转换器的整体性能。此外,我将演示如何将此技术融入我们的μModule®稳压器,从而提高SilentSwitcher器件的集成度。对于不熟悉开关模式电源设计技术的设计人员,这些简单易用的解决方案会很有用。
基本降压稳压器电路
最基本的电源拓扑之一是降压稳压器,如图1所示。EMI从高di/dt回路开始。供电线和负载线不应具有高交流电流分量。因此,输入电容C2应将所有相关电流的交流分量传输至输出电容C1,所有电流交流分量在这里结束。

图1. 同步降压稳压器原理图。
参考图1,在M1关闭而M2打开的开启周期中,交流电流在实线蓝色回路中流动。在关闭周期中,当M1打开而M2关闭时,交流电流在绿色虚线回路中流动。大多数人难以理解,产生最高EMI的回路既不是实线蓝色回路,也不是虚线绿色回路。而是虚线红色回路中流动的全开关交流电流,从零切换至I峰值,再回到零。虚线红色回路通常指热回路,因为它有最高交流电流和EMI能量。
导致电磁噪声和开关振铃的是开关稳压器热回路中的高di/dt和寄生电感。要减少EMI并改进功能,需要尽量减少虚线红色回路的辐射效应。如果我们能够将虚线红色回路的PC电路板面积减少到零,并且能够买到具有零阻抗的理想电容,就能解决这个问题。然而,在现实世界中,设计工程师所能做的就是找到一个最佳的折中方案!
那么,这些高频噪声到底是从哪里来的呢?在电子电路中,通过寄生电阻、电感和电容耦合,在开关转换过程中,产生了高频谐波。知道是哪里产生噪声,那么如何减少高频开关噪声呢?减少噪声的传统方式是减慢MOSFET开关边缘。通过减慢内部开关驱动器或从外部添加缓冲器,就可以实现。
但是,这会降低转换器的效率,因为增加了开关损耗——特别是当开关稳压器在高开关频率(如2MHz)下运行时。说到这里,我们为何要在2MHz的频率下运行呢?实际上有几个原因:
● 它允许使用较?。ǔ叽纾┑耐獠吭?,如电容和电感。例如,每次开关频率加倍,会使电感值和输出电容值减半。
● 在汽车应用中,在2 MHz下开关可以避免在AM频段产生噪声。
减小辐射,也可使用滤波器和屏蔽,但这需要更多的外部元件和电路板面积?;箍刹捎谜蛊?SSFM)技术,但这样在已知范围内会使系统时钟抖动。SSFM有助于满足EMI标准要求。EMI能量被打散分布在频域上。虽然普通开关电源所选的开关频率通?;嵩贏M频段之外(530 kHz至1.8 MHz),但在AM频段内,未经调制的开关谐波仍可能不符合严格的汽车EMI要求。添加SSFM功能可明显减少AM频段内及其他区域中的EMI。
或者就使用ADI的Silent Switcher技术,该技术能够满足上述所有要求:
● 高效率
● 高开关频率
● 低电磁辐射(EMI)
Silent Switcher技术
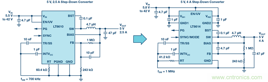
Silent Switcher器件无需减慢开关边缘速率,解决了EMI和效率之 间的权衡问题。那么如何才能实现呢?考虑使用LT8610, a如图2 左侧所示。这是支持42 V输入的单片(内部有FET)同步降压转换器,可提供高达2.5 A的输出电流。请注意,其左上角有一个输入引脚(VIN)

图2. 如何将LT8610转换为Silent Switcher器件——LT8614。
但是,将LT8610与LT8614 (支持42V输入的单片同步降压转换器,可提供高达4 A的输出电流)相比,我们可以看到,LT8614在封装的另一侧有两个VIN引脚和两个接地引脚。这很重要,因为它是实现超低噪声开关的一部分!
如何使开关稳压器具有超低噪声
如何实现这个目标?在芯片另一侧的VIN 和接地引脚之间放置两个输入电容可消除磁场?;玫破型怀鱿允玖苏庖坏悖谠硗己脱菔景迳暇煤焐分赶虻缛莸奈恢?,如图3所示。

图3. LT8614图,显示滤波器电容安置在IC另一侧的VIN和接地引脚之间。
LT8614详情
LT8614包含Silent Switcher功能。利用该功能,我们通过使用铜柱倒装芯片封装能够减少寄生电感。此外,还有反向VIN、接地和输入电容,可消除磁?。ㄊ视糜沂址ㄔ颍┮越档虴MI辐射。
由于不需要使用焊线键合式装配技术所要求的长键合线,不会产生大的寄生电阻和电感,从而可减小封装寄生电感。两个对称分布的输入热回路产生的反向磁场相互抵消,并且电回路没有净磁场。
我们将LT8614 Silent Switcher稳压器与当前先进的开关稳压器LT8610进行比较。在GTEM室中,对两个器件的标准演示板使用相同负载、相同输入电压和相同电感进行了测试。我们发现,与使用LT8610具有很不错的EMI性能相比,使用LT8614时还能提高20dB,特别是在管理更高频率更困难的区域。在整体设计中,与其他敏感系统相比,LT8614开关电源需要的滤波更少、距离更短,从而可以实现更简单紧凑的设计。此外,在时域内,LT8614在开关节点边缘的性能良好。

图4. LT8614辐射EMI性能可满足最严格的CISPR 25 Class 5限制要求。
Silent Switcher器件的进一步增强
尽管LT8614具有出色的性能,但我们并没有停止改进的步伐。于 是,LT8640 降压稳压器采用Silent Switcher架构,旨在最大限度地 减少EMI/EMC辐射,同时在高达3 MHz的频率下提供高效率。它采用3 mm × 4 mm QFN封装,采用集成电源单片式结构,同时提供所有必需的电路功能,共同构成PCB占用空间最小的解决方案。瞬态响应性能仍然很出色,任何负载(从零电流到满电流)时的输出电压纹波低于10 mV p-p。LT8640允许在高频率下进行高VIN到低VOUT转换,最短开关导通时间为30 ns。
为改进EMI/EMC,LT8640可工作在展频模式。该功能以20%的三角调频调整时钟。当LT8640处于展频调制模式时,使用三角调频功能在RT设定值与约高于该值20%之间调整开关频率。调制频率约为3 kHz。例如,当LT8640设为2 MHz时,3kHz速率下的频率将从2MHz至2.4MHz不等。选择展频工作模式时,突发模式Burst Mode®操作会禁用,器件将在脉冲跳跃模式或强制连续模式下运行。
然而,尽管我们在Silent Switcher数据手册中都有说明,如提供了原理图和布局建议,以及将输入电容放在尽可能靠近IC两侧的位 置——有一些客户仍然会出错。此外,我们的内部工程师也花了太多的时间来解决客户的PCB布局问题。因此,我们的设计人员提出了解决此问题的最佳解决方案——Silent Switcher 2架构。
Silent Switcher 2
采用Silent Switcher 2技术,我们只需将电容集成在新LQFN封装内:VIN电容、IntVCC和升压电容——尽可能靠近引脚放置。优势是将所有热回路和接地层都包括在内,从而降低了EMI。外部元件越少,解决方案尺寸就越小。此外,我们还消除了PCB布局敏感性。
如图5所示,可以看出LT8640和LT8640S 的原理图有何不同。而营 销突破口是为包含内部电容的集成度更高的新版本冠以“S”的后缀。因为它比第一代更“安静”!

图5. LT8640S是一款具有更高的电容集成度的Silent Switcher 2器件。
Silent Switcher 2技术提高了散热性能。LQFN倒装芯片封装上的多个大尺寸接地裸露焊盘有助于封装和PCB散热。由于我们消除了高电阻键合线,因此还提高了转换效率。LT8640S的EMI性能轻松满足辐射EMI性能CISPR 25 Class 5峰值限制要求并且有较大的裕量。
下一步:所有组件都与Silent Switcher 2 μModule稳压器集成
Silent Switcher技术如此引人注目,我们选择将其融入我们的 μModule稳压器产品线。所有组件都集成在一个小尺寸封装中, 为用户提供了一个简单可靠、高性能和高电源密度的解决方案。 LTM8053 和LTM8073是几乎集成了所有组件的微型??槲妊蛊鳎挥猩倭康缛莺偷缱杞釉谕獠?。

图6. LTM8053 Silent Switcher 2 μModule。
总结
综上所述,Silent Switcher功能和优势将使您的开关模式电源设计更容易满足CISPR 32和CISPR 25等各种抗噪标准要求。它们能够 轻松有效地做到这一点是由于以下特性:
● 能够在大于2 MHz开关频率下进行高效转换,并且对转换效率的影响最小。
● 内部旁路电容减少EMI辐射并提供更紧凑的解决方案占板空间。
● 采用Silent Switcher 2技术基本上消除了PCB布局的敏感性。
● 可选展频调制有助于降低噪声敏感度。
● 使用Silent Switcher器件既可节省PCB面积,又可减少所需的层数。
推荐阅读:






