【导读】复杂的高功率密度数字集成电路(IC),例如图形处理器单元(GPU)和现场可编程门阵列(FPGA),常见于功能丰富的电子环境中,包括:
● 汽车
● 医疗
● 电信
● 数据通信
● 工业
● 通信
● 游戏设备
● C消费类音频/视频
市场渗透率如此之高,全球对大电流低压数字IC的需求激增也就不足为奇了。当前全球市场规模预估超过18亿美元,预计该市场在2018年至2025年期间年增长率为10.87%,将达到37亿美元。作为该市场最大的组成部分之一,预计FPGA的市场规模到 2025年底将达15.3亿美元。数字IC市场的其他代表产品还包括 GPU、微控制器和微处理器、可编程逻辑器件(PLD)、数字信号处理器(DSP)和专用集成电路(ASIC)。
高功率密度数字IC几乎已经渗透进入所有的嵌入式系统。FPGA可以在上述市场领域实现先进应用。例如,在汽车应用中,高级驾驶员辅助系统(ADAS)和防撞系统可以预防由人为错误而引起的灾难。同样,政府规定的安全功能(诸如防抱死制动系统、稳定性控制和电子控制的独立悬挂系统等)也需要FPGA来发挥作用。
在消费类电子产品领域,对物联网(IoT)功能、复杂的图形引擎功能和机器对机器(M2M)功能的需求迫切需要先进的数字IC。海量数据存储、云计算中心以及光网络模块的扩展网络推动了对FPGA和数字IC的需求。
这些数字IC功能强大,但要求严苛,特别是在功率需求方面。传统上,为FPGA和ASIC供电一直采用高效开关稳压器控制器驱动高功率MOSFET完成,但是这些基于控制器的电源方案存在潜在的噪声干扰、相对较慢的瞬态响应和布局限制等问题。近年来,可最大限度减少热量的小型且安静的低压差(LDO)稳压器已 经被用作替代方案,但它仍然存在自身的局限性。最近的电源转换创新引入了高功率单片式开关稳压器,它能够为数字IC有效供电,兼具低噪声和高效率,同时还最大限度地降低了空间需求。
开关稳压器、电荷泵与LDO稳压器
实现低电压、大电流降压转换与调节可采用多种方法,每种方法都有各自的性能和设计权衡考量??匚妊蛊骺刂破髂芄辉诳淼缪狗段诤透吒涸氐缌飨赂咝г诵校切枰喔鐾獠吭ㄈ绲绺?、电容和FET)才能运行;而这些元件可能会成为高频和低频噪声的来源。无电感电荷泵(或开关电容电压转换 器)也可以用来产生低电压,但其输出电流能力受限,瞬态性能较差,并且需要多个外部元件。因此,电荷泵在数字IC电源应用中并不常见。线性稳压器(尤其是LDO稳压器)很简单,因为它们只需要两个外部电容即可工作。但是,它们的功率可能受限,这取决于IC两端输入到输出的电压差大小、负载所需 电流的大小以及封装的热阻特性。这无疑限制了它们为数字IC供电的能力。
单片式降压型转换器的设计挑战
摩尔定律自1965年问世以来,其远见性和有效性一再得到验证。晶圆制造技术的线宽不断缩小,从而降低了数字IC的电压。更小的几何形状工艺可以在最终产品中高度集成更多的高耗电功能。例如,现代计算机服务器和光通信路由系统需要更宽的带宽来处理更多的计算数据和互联网流量;这些系统还会产生大量的热量,因此需要高效率的IC。汽车配备更多的车载电子设备,用于娱乐、导航、自动驾驶功能甚至发动机控制。于是,系统的电流消耗和相应的总功耗都会增加。因此,需要先进的封装和内部功率级的创新设计将热量驱散出功率IC,同时提供更高的功率。
高电源抑制比(PSRR)和低输出电压噪声(或纹波)是重要的考虑因素。具有高电源抑制比的器件可以过滤和抑制输入噪声,从而获得干净稳定的输出。此外,电源解决方案需要在宽带宽范围内具有低输出电压噪声(或低输出纹波),因为现代数字系统具有多个电源轨,其中噪声灵敏度是设计的主要考虑因素。随着高端FPGA对速度要求的提高,电源噪声容差逐渐降低,以最大限度地减少误码。噪声引起的数字故障会大大降低这些高速PLD的有效数据吞吐速率。大电流下的输入电源噪声成为对电源要求更严苛的规范之一。
收发器速率越高(例如在FPGA中),导致电流水平越高,这是由精细的几何形状电路切换产生的高功耗所致。这些IC速度很快。它们可能循环的在几十至几百纳秒内就使负载电流从接近零到几安培,因此需要具有超快速瞬态响应的稳压器。
随着留给功率稳压器的电路板面积不断减少,许多系统设计人员转向使用工作于快速开关频率下的单片式开关稳压器,以减小外部元件的尺寸和整体解决方案的尺寸,这意味着需要接受因更高频率下的开关损耗而导致一些效率损耗的权衡取舍。使用新一代单片式开关稳压器可以避免这种权衡取舍。这些新的 稳压器集成了高边和低边开关,具有同步操作功能,可以严格控制开关栅极电压,大大缩短了死区时间,即使在高频率下也可以实现更高的效率。
大电流单片式开关的最大挑战之一是能否散发由IC内功率损耗产生的热量。这一难题可以通过使用多个电源引脚和接地引脚以及带有铜(Cu)柱的耐热性能增强型层压式封装来解决,该封装可以很轻松地将热量从IC传输到电路板上。将较大的板上覆铜平面连接到这些电源引脚,使热量分布更均匀。
全新Silent Switcher降压型转换器系列
显然,适合高性能数字IC的降压型转换器解决方案必须具有以下特性:
● 快速开关频率,以使外部元件的尺寸最小
● 零死区时间设计,以使高频效率最大
● 单芯片板载电源器件,以使解决方案尺寸更小
● 多相操作支持并联运行,以实现高输出电流并减少纹波
● 低EMI,以满足低系统噪声要求
● 同步操作,以实现高效率和低功率损耗
● 设计简单,以缩短设计周期并简化认证与测试
● 输出纹波极低
● 快速瞬态响应时间
● 在宽输入/输出电压范围内工作
● 高输出电流能力
● 出色的散热性能
● 紧凑的尺寸
ADI公司 Power by LinearTM LTC33xx系列单片式高、中和低电流降压型稳压器具备这些特性。电流最高的器件是LTC3310S, 它是一款5 V、10 A的高功率密度、低 Silent Switcher® 2 单片式同步降压型转换器,采用9 mm2 封装(功率密度 = 1.11 A/mm2)。该器件的固定频率峰值电流模式架构非常适合要求快速瞬态响应的应用。LTC3310S采用集成了热环路旁路电容的Silent Switcher 2架构,可在高达5 MHz的频率下实现高效率、小占板面积的解决方案以及出色的EMI性能。多相操作支持最多四个器件直接并联,以提供高达40 A的输出电流。
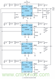
LTC3310S的2.25 V至5.5 V输入范围支持众多应用,包括大多数中间总线电压。集成的低导通电阻MOSFET可提供高达10 A的连续负载电流,且热降额极少。0.5 V至 VIN 的输出电压范围非常适合负载点应用,比如高电流、低电压的DSP/FPGA/GPU/ASIC设计。其他主 要应用包括光网络、电信/数据通信、汽车系统、分布式电源架构及任何中高功率密度系统。图1显示了典型设计的简洁性,图2则显示了产生4相 40A配置非常简单。

图1. LTC3310S典型应用。

图2. 4个LTC3310S单片式稳压器并联构成一个4相、40A降压型稳压器。
LTC3310S低至35 ns的最短导通时间可实现高频率下的大降压比,并且当输入与输出电压值接近时,100%占空比操作可提供低压差性能。工作频率可同步至一个外部时钟。LTC3310S的总体基准电压精度在-40°C至+125°C的工作结温范围内优于±1%。其他特性包括指示输出处于稳压状态的电源良好信号、精准使能门限、输出过压?;?、热?;?、芯片温度监视器、可编程软启动、跟踪、时钟同步、模式选择和输出短路?;?。
LTC3310S采用耐热性能增强型18引脚3 mm×3 mm×0.94 mm LQFN封装。E级和I级器件的额定工作结温范围为-40°C至+125°C,而J级和H级的额定工作结温范围为-40°C至+150°C。
高效率、低EMI和快速瞬态响应
Silent Switcher降压型稳压器设计在高开关频率(>2 MHz)下提供高效率、超低电磁干扰(EMI)辐射,从而可实现非常紧凑且低噪声的降压解决方案。Silent Switcher系列采用特殊的设计和封装技术,在2 MHz下能够实现>92%的效率,同时可以轻松符合CISPR 25 5类峰值EMI限制。新一代的Silent Switcher 2技术的内部结构采用铜柱代替键合线,增加了内部旁路电容,以及集成式衬底接地平面以进一步提高EMI,使其对PCB布局不敏感,从而可简化设计并 降低性能风险。
LTC3310S产品型号中的“S”代表它采用第二代Silent Switcher技术。IC集成了VIN陶瓷电容,以保持所有快速交流电流环路都很小,从而改善了EMI性能。该技术支持快速开关边沿,在高开关频率下可提供高效率,同时实现良好的EMI性能(参见图3、图4和图5)。此外,它允许更快速、更干净的低过冲开关边沿,从而大大提高了在高开关频率下的效率。图6显示了LTC3310S的高效率性能。

图3. CISPR 25传导EMI辐射,5类峰值限制(电压法)。

图4. 水平极性辐射。

图5. 垂直极性辐射。

图6. LTC3310S效率性能。
LTC3310S的固定频率峰值电流模式架构简化了补偿,使IC能够快速响应瞬态阶跃。外部补偿元件使控制环路得以优化,以实现更高带宽和更快速的瞬态响应。
采用2 mm × 2 mm封装的6 A、4 A和3 A Silent Switcher降压器
对于更高的功率密度,第一代Silent Switcher架构是一个很好的解决方案。Silent Switcher拓扑与Silent Switcher 2拓扑类似,只是 VIN 旁路电容位于外部,而不是位于塑料密封的倒装芯片层压式封装内部。为了完全实现Silent Switcher的低EMI性能,需将外部 VIN旁路电容对称放置于封装外部。这种电容分离式的对称放置可以最大限度地减少热环路的有效面积,从而降低EMI并缩小封装占位尺寸。
LTC3309A, LTC3308A 和 LTC3307A 是5 V输入的稳压器,可分别支持 6 A、4 A和3 A,以实现高功率密度、低EMI单片式降压转换。它们的工作频率均可达3 MHz,封装尺寸为 4 mm2 (LTC3309A的功率密度 = 1.5 A/mm2)。
图7显示了一个LTC3309A的典型应用。固定频率峰值电流模式架构非常适合于快速瞬态响应,包括 Burst Mode® 操作期间的快速瞬态响应(参见图8)。LTC3309A采用Silent Switcher架构,并利用了外部热环路旁路电容。这种设计可在高工作频率下实现高效率、 小占板面积的解决方案和出色的EMI性能。
该系列输入电压范围为2.25 V至5.5 V,可支持多种应用,包括大多数中间总线电压,并与锂电池和镍电池类型兼容。集成的低导通电阻MOSFET可提供高达6 A的连续负载电流。0.5 V至 VIN的输出电压范围非常适合负载点应用,比如高电流/低电压DSP/FPGA/GPU/ASIC参考设计。其他主要应用包括电信/数据通信和汽车系统、分布式电源架构和通用电源系统。
LTC3309A、LTC3308A和LTC3307A可工作在强制连续或跳脉冲模式(以实现低噪声)或低纹波、低 IQQ突发模式(以在轻负载条件下实现高效率),非常适合电池供电型系统。低至22 ns的最短导通时间仍可实现高降压比,即使电源工作在较高频率下也是如 此,并且当输入与输出电压值相同时,100%占空比操作可提供低压差性能。工作频率可同步至一个外部时钟。总体基准电压精度在-55°C至+150°C的工作结温范围内优于±1%。该器件可在过载情况下安全地承受电感饱和。其他特性包括指示输出处于稳压状态的电源良好信号、内部软启动、精准使能门限、输出 过压与短路保护、热停机和时钟同步。
LTC3309A、LTC3308A和LTC3307A均为引脚兼容的器件,采用耐热性能增强型、外形扁平的12引脚2 mm × 2 mm × 0.74 mm LQFN紧凑型封装。E级和I级器件的额定工作结温范围为-40°C至+125°C。J级和H级的额定工作结温范围为-40°C至+150°C,MP级的额定工作结温范围为-55°C至+150°C。

图7. LTC3309A典型应用电路。

图8. LTC3309A在突发模式操作时的瞬态响应。
表1比较了LTC33xx Silent Switcher和Silent Switcher 2系列的产品特性。
表1. 故障模式和支持的范围

结论
高性能数字IC(例如GPU、FPGA和微处理器)的趋势是电流需求迅速增加且工作电压下降,这得益于晶圆制造技术的线宽缩小。电流和电压需求只是整个电源设计的一个部分。数字IC的进步还提出了许多其他要求,包括快速瞬态响应、低EMI、低噪声/纹波以及有效运行以减少热量。
传统上,数字IC采用LDO稳压器或基于电感的开关稳压器控制器以及板外功率器件供电。随着对电源性能和尺寸要求的提高,在许多情况下,这些传统方法不再能胜任此任务。ADI公司新一代的单片式电源则完全能够胜任,这些产品包括LTC3310S、LTC3309A、LTC3308A和LTC3307A,分别支持10 A、6 A、4 A和3 A。这些高功率密度的Silent Switcher和Silent Switcher 2降压型稳压器采用高散热效率、紧凑的倒装芯片层压式封装,并具有多种特性组合,可满足多种数字IC电源问题的需求。
推荐阅读:



