交通运输系统需求
交通运输系统的输入电压可能高达 14V (单电池供电汽车)、28V (双电池供电卡车、客车和飞机)、或更高电压,而其数字系统需要一个或更多个低压轨。因此,设计这类系统时,需要了解怎样才能简便、高效和可靠地从很高的输入电压降压。以下图 1 显示,汽车环境中的输入电压可能视其运行状态的改变而改变,而其运行状态可能包括负载突降变化到冷车发动的各种情况,甚至出现电池反向连接。
图 1:典型的汽车瞬态情况
NOMINAL 14V:标称 14V
120V LOAD DUMP:120V 负载突降
6V CRANK:6V 冷车发动
85V NOISE:85V 噪声
24V JUMP START:24V 猛然起动
REVERSE BATTERY:电池反向连接
当应用要求以非常高的效率进行电源转换,以最大限度减少转换过程中由功率损耗导致的热量时,采用开关稳压器解决方案是有帮助的??匚妊蛊鞅局噬鲜堑テ骷?,片内集成了 MOSFET,采用了同步或非同步配置?;蛘?,开关稳压器也可以由一个开关控制器组成,该控制器驱动采用单级或多级拓扑 (多相) 的外部 MOSFET,以提供数十安培至数百安培级的功率。为了满足如此大的功率范围要求,ADI公司提供了广泛的开关稳压器解决方案,以使用户能够按照最终系统所需的特定设计标准,选择最适用的器件。相应地,我们的开关稳压器有非??淼氖淙氲缪狗段?/font> (从 5V 直至 150V),输出功率级从数百毫安直至高于 1,000A。
这种开关稳压器的一个例子是 LTC3895,该器件是一个具有 150V 输入的同步降压型转换器,可配置为多相运行,如图 2 所示。

图 2:LTC3895 原理图以及效率随功率损耗变化的曲线
VOUT FOLLOWS VIN WHEN VIN < 12V:VIN < 12V 时,VOUT 跟随 VIN
EFFICIENCY:效率
POWER LOSS:功率损耗
LOAD CURRENT:负载电流
在任何交通运输系统中都有一个常见问题:怎样才能在不影响性能和转换效率的前提下,获得高降压比和占板面积紧凑的解决方案? 直到不久前,依然没有一款解决方案能够在不牺牲其他性能的情况下达到所有关键性能标准。不过,随着ADI公司单片、2MHz 以上、同步降压型转换器 LT86xx 系列的推出,所有必要的性能标准都可以立即得到满足了。
一个很好的例子是 LT8609,这是一款 2A、42V 输入同步降压型开关稳压器。独特的同步整流拓扑提供 93% 的效率,而以 2MHz 频率切换使设计师能够避开关键噪声敏感频段,例如 AM 无线电,同时可提供占板面积非常紧凑的解决方案。突发模式 (Burst Mode®) 运行在无负载备用情况下保持静态电流低于 2.5μA,从而使该器件非常适合始终保持接通的系统。LT8609 的 3.0V 至 42V 输入电压范围使其非常适合汽车应用,这类应用必须以低至 3.0V 的最低输入电压稳定通过冷车发动和停-启情况,并稳定通过超过 40V 的负载瞬态。其内部 3.5A 开关可在峰值负载电流为 3A 时,提供高达 2A 的连续输出电流。原理图和相应于 2MHz 切换频率的效率曲线如图 3 所示。

图 3:LT8609 原理图和效率曲线
由于在单电池或双电池供电车辆中,冷车发动和负载突降情况很常见,所以很多交通运输系统都提供很宽的输入电压范围。而且使情况更加复杂的是,所需输出电压有可能超出这种已经很宽的输入电压范围。因此,系统设计师面临的复杂问题是,无论输入电压是高于、低于还是等于输出电压,所设计的解决方案都必须允许固定输出。
解决这种问题的常见方法是采用 SEPIC 拓扑转换器。不过这种转换器的设计很复杂,需要两个电感器,而且通??占淅寐屎妥恍识疾桓摺R虼?,ADI公司设计了广泛的 4 开关降压-升压型控制器,这些控制器不仅简化了设计,还提供很高的空间利用率和转换效率,功率损耗在 5% 至 7% 之间 (视输入至输出电压范围而定)。图 4 所示 LT8705 是一个 4V 至 80V 输入的降压-升压型控制器例子,该器件提供车辆环境中常见的一个固定 12V 输出。

图 4:详细的 LT8705 原理图,从 4V 至 80V 输入提供固定 12V 输出
INCREASED VOUT RIPPLE FOR VIN > 60V:VIN > 60V 时,VOUT 纹波增大
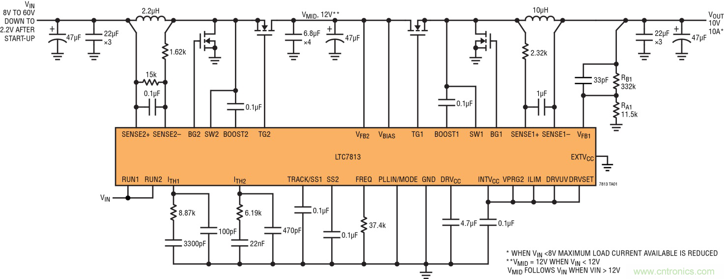
解决汽车冷车发动问题的另一种方法是,采用升压型转换器,后面再跟一个降压型转换器。在这种拓扑中,从单电池提供的升压型转换器之输出设定为比电池的标称电压高出几伏,然后再用一个降压型转换器对其降压,使其达到下游电子组件所需的工作电压。尽管这种方法需要两个转换器,但是ADI公司已经开发出一款整合了升压型控制器和降压型控制器的器件,两个控制器既可独立使用,又可作为升压-降压跟随器使用。图 5 中用LTC7813 说明这种器件的工作原理。

图 5:LTC7813 原理图 ~~ 一个级联的升压及降压型单输出控制器 IC
8V TO 60V DOWN TO 2.2V AFTER START-UP:8V 至 60V,启动后降至 2.2V
低噪声电源管理
电磁辐射 (EMR)、电磁干扰 (EMI) 和电磁兼容 (EMC) 这些术语与带电粒子及有关磁场的能量有关,这种能量有可能影响电路性能和干扰信号传输。随着无线通信的普及、大量通信设备的涌现以及通信方法日益增多、占用越来越多的频谱 (有些频段是相互重叠的),电磁干扰已经成为挥之不去的事实。为了减轻电磁干扰的影响,很多政府机构和监管机构都设定了通信设备及仪器仪表的电磁辐射限度。
因此,很显然的是,低辐射是很多汽车和交通运输设备制造商的关键要求。系统设计师怎样才能满足汽车 CISPR 25、Class 5 (图 6 所示) 的严格要求,同时仍然保持高效率和很小的解决方案尺寸呢?
图 6a:LT8614 的辐射值远低于 CISPR25、Class 5 限制
AMPLITUDE:幅度
VERTICAL POLARIZATION:垂直极化
PEAK DETECTOR:峰值检测器
CLASS 5 PEAK LIMIT:Class 5 峰值限制
FIXED FREQUENCY MODE:固定频率模式
SPREAD SPECTRUM MODE:扩展频谱模式
FREQUENCY:频率
图 6b:采用 Silent Switcher 拓扑的 LT8614
一种答案也许是采用ADI的 Silent Switcher® 系列器件。以 LT8614 为例,这是一款42V 输入、4A 输出、单片降压型转换器,以高于 2MHz 的开关频率和 94% 的转换效率切换,由于其很短的 30ns 最短接通时间,因此可满足 16V 输入至 1.8V 输出降压比。此外,由于采用了已获专利的 Silent Switcher 技术,所以该器件可超越 CISPR 25 和 CISPR 22 Class B辐射要求,如图 7 所示。

图 7:LT8614 满足 CISPR 22 和 CISPR 25 要求
NOISE FLOOR:噪声层
FREQUENCY:频率
RADIATED NOISE LEVEL:辐射噪声值
CISPR 22 RADIATED CLASS B LIMITS:CISPR 22 Class B 辐射限制
低静态电流也是关键要求
在交通运输电子系统中,有很多应用要求连续供电,甚至在车辆已经停泊后,例如??匚拊砍捉?、安防甚至个人信息娱乐系统,这类应用通?;拱ǖ己?、GPS 定位和紧急呼叫系统。也许难以理解,为什么这些系统甚至在车辆未行使时也必须保持接通,不过可以理解的是,为了应对紧急情况和保证安全,GPS 系统必须“始终保持接通”。这种要求很有必要,以便在需要时通过外部操作运用基本控制功能。
这类应用的一个关键要求是低静态电流,以延长电池寿命。自 2010 年以来,ADI一直在生产备用静态电流低于 10mA 的开关稳压器,我们最近推出的一些较新产品的备用静态电流已经低于 2mA 了。因此,这些产品已经为应用于很多汽车电子系统做好了充分准备。
结论
ADI公司提供了丰富的开关稳压器产品,这些产品满足对开关稳压器的所有要求,而且这些产品的特性非常适合多种交通运输系统,其特性包括:
· 很宽的输入电压范围:2.xV 至 150V
· 在备用模式具低静态电流:典型情况下低于 10mA
· 最低限度的输出噪声和很低的 EMI / EMC 辐射
· 扩展的温度范围:在 150°C 环境温度和结温时保证运行
· 高效率:满负载时高达 97%,轻负载情况下高达 80%
· 低热阻封装:低至 10°C/W (qjc)
· 以高降压比、高开关频率运行:高达 4MHz
· 高电流密度:采用 3mm x 5mm MSOP 封装,提供高达 5A 连续输出电流
· 行业领先的 FIT 率:典型情况下低于 0.2
推荐阅读:
电阻器色环编码的小秘密,一开始我也不知道!
解决产品电磁兼容问题,工程师都用哪些方法呢?
菜鸟与老手搭电路板有什么区别?一比吓一跳!
引发电路故障很难检测,通常就是这个原因!



