桃花源qm花论坛(品茶),凤楼阁论坛官网入口网址,一品楼品凤楼论坛最新动态,风楼阁全国信息2024登录入口

你的位置:首页 > 电源管理 > 正文

大功率应用该如何设计高能效电源?接招吧!

发布时间:2015-10-12 责任编辑:echolady

【导读】在200到600W的电源应用中,LLC拓扑相当普及,特别是在高能效开关电源的设计方案中。本次设计方案采用电流控制模式的LLCAC-DC控制IC,能够简化电路布局,减少外部元件数量,跳周期的模式提升了轻载能效,提升了系统的可靠性,在一体化电脑、大屏幕电视等大功率电源系统应用中,能够实现超低待机功耗,以及轻载和满载。

传统电压模式LLC的限制

传统的电压模式LLC控制器是通过次级稳压器改变压控振荡器(VCO)频率,从而实现稳压。由于没有直接连接到初级端电流,所以需要添加额外的电路系统以提供过载及短路?;?。当输出产生瞬态变化(如由空载转至满载)时,瞬态响应会比较慢。而且,LLC启动行为受谐振回路的元器件、实际的谐振电容电压、启动阶段的输出电压、启动大电流电压和初始导通时间等初始条件影响,在所有条件下避免硬开关是不太容易的。当应用进入待机模式时,为降低待机能耗,系统会关闭PFC及LLC,但同时需要系统里有辅助电源来维持MCU及周边元器件待机时的最低工作条件,增加了系统成本。

电流模式LLC的优势

相同条件下,电流模式LLC可提供比传统电压模式LLC高得多的fo,从这波特图可以看出。

大功率应用该如何设计高能效电源?接招吧!
图1.波特图

因此,在动态负载响应方面,电流模式LLC比电压模式LLC提供更低压降、更低过冲(overshoot)和更快稳定响应;在线形纹波抑制方面,电流模式LLC控制抑制线性纹波比VCOLLC好5倍,其与Vbulk有关的Vout纹波甚至可以忽略不计;在线形瞬态方面,电流模式LLC控制提供较VCOLLC控制小10倍的过冲和小10倍的压降。

NCP1399应用原理及电流模式控制算法

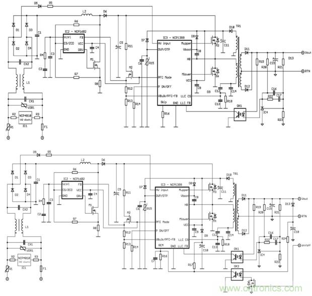
NCP1399有ActiveOFF关断模式(NCP1399Ax)和ActiveON关断模式(NCP1399Bx)两个版本。如图2所示,两个版本均采用业界首款6引脚PFC控制器NCP1602,与NCP1399配合成为完整的LLC方案。PFC运行由NCP1399经由VCC控制,PFCFB和LLCBO的电阻分压是共享的,这共享也是可关断的。NCP1399Ax采用”Skip”引脚调整进入跳周期模式的负载状态,及侦察到FB电压低于VB_remote_off时进入关断模式;NCP1399Bx则采用內部设定的“跳周期模式”阈值电平(IC内部可编程),及运用独立的光耦制REM引脚而进入关断模式。

大功率应用该如何设计高能效电源?接招吧!
图2.NCP1399典型应用原理图(上:A版本;下:B版本)

由于谐振电容集成初级电流(Iprimary),所以Vcs电压与初级电流成正比,而在关断期间,Vcs电压有正或负斜率,再者,关断时的Vcs电压几乎是线性地依赖于负载电流,而Vcs关断电压曲线随Vbulk变化,故可通过Vcs与初级电流的关系以及Vcs分压实现电流模式LLC控制。具体控制算法为:1)通过Vcs分压信号取得正谐振电容斜率;2)偏移加至Vcs分压信号,以避免轻载时光耦饱和;3)根据FB引脚电压和Vcs电压斜率(反映通过初级电流的线路和负载条件)通过系统自动调节Mupper导通时间;4)然后同样的导通时间被复制用于MlowerMOSFET,确保完美对称的直流。

大功率应用该如何设计高能效电源?接招吧!
图3.电流模式控制原理
[page]

NCP1399如何实现高能效及超低待机能耗

自动调节死区时间(DeadTime,DT)

DT期的作用在于避免功率MOSFET的交叉导通,从而防止过电流对系统的损毁。固定的DT期通常用于使能谐振转换器,但由于励磁电流随线性和负载条件变化,采用固定的DT期不能确保最佳的运行条件。NCP1399采用专有方式,当检测到零电压开关(ZVS)转换,dV/dt传感器监测HB引脚斜率,并提供逻辑信号,从而根据谐振回路参数优化调节DT。

跳周期模式

由于初级端MOSFET的ZVS和次级端整流器的ZCS(零电流开关),LLC谐振转换器可在中度负载和满载时达到最高能效。但在轻载和空载条件下,如果采用普通的频率调制控制技术会产生不小的能耗。NCP1399采用专有的跳周期模式技术,尽可能地提升轻载能效并降低噪声。它基于FB引脚电压电平执行跳周期模式,跳周期比较器将FB引脚电压和预选值进行比较,当VFB降至低于预选跳周期水平,IC经由专用关断序列进入跳周期模式。在这种运行模式下,IC功耗降低,PFC段及使用PFC模式引脚的BO/PFCFB高压分压器可被禁用,由于NCP1399总是以特定的方式进入跳周期模式,这运行总是被Mlower驱动脉冲以导通时间等于Fmax的3/2时(或最后一个Mupper脉冲的3/2)结束,因此谐振电容电压保持为Vbulk*1/4,从而降低开关损耗。当FB引脚电压内部增加预选滞后,IC回到正常运行模式,Mlower的第一个脉冲被延长,对自举(bootstrap)电容进行再充电,并激励谐振回路以准备ZVS条件用于后续的Mupper导通进程,接下来的Mlower脉冲基于导通时间CMP信号而被延长。

大功率应用该如何设计高能效电源?接招吧!
图4.进入跳周期模式及从跳周期模式回到正常模式

PFC导通/关断功能

PFC导通/关断功能基于FB引脚电压监测来完成。PFC预设的计时器(Timer)用来克服瞬态期间的问题,三态输出控制PFCFB/LLCBrown-Out(BO)分压器和PFCVCC。这PFC导通/关断功能在跳周期模式可降低轻载能耗。

NCP1399专有的控制提供强固的保护

1.专有启动序列

在谐振开关电源应用中可能会出现硬开关启动。NCP1399使用特定启动方案,确保在

任何启动条件下的稳固的、无硬开关的启动。NCP1399使用软启动计数器和D/A转换器,实现数字非线性软启动序列。

2.过载?;?br />
过载?;ねü鼺B引脚电压检测实现。导通时间比较器定义了比较值以控制导通时间。

当使用NCP1399发生次级短路时,FB引脚电压上升,当FB引脚电压达到最大值时,故障计时器/计数器启动,控制器禁用驱动脉冲并进入?;つJ?。

3.内置可编程功能

NCP1399内置许多可编程功能,包括:空载期钳位和故障选项、TSD阈值、使用可调

节的阈值选择Remote和关断模式、VCC导通/关断阈值、CS偏置和斜率补偿增益、提供CSLEB、跳周期模式的内外阈值、故障计时器/计数器及其持续时间—包括自动恢复计时器、累积或非累积选择、OTP/OVP闩锁或自动恢复选择、BO选择(IBO,VBO,跳周期期间功能)、最大导通时间故障检测(导通时间和闩锁/自动恢复)、启动序列的第1个Mupper和Mlower脉冲宽度、软启动增量影响软启动持续时间、PON/OFF功能的激活和滞后以及计时器功能等,可在不同应用中根据具体情况将参数进行适当调整和优化,提供了设计灵活性并加快产品上市。

评估板能效测试

下图显示,当输入电压为110V和230V,输出电流在0-20A范围内时,NCP1399的能效高达90%以上。

大功率应用该如何设计高能效电源?接招吧!
图5.评估板能效测试图

结语

安森美半导体推出的LLCAC-DC控制器NCP1399采用电流模式控制,突破电压模式控制的诸多限制,具有更瞬速的动态反应,提供更高的轻载及平均能效,并且无需辅助电源就能实现待机模式的超低待机能耗,从而降低成本,它采用可靠的开机启动模式,并集成过载?;ぁ⒐鞅;ひ员苊庥部?,以及欠压检测、开路光耦检测、自动DT调节、过压?;ず凸卤;さ纫幌盗斜;ぬ匦?,保证系统可靠性。设计师还可利用NCP1399内置的可编程功能,根据具体应用对参数进行调整和优化,为大屏电视、一体化电脑等大功率应用设计出高能效、超低待机能耗的电源系统。

相关阅读:

详解:高效、安全的LED恒流驱动大功率电源设计
LED开关电源设计如何完美布局PCB元件?
TI精讲:解析可穿戴设备电源设计的关键点

要采购开关么,点这里了解一下价格!
特别推荐
技术文章更多>>
技术白皮书下载更多>>
热门搜索

关闭

?

关闭