【导读】福利到了,电子元件技术网的网友们,小编这里整理关于半桥高频变压器电路及波形,主要针对新手,适合作为参考资料供各位进行查阅,也可作为新手入门的指导。希望在阅读过本篇文章之后能够有所收获。
半桥变压器的工作原理其实与推挽式变压器十分相似,只是在激励方式和工作电源的接入方式上有所不同。本篇文章针对新手,给出了半桥
变换器当中的高频变压器的一些设计资料。

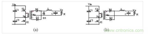
电路图

主要波形

J:为变压器原副边导线的电流密度(A/mm2);
fs:为变换器的开关频率;
K:为变压器的窗口系数;
η 1:为变换器在低限满载时的效率。
从面积积公式可知,副边有续流二极管的变压器,其拓扑系数小一些,如对于Dmax=0.45,KT(a)=0.57,KT(b)=0.58
本篇文章针对新手,适合作为参考资料供各位进行查阅,也可作为新手入门的指导。希望大家在阅读过本篇文章之后能够有所收获。




