桃花源qm花论坛(品茶),凤楼阁论坛官网入口网址,一品楼品凤楼论坛最新动态,风楼阁全国信息2024登录入口

你的位置:首页 > 电源管理 > 正文

搜罗全网经典充电电路设计,度娘知道的也不过如此了

发布时间:2014-09-15 责任编辑:mrcoocom

【导读】小编呕心沥血“遍历”了度娘,搜罗了所有的经典充电电路设计,无私奉献给大家,以后大家要啥跟小编说一声,小编这里要啥都有,更齐全含金量更高。本文介绍的简易电池自动恒流充电电路具有电路简单、功能完善、调节方便等特点,适合无线电爱好者自行制作及高职学生电子实训。

1. 手机万能充电电路图

手机万能充电电路图如下:

搜罗全网经典充电电路设计,度娘知道的也不过如此了
原理

离子电池以其体积小、容量大、重量轻、无记忆效应、无污染、电池循环充放电次数多(寿命长)等优点,现已普遍地在手机上使用。但在实际使用中有不少人 会觉得锂离子电池的寿命很短,用不了多久就充不上电了,其实都是因为充电不当造成电池的损坏。锂离子电池充电条件要求严格,充电控制要求精度高,对过充电 的承受能力差,如果用一般的充电器对其充电,必定会因过充电而损坏。因此,锂离子电池的充电器必须符合锂离子电池的充电特性要求。

锂离子电池的充电过程分两阶段进行,首要用恒流充电到4.2V+0.05V,即转入4.2V±0.05V恒压的第二阶段充电,恒压充电电流会随着时间 的推移而逐渐降低,待充电电流降到0.1CmA时,表明电池已充到额定容量的93%或94%,此时即可认为基本充满,如果继续充下去,充电电流会慢慢降低 到零,电池完全充满。恒流充电率为0.1CmA~1.5CmA(CmA:当电池额定容量为1000mAh时,则1.0CmA充电率表示充电电流为 1500mA,依此类推)。标准充电率为0.5CmA,约需2小时可将电池电压(放电到3.0V的电池)充到4.2V,再转入恒压充1小时左右,即可结束 充电。整个充电过程约需3小时,当充电率为1.5CmA时,第一阶段的充电时间只约需1/2小时。

搜罗全网经典充电电路设计,度娘知道的也不过如此了
 
此充电器主要有恒流源、恒压源和电池电压检测控制三部分组成。

元件有:

搜罗全网经典充电电路设计,度娘知道的也不过如此了
 
2. USB供电的充电电路图及原理介绍

USB充电电路图及原理介绍

除直接供电USB器件外,USB更有用的一个功能是用USB电源进行电池充电。由于很多便携装置(如MP3播放机,PDA)与PC交换信息,所以,电 池充电和数据交换同时在一条缆线上进行将会使装置方便性大大增强。把USB和电池供电功能结合起来,扩大了“非受限”装置(如移动web相机连接PC或不 连接 PC工作)的工作范围。在很多情况下,不必携带不方便的AC适配器。

从USB对电池充电可以复杂也可以简单,这取决于USB设备要求。对设计有影响的因素通常是“成本”、“大小”和“重量”。其它重要的考虑包括:1) 当设备插入到USB端口时,带放电电池的设备能够以多快的速度进入完全工作状态;2)所允许的电池充电时间;3)受USB限制的电源预算;4)包含AC适 配器充电的必要性。本文从电源观点详述USB之后,将针对这些问题给出解决方案。

搜罗全网经典充电电路设计,度娘知道的也不过如此了
 
图1 USB电压降(来自通用串行总线规定Rev2.0)

搜罗全网经典充电电路设计,度娘知道的也不过如此了

图2 USB器件插孔

搜罗全网经典充电电路设计,度娘知道的也不过如此了

图3 从USB简单充电100mA和从AC适配器充电350mA不需要枚举,这是因为USB充电电流不超过“一个单元负载”(100mA)。3.3V系统负载总是从电池汲取电流。
USB电源

所有主机USB设备(如PC和笔记本电脑)至少可以供出500mA电流或每个USB插口提供5个“单元负载”。在USB述语中,“一个单元负载”是 100mA。自供电USB插孔也可以提供5个单元负载。总线供电USB插孔保证提供一个单元负载(100mA)。根据USB规范和图1的说明,在缆线外设 端,来自USB主机或供电插孔的最小有效电压是4.5V,而来自USB总线供电插孔的最小电压是4.35V。这些电压在为锂离子电池充电时(一般需要 4.2V),其余量是很小的。

插入USB端口的所有设备开始汲取的电流不得大于100mA。在与主机通信后,器件可决定它是否可以占用整个500mA。

USB外设包含两个插孔中的一个。两个插孔都比PC和其他USB主机中的插口要小。“SeriesB“和更小的“Series Mini-B”插孔示于图2。从SeriesB的引脚1(+5V)和4(地)和Series Mini-B的引脚1(+5V)和5(地)得到电源。

一旦连接,所有USB设备需要主机对其加以识别。这称之为“枚举”。在识别过程中,主机决定USB设备的电源以及是否为其供电,对于被认可的设备可以将负载电流从100mA增大到500mA。

简单的USB/AC适配器充电电路

某些非常基本的设备不希望额外的软件开销,此开销对有效USB电源的分类和最佳使用是需要的。若设备负载电流限制到100mA(在USB中称之为“一 单元负载”),则任何USB主机、自供电插孔可以对设备供电。对于这样的设计,一个非?;镜某涞缙骱臀妊蛊鞯缏肥居谕?。

每当器件连接USB或插入AC适配器时,此电路就为电池充电。在同一时间,系统负载总是连接到电池,在这样的情况下,通过简单的线性稳压器(U2)可 提供高达200mA电流。若系统连续地汲取这样的电流量而电池正在以100mA电流从USB充电,则电池仍将放电,这是由于负载电流超过了充电电流。在大 多数的小系统中,峰值负载只发生在总工作时间的一小部分时间内,所以只需要平均负载电流小于充电电流,电池仍将充电。当连接AC适配器时,充电器(U1) 最大电流增加到350mA。若在同一时间连接USB和AC适配器,则AC适配器自动处于优先供电的地位。

U1 的一个特性是USB规范所要求的(也是一般充电器的法则),即决不允许电流从电池或其他电源输入回馈到电源输入。在一般充电器中,用输入二级管可保证做 到,但最小的USB电压(4.35V)和所需的锂离子电池电压(4.2V)之间的差值很小,甚至用肖特基二极管也是不合适的?;诖嗽颍赨1 IC中断开全部反向电流通路。

图 3的电路有一些局限性,使它不适于一些可充电的USB设备。最明显的局限性是其相当低的充电电流,使得对大于几百毫安一小时的锂离子电池充电耗费时间很 长。第二个局限是负载(线性稳压器输入)总连接到电池。在这种情况下,系统不能够在插入后立即工作,这是因为电池深度放电,在电池达到一个足够的电压使系 统工作之前有一段延迟时间。

负载切换和增强型电路

在更先进的系统中,充电器或围绕充电器需要一些增强性能。这包括可选择的充电电流以适应不同电源或电池的供电能力,插入电源时的负载切换以及过压?;?。图4所示电路增加了这些功能,它是借助于充电器IC电压检测器驱动的外部MOSFET实现的。

MOSFET Q1和Q2以及二极管D1和D2旁路电池,直接连接有效(USB或AC适配器)电源输入与负载。当电源输入有效时,DC输入具有优先地位;U1防止在同一 时间两个输入都有效。二极管D1和D2防止通过“系统负载”电源通路产生的输入之间的反向电流,而充电器具有内置电路排除通过充电通路(在BATT)的反 向电流。

MOSFET也提供AC适配器过压保护(高达18V)。欠/过压监控器使AC适配器电压只在4V和6.25V之间。

MOSEFT Q3在不存在有效外部电源时导通,使电池连接到负载。当USB或DC电源连接时,PON(电源开关)输出立即断开Q3,使电池与负载断开。系统在加外部电源时能立即工作,既使电池深度放电或损坏也能立即工作。

当连接USB时,USB器件与主机通信决定负载电流是否可以增加。若主机允许,负载开始在一个单元负载并增加到5个单元负载。5到1个单元负载的电流 范围对于一般充电器(不是设计用于USB)来说存在一个问题。一般充电器的精度,尽管可满足高电流要求,但通常在低电流设置方面不能满足要求,这是由于电 流检测电路的偏差造成的。其结果是小范围充电电流(1个单元负载)必须设置得足够低,以保证不会超过100mA限制。例如,对于500mA的10%精度而 言,输出必须设置为450mA,以保证它不会超过500mA。这仅仅是可接受的;然而,为了保证低充电电流不超过100mA ,其额定电流必须设置为50mA,而最小值可能是0mA,这显然是不可接受的。若USB充电在两个范围都有效,则需要有足够的精度,使得最大可能的充电电 流不超过USB限值。

在某些设计中,系统电源要求用小于500mA USB预算分别供电负载和充电电池是做不到的,但用AC适配器就不成问题。图5所示电路(图4的简化子系统)是一个经济的连接方法。USB电源不直接接到 负载。充电和系统工作仍然发生在USB电源,但系统保持与电池的连接,其限制和图3一样:在连接USB时,若电池深度放电,则系统可以在工作前有一段延 迟。若连接DC电源,则图5工作状态与图4相同,无等待时间,与电池状态无关,这是因为Q2截止,通过D1系统负载从电池转到DC输入。

3. 镍氢电池充电电路

尽管锂离子电池能为大多数便携装置提供最好的性能,但NiMH(镍氢)电池仍然是低成本设计的可行选择。在负载要求不是太严格时,保持低成本的一个好 方法是用NiMH电池。这需要一个DC-DC变换器升压,一般从1.3V电池电压提升到器件可用的电压(一般为3.3V)。由于任何电池供电器件需要稳压 器,所以,DC-DC变换器仅仅是一个不同的稳压器。

图6所示电路,用独特的方法为NiMH电池充电,并且不用外部FET在USB输入和电池之间切换系统负载。“充电器”实际上是一个工作在电流限制下的 DC-DC升压变换器(U1)。以300和400 mA之间的电流为电池充电。尽管没有精密的电流源,但它具有适当的电流控制,甚至在电池短路时也能够保持电流控制。DC-DC充电拓扑相对于一般线性方案 的最大优势是能有效地利用有限的USB电源资源。在以400mA电流NiMH电池充电时,电路从USB输入仅汲取150mA。而充电时剩余350mA用于 系统。

二极管D1实现从电池到USB的负载拉出。不连接USB时,升压变换器产生3.3V输出。连接USB时,D1上拉DC-DC升压变换器(U2)输出到 4.7V左右。当U2输出上拉时,它自动关闭而从电池汲取的电流小于1mA。在USB连接时,若对于输出从3.3V变换到4.7V不能接受,则可以加入一 个与D1串联的线性稳压器。

此电路的限制是依靠系统来控制充电结束。U1仅仅做为一个电流源,若长期不管它,它将会过充电电池。R1和R2置U1的最大输出电压为2V,做为安全 限值。
“Charge Enable”(“充电使能”)输入起到系统结束充电作用以及枚举前降低USB负载电流的作用,这是由于充电器的150mA输入电流大于一个负载。

搜罗全网经典充电电路设计,度娘知道的也不过如此了
 
图4 SOT-23功率MOSFET可增加有用的性能(如过压?;ず图油獾缭词倍峡绯兀?。当电池充电无负载时,有效电源直接驱动系统。

搜罗全网经典充电电路设计,度娘知道的也不过如此了

图5 简单的设计使USB电源不直接接到负载,而是由DC输入到负载。当USB连接时,系统仍然由电池供电,而电池也正在充电。

搜罗全网经典充电电路设计,度娘知道的也不过如此了
 
图6 简单的NiMH充电/电源配置自动传送电源到USB,而设有复杂的MOSFET开关阵列。

4. 5V-USB充电器充电电路图


搜罗全网经典充电电路设计,度娘知道的也不过如此了
 
说明:为了简化电路,达到学习目地,图中用1欧的电阻F1起到保险丝的作用,用一个二极管D1完成整流作用。接通电源后,C1会有300V左右的直流 电压,通过R2给Q1的基极提供电流,Q1的发射极有R1电流检测电阻R1,Q1基极得电后,会经过T1的(3、4)产生集电极电流,并同时在T1的 (5、 6)(1、2)上产生感应电压,这两个次级绝缘的圈数相同的线圈,其中T1(1、2)输出由D7整流、C5滤波后通过USB座给负载供电;其中T1(5、 6)经D6整流、C2滤波后通过IC1(实为4.3V稳压管)、Q2组成取样比较电路,检测输出电压高低;其中T1(5、6)、C3、R4还组成Q1三极 管的正反馈电路,让Q1工作在高频振荡,不停的给T1(3、4)开关供电。当负载变轻或者电源电压变高等任何原因导致输出电压升高时,T1(5、6)、 IC1取样比较导致Q2导通,Q1基极电流减小,集电极电流减小,负载能力变小,从而导致输出电压降低;当输出电压降低后,Q2取样后又会截止,Q1的负 载能力变强,输出电压又会升高;这样起到自动稳压作用。

本电路虽然元件少,但是还设计有过流过载短路保护功能。当负载过载或者短路时,Q1的集电极电流大增,而Q1的发射极电阻R1会产生较高的压降,这个 过载或者短路产生的高电压会经过R3让Q2饱和导通,从而让Q1截止停止输出防止过载损坏。因此,改变R1的大小,可以改变负载能力,如果要求输出电流 小,例如只需要输出5V100MA,可以将R1阻值改大。当然,如果需要输出 5V500MA的话,就需要将R1适当改小。注意:R1改小会增加烧坏Q1的可能性,如果需要大电流输出,建议更换13003、13007中大功率管。

C4、R5、D5起什么作用呢?T1变压器是电感元件,Q1工作在开关状态,当Q1截止时,会在集电极感应出很高的电压,这个电压可能高达1000伏 以上,这会使Q1击穿损坏,现在有了高速开关管D5,这个电压可以给C4充电,吸收这个高压,C4充电后可以立即通过R5放电,这样Q1不会因集电极的高 电压击穿损坏了,因此,这三个元件如有开关或者损坏,Q1是非常危险的,分分秒秒都可能会损坏。

5. 镍氢电池智能充电电路原理

镍氢电池智能充电电路原理

单只镍氢电池电压为1.25V,充电时最高为有 1.55V,它不宜使用高于3V的直流电源为其充电。将电源变压器输出为交流3.5V的双绕组作全桥整流可得到正负3.5V直流电,以负端输出作为零电 平,中点即成为+3.5V可作给镍氢电池充电的直流电源,正端输出则成为+7V可作控制电路的工作电源。非满载输出状况时,中点电平约为4.9V,正输出 端约为9.8V。满载输出状况时,中点电平为3V,正输出端约为7.9V??刂频缏匪褂玫腃OMS门电路CC4093和通用四运放LM324均可在 6V~12V之间正常工作。

参见原理图,U1是内置电压比较器的稳压集成电路TL431,可提供2.5V精密基准电压。经R7~R10四只电阻串联分压,分别为U2a、U2b、 U2c三只电压比较器提供1.54V、1.25V、1.15V比较电压。U2a的负输入端与U2b、U2c的正输入端共同接在镍氢电池正端上,对电池两端 电压进行检测。电池电压高于1.54V时U2a输出低电平,电池电压低于1.54V时U2a输出高电平;电池电压高于1.25V时U2b输出高电平,电池 电压低于1.25V时U2b输出低电平;电池电压高于1.15V时U2c输出高电平,电池电压低于1.15V时U2c输出低电平。U2d的负输入端接在 2.5V基准电压上,正输入端通过R24电阻接中点电源上。与此同时,U2d正输入端通过C3电容接在镍氢电池正端上,在没有放入电池或通电数秒种 后,U2d输出高电平。

搜罗全网经典充电电路设计,度娘知道的也不过如此了
 
在电池已经放入电路中的状况下接通电源,U2d正输入端被C3电容暂时短路接在镍氢电池正端上,电平不大于1.5V, U2d输出低电平;经过约1秒钟后, C3电容被充电,U2d正输入端电平高于2.5V, U2d输出高电平。如果放入的是没有放完电可以继续使用的电池,U2c将检测出电池的两端电压高于1.15V,输出高电平。在U2d尚输出低电平的时候, 由与非门U3c、U3d组成的RS触发器将被置成U3c输出低电平,U3d输出高电平。1秒钟后U2d输出高电平,U3c、U3d的输出状态被保持不变。 发光管LED4发红光显示电池不需要充电。而U3c输出低电平使BG1截止,与非门U3a输入端同时被封锁输出高电平,与非门U3b输出低电平,功率场效 应管BG2截止。只有经过R1的约30mA电流给电池作涓流维持性充电。

如果放入的是放完电的电池,U2c将检测出电池两端电压低于1.15V,输出低电平。在U2d尚输出低电平的时候,由与非门U3c、U3d组成的RS触发 器将被置成U3c与U3d都输出高电平。但在1秒钟后,U3d改为输出低电平,U3c继续保持输出高电平。发光管LED3发绿光指示电池需要充电。此 时,U2b输出低电平使U3a输出高电平,U3b输出低电平,功率场效应管BG2截止。但U3c输出高电平使BG1导通,经R2提供约100mA电流和经 过R1的30mA电流一起给电池作小电流充电。电池开始充电后,在电池电压高于1.15V、低于1.25V期间,U2c的输出状态翻转为高电平。但 U3c、U3d的输出状态保持不变,U3c继续输出高电平,BG1导通。因U2b的输出状态还是低电平使U3a输出高电平,U3b输出低电平,功率场效应 管BG2截止。仍然只经R2提供约100mA电流和经过R1的30mA电流一起给电池作小电流充电。

经过一段时间小电流充电后,电池电压高于1.25V、低于1.54V,电压比较器U2a、U2b都输出高电平,此时U3c也继续输出高电平,从而使U3a 输出低电平,U3b输出高电平,功率场效应管BG2导通,经R3提供不小于500mA电流和经过R2提供的100mA电流以及经过R1提供的30mA电流 一起给电池作大电流充电。此时LED1发绿光显示正处于大电流充电状态,LED3绿发光管熄灭。发光管LED2也熄灭。

在经过一段时间大电流充电,电池已经充足电,电池电压高于1.54V时,U2a输出低电平使U3a输出高电平,U3b输出低电平,功率场效应管BG2截 止。LED1熄灭,LED2发光。与此同时,U3b从高电平翻转为低电平,将通过C2电容和R13构成的微分电路将U3d输入端短暂置为低电平,从而使 U3b输出端从低电平翻转为高电平。LED4发光显示电池已经充足电。U3a的输出端随之从高电平翻转为低电平,LED3熄灭,BG1也截止,只有经过 R1的30mA电流继续给电池充电。若继续进行涓流充电,电池电压将从1.55V降低至1.5V,U2a与U2b的输出端都将输出高电平,但此时U3a输 入端已经被U3c封锁只能输出高电平,U3b输出低电平,功率场效应管BG2继续保持截止,只有经过R1的30mA电流继续给电池作涓流充电。

取出电池后或在没有放入电池的状况下接通电源,连接电池正端的E点电平为中点电位高于1.55V,U2a输出低电平,BG3截止,LED3和LED4都不 发光。此时U3a输出高电平,U3b输出低电平,LED2发红光指示电路处于通电工作状态,LED1不发光。再放入电池,即刻重复上述自动检测充电过程。

其中,LED1与LED2、LED3与LED4可分别合用一只双色发光管。接通电源后,LED1与LED2总有一只发光。LED3与LED4必须放有电池才发光,因此可以判断电池是否放入并且没发生接触不良现象。

CC4093是带斯密特触发器的四2与非门,因其不易买到,可用普通四2与非门CD4011替代。

[page]
6. 7805恒流充电电路

7805恒流充电电路

搜罗全网经典充电电路设计,度娘知道的也不过如此了
 

图中是一款采用三端固定正输出集成稳压器7805作 为恒流源的恒流充电器电路图,可以为两节镍氢充电电池充电,充满后指示灯自动熄灭。

(1).电路工作原理。

充电器电路由整流电源、恒流源、充电指示电路等部分组成。①集成稳压器7805与R4、R5、R6、R7分别构成50mA、 100mA、150mA、200mA恒流源,由开关S进行选择,以适应不同容量电池充电电流的需要。两节1.2V镍氢充电电池串联接人电路进行充电,二极 管VD6的作用是防止被充电池电流倒灌。②晶体管VT1、VT2、发光二极管VD5等组成充电指示电路,充电开始时,因为被充电池电压很低,vD6正极电 位也较低,不足以使VT2导通,VT2截止,VT1导通,VD5发光指示正在充电。随着充电的进行,VD6正极电位逐步上升。当被充电池充满电时,VT2 导通,使VT1截止,VD5熄灭。③变压器T、整流桥VD1~VD4、滤波电容C1等组成整流电源,为充电电路提供约12V的直流电源。

(2).调试与使用。

主要调试充电指示灯的熄灭电压。1.2V镍氢充电电池刚充满电时约为1.4V,因此可用1.4V直流电压暂接入被充电池位置,调节R3使 VD5刚刚熄灭。也可装上两节放完电的镍氢充电电池,用10小时率常规电流充电14~16小时后,调节R3使VD5刚刚熄灭。使用时一般用10小时率电流 充电,例如,对于500mA左右的镍氢充电电池,将S置于50 mA挡进行充电;对于1000mAh左右的镍氢充电电池,将S置于100mA挡进行充电;对于1500mAh左右的镍氢充电电池,将S置于150mA挡进 行充电;对于2000mAh左右的镍氢充电电池,将S置于200mA挡进行充电。充电时指示灯VD5亮,当VD5熄灭时表示电已充满。

7. 3.6V铿离子电池充电电路


PS1719 ??樽ㄓ糜?.6V 铿离子电池充电,也可用于二节煤锅或保氢电池充电。

典型应用电路如下图 所示..

搜罗全网经典充电电路设计,度娘知道的也不过如此了

[page]
8. 超级电容充电电路

超级电容充电电路

搜罗全网经典充电电路设计,度娘知道的也不过如此了

搜罗全网经典充电电路设计,度娘知道的也不过如此了

9. 脉冲式快捷充电电路


这款快速充电电路,采用脉冲充电方式,充、放电时间为5:1。具有功耗低、安全可靠等优点,非常适合电动自行车的充电。

脉冲式快捷充电电路的原理图见下图所示。电路主要由十进位计数器CC4017、脉冲计频器、比较器LM358、充电管Q5、放电管Q6等组成,如图1 所示。由图可知,由NE555时基电路构成脉冲形成电路,R^、Rn、CA为充、放电电路,也决定脉冲的振荡频率,充电周期为 Tl=0.693CA(RA+RB),放电周期T2=0.693CARB.输出级能提供低输出阻抗,最大输出电流可达200mA。其NE555③脚输出一 脉冲方波送到十进位计数器/脉冲计频器CC4017的(14)脚,使CC4017的十个译码输出端轮流输出高电平。当CC4017①~⑤脚输出高电平 时,Q4、Q5导通,直流电压通过05与R充电对电池(BAT--TERY)进行大电流充电,充电电流可通过R充电的数值进行调节。

当⑥脚和⑦脚输出高电平时,os和Q6因没有驱动电平而截止,电池两端电压通过R7、F9构成的分压回路送到由LM358组成的比较器的反相输入端。同相 输入端由稳压管D9提供一基准电压值,对电池电压进行比较。当CC4017⑨脚输出高电平时,Q6导通,电池电压通过R放电电阻放电,放电电流可通过放电 电阻的大小进行调节。当(10)脚与(11)脚输出高电平时,电路进入电池电压检测阶段,Q3截止,运放LM358的反相输入端电压与电池电压相等,通过 与基准电压比较,可检测这时的电池电压是否已充到预定基准值。

在充、放电过程中,Q3导通使LM358的反相输入端电压为零,其输出高电平使Q1、Q2导通,为集成块CC4017和NE555供电。当电池电压充至额 定基准值时,LM358输出低电平,Q1、Q2截止,充电过程结束。充电时LED1点亮,充电结束后LED1熄灭。调整充、放电周期Tl和T2中的 RC数值,可调整脉冲充、放电的时间比。也可以通过调整CC4017的十个译码输出端与充、放电管Q5、Q6连接方式来调整充、放电的时间比,例如:去掉 二极管Dl,则充电管Q5导通的时间由原来的5个减至4个,即充、放电时间比由原来的5:1减至4:1,因此调整起来非常方便。LDE2为电源指示灯。

下图中各元件参数见下表所示。电阻未注明瓦数的为1/2~1W,稳压管D9的稳压值为6V,变压器Tl变比为220V/20V、15V,保证对16V 以内的蓄电池进行充、放电。电感Ll为空芯电感线圈,电感量为O.lmH,二极管Dl0可选用任何型号整流管,额定电流为2A即可,D11为 1N4001。

搜罗全网经典充电电路设计,度娘知道的也不过如此了

搜罗全网经典充电电路设计,度娘知道的也不过如此了

[page]
10. 简易电池自动恒流充电电路

引言

随着数码行业的爆破性增长,市场上出现了越来越多的高科技数码产品,这些都离不开充电电池,尤其是镍氢充电电池是目前大容量电池的主要品种,已在通 讯、交通、电力等部门得到广泛的应用,同时它也是其它智能仪表中最为常用的备用电池,而电池又离不开充电器,本文在此介绍一种基于分立元件构成的电池自动 恒流充电电路,重点阐述了电路的组成、结构特点、工作原理及电路的调节。

(1) 电路总体设计思路

简易电池自动恒流充电电路的总体框图如图1所示。它是由变压器整流电路、恒流产生电路、自动断电电路、显示电路和电源电路5部分构成。

搜罗全网经典充电电路设计,度娘知道的也不过如此了

变压器整流电路的功能是将公共电网中的220V交流电转换为合适的电流和电压信号,从而为后续电路提供信号。恒流产生电路的功能是利用晶体管电流源为 电路产生恒定的充电电流。自动断电电路的功能是利用三极管饱和导通时的电压特性,从而实现电路当电池充满电时能够自动切断电源。显示电路的功能是利用发光 二极管将电路开始充电和结束充电的状态显示出来。稳压电源电路的功能是为上述所有电路提供直流电压。

(1.1) 变压器整流电路及电源电路的设计

变压器整流电路和稳压电源电路(如图2虚线左边所示),其主要由变压器、二极管桥式电路、电容构成。其中变压器采用常规的铁心变压器,并将公共电网中 的 220 V交流电变为12 V交流电,再通过二极管桥式电路进行整流和电容C1滤波。整流信号由VC1引出。在此基础上再接三端稳压器CW7812及电容C3、C4(如图2虚线右边 所示),这样整个电路就构成稳压电源电路。由B点提供+12 V的直流电压。

搜罗全网经典充电电路设计,度娘知道的也不过如此了

(1.2) 恒流电路的设计

如图3所示,由稳压管VZ1、晶体管VT1、电阻R1、电容C2构成的晶体管电流源提供恒定电流,取稳压管电压为5 V,R1为51 Ω,此时IC≈1OO mA,作为电路的充电电流。

搜罗全网经典充电电路设计,度娘知道的也不过如此了
 
(1.3) 自动充电检测电路和指示电路的设计

如图4电路所示,自动断电电路是由三极管VT2、电压跟随器A1、电压比较器A2电阻R4、R5、R6、R7、R8、R11和可变电阻RP1构成。当 充电开始时,电压比较器输出高电平,VT2导通,VT1也导通,指示灯发光二极管亮,给电池充电??梢韵壬瓒ㄗ豢匚?时给一节电池充电,转换开关为2 时给二节电池充电,依次类推,实现对1-4节电池充电。当电充满时,电压比较器输出低电平,VT2截止,VT1不导通,发光二极管熄灭,充电完毕。

搜罗全网经典充电电路设计,度娘知道的也不过如此了
 
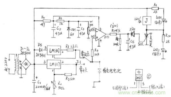
(2) 简易充电器总电路原理图及元器件清单

(2.1) 简易充电器总电路原理图

简易电池自动恒流充电电路的总电路图如图5所示。它是由变压器整流电路、恒流产生电路、充电检测电路、显示电路和电源电路5部分构成。总电路图中需要注意的是各个单元电路之间的连接一定要准确,同时各部分的布局要合理。

搜罗全网经典充电电路设计,度娘知道的也不过如此了
 
(2.2) 元器件清单

本设计用的元件清单如表1。

搜罗全网经典充电电路设计,度娘知道的也不过如此了

特别推荐
技术文章更多>>
技术白皮书下载更多>>
热门搜索

关闭

?

关闭