【导读】逆变器凭借着其高的转换效率,启动快,安全性能好等特点被广泛应用月各个领域。而关于逆变器的电路设计方案也是有很多。工程师们有福了,一位资深工程师拿出来自己多年来的积蓄,将分享给大家他碰到的很有价值的逆变器的电路设计,共有12款电路,大家可以随意挑选,学习!
12款很有价值的逆变器的电路设计,大家可以随意挑选,学习!
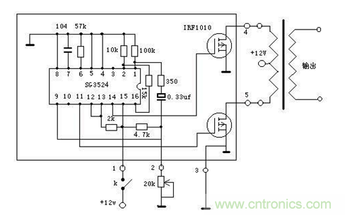
第一种逆变器电路:

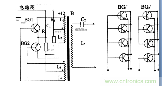
第二种逆变器电路:

第三种逆变器电路:

第四种逆变器电路:

第五种逆变器电路:

第六种逆变器电路:

第七种逆变器电路:

第八种逆变器电路:

第九种逆变器电路:

第十种逆变器电路:

第十一种逆变器电路:

第十二种逆变器电路:

相关阅读:
一款低成本、高可靠性的逆变器电源电路设计




