【导读】本文介绍了一款单项正弦波变频稳压电源设计,以单相半控桥式电路为整流电路,整流触发电路由单结晶体管组成,逆变电路采用功率BJT为开关器件,频率显示部分采用单片机AT89C2051为核心器件。硬件电路简单稳定,电池干扰及其他环境干扰较小。
本文实现一个单相正弦波变频稳压电源。电源框图如图所示。

设计基本要求
(1)输出电压波形应尽量接近正弦波,用示波器观察无明显失真;
(2)输出频率范围为20~100Hz,电压有效值为10~18V的正弦交流电;
(3)当输入电压为198~242V,负载电流有效值为0.5~1A时,输出电压有效值应保持在15V,误差小于5%;
(4)具有过流?;?,输出电流有效值达2A时动作(5)DC—AC逆变器效率.n≥70%。
发挥部分
(1)当输入电压为198—242V,负载电流有效值为0.5~1A时,输出电压有效值应保持在15V,误差小于1%;
(2)设计制作具有测量、显示该变频稳压电源输出电压、电流、频率和功率的电路,测量误差小于5%。
说明
(1)不能使用产生SPWM(正弦波脉宽调制)波形的专用芯片;
(2)输出功率可通过电流、电压的测量值计算。
经过论证,在多种方案可供选择的情况下,我们选择了如下方案:
①隔离变压器:选择功率为200W、二次侧可提供50V、15V、15V三组交流电压。
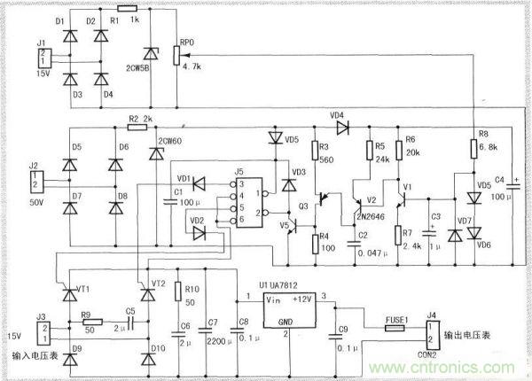
②单相整流电路:选用单相半控整流电路如下图所示。该电路控制灵活,输出电压大小在一定范围内可调节,因此成为被选方案。但我们做完这部分电路时发现.这个电路的触发电路还是有一定难度的。在设计指标中没对整流器做出硬性指标规定的情况下,我们完全可以采用单相不可控整流电路,从而减少两个晶闸管的触发电路的设计。
本设计采用的RC过电压抑制电路R9、C5并联在变压器次级(元件侧),以吸收变压器铁心磁场释放的能量。并把它转换为电容器的电场能而储存起来,串联电阻是为了在能量转换过程中消耗一部分能量并且抑制RC回路可能产生的振荡。R10、C6作为直流侧阻容?;さ缏贰?br /> [page]
整流电路的触发电路选择由单结晶体管BT33(Q3)组成的触发电路如下图所示,虽然移相范围及功率不高,但成本低,可满足设计要求,因此成为被选方案。VD1、VD2输出的触发脉冲做为VT1和VT2晶闸管的触发信号。通过调节电位器RP0来改变触发角的大小,从而改变输出直流电压的大小。

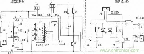
③逆变稳压器选择带中心抽头变压器的逆变电路如下图右侧电路所示。交替驱动两个功率BJT(V1、V2),经变压器耦合给负载加上矩形波交流电压。两个二极管(D1、D2)的作用也是提供无功能量的反馈通道。该电路优点是控制电路简单,元件?;ぜ际醭墒?。逆变开关元件选择功率BJT管是因其价格便宜,控制灵活。

④单相变频控制器选择由555(U1)组成多谐振荡器与JK(JPl)触发器组成的整形和V4、V5组成的后级放大电路如下图左侧电路所示。此电路控制频率精度高,灵活方便,能完成设计要求指标。

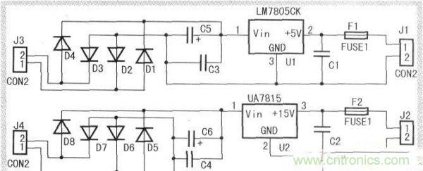
由于555(U1)和JK(JP1)触发器是有源器件,因此还需另外制作5V和15V直流稳压电路如下图所示,做为其偏置直流电压源,15V稳压电源还为两个功放管(V3、V4)提供偏置电压。
据设计要求,频率的测量采用单独的频率显示??椤P枰谱饕桓鯨ED频率计,用来显示输出电压的频率。该部分电路采用的是仅用两块集成电路CD4069和AT90S2313组成的频率计。CD4069用于小信号的放大和整形,AT90S2313则是一块精简指令的高速单片机,它在8M时钟下的性能超过了51系列在100M时钟下的性能,在电路中担任测量和显示驱动。由于这个电路比较常用,电路图就不介绍了。
方案确定后,开始分工绘图、制板、写报告。由于制作PCB板耗时较长,所以在一定程度上影响了进度。在PCB电路板制作过程中又有个别环节出现错误,后来在调试时又耽误了一些时间。所以建议以后在没规定必须用PCB板的情况下,尽量采用现成的孔式电路板制作可以节约大量的时间。
本实验需要调试的部分:晶闸管触发电路测试、输出频率范围测试、用示波器观察输出电压波形等,通过努力。最后终于调好电路,大多数参数基本满足设计要求。
本设计以单相半控桥式电路为整流电路,整流触发电路由单结晶体管组成,调节方便,并设有必要的?;ぜ跋允旧璞浮D姹涞缏凡捎霉β蔅JT为开关器件,通过带中心抽头变压器形成方波,变换后形成交流波形。逆变触发信号由555组成的振荡电路产生周期可调的多谐信号,通过JK触发器整形及三极管组成的放大电路放大后驱动功率BJT的通与断。频率显示部分采用单片机AT89C2051为核心器件,充分发挥了软件编程的优点。本设计尽量做到了硬件电路简单稳定,减小电磁干扰和其它环境干扰。
相关阅读:
开关电源设计必看!盘点电源设计中最常用的计算公式
http://m.5r3h.cn/power-art/80021732
工程师详解:一款开关电源设计及参数计算
http://m.5r3h.cn/power-art/80021730
低EMI、高效的零电压开关反激式开关电源设计
http://m.5r3h.cn/power-art/80021603
工程师必看!LED照明电源设计四大难题解析
http://m.5r3h.cn/opto-art/80021571




