中心议题:
- 新型开关电源原理简释
- 节能、环保、高效率的特点阐述
- 开关电源是用调节占空比的方法稳定或改变输出
- 一机多用是新型开关电源的创新之一
开关电源是现代直流稳定电源的发展方向。它因体小、量轻、效率高等优势,在生产、科研、教学诸多领域被广泛采用。但它有不易大幅可调,输出噪声高等缺陷,限制了它在高频设备、仪器仪表等领域中的应用。直流线性稳压电源的输出大幅可调,输出无噪声,但又存在体大、量重、效率低的缺陷。本新型开关电源就是对二种电源扬利弃弊研制而成,并因而获得获国家知识产权局实用新型专利(专利号:ZL2007201531075)。
1 新型开关电源原理简释
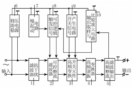
如图1所示,它由抗干扰滤波器1、可控整流滤波器2、高频变换开关元件3、高频谐振变换器4、高频整流滤波输出5依次连接而成??煽卣髀瞬ㄆ?的导通角的控制由触发信号控制逻辑8完成。慢起动电路7使触发信号控制逻辑8在开机时的导通角由零度逐步上升。输出取样与比较放大电路10,将高频整流滤波输出5的输出电压与基准电压源相比较且进行放大,从而控制触发信号控制逻辑8,使输出电压稳定。改变基准电压源的大小,就能改变触发信号控制逻辑8的触发导通角,从而调节输出电压的大小??匦藕挪缏?产生一个适合高频谐振变换器4的方波信号,用来控制高频变换开关元件3的导通和截止,使直流电能进入高频谐振变换器4,形成高频电流震荡;并经高频变压器输出至高频整流滤波输出5,减小了开关噪声。辅助稳压电源6给慢起动电路7、触发信号控制逻辑8、开关信号产生电路9、输出取样与比较放大电路10提供能量和基准电。

图1 原理图
2 节能、环保、高效率
一般直流线性稳定电源的能量转换效率约为30%左右,不仅浪费电能,且整机易发热,元件老化快。一般开关电源的滤波电路是电容,其交流阻抗小,易引起开机时的浪涌电流,为此加接温敏电阻来防止浪涌电流,从而造成能量浪费。一般开关电源采用方波变换形式,而方波频谱丰富,很难用滤波的方法滤除。其噪声电平约为输出的2%左右,造成对高频设备的干扰和对工业电网的污染。新型开关电源通过可控整流电路与电网连接,开机时导通角从零开始上升,无需温敏电阻,通过慢启动电路便有效地控制了过大的浪涌电流。慢启动电路元件数量少,基本无能量损耗?! ?br />
又利用物理学谐振电路的方法,将方波变换成近似正弦波,克服了方波上冲和下冲带来的问题,使噪声电平降为输出的1‰以下?! ?br />
3 输出稳定、大幅可调
一般开关电源是用调节占空比的方法稳定或改变输出。但占空比是受限制的。因此一般开关电源的输出固定不可调。新型开关电源的输入端采用可控整流滤波器,它的导通角可以从零开始?! ?br />
当输出不稳时,变化导通角使其不变,就保证了输出的稳定。用控制可控整流滤波电路导通角---即控制开关电源输入电压的方法来稳定和调节输出,开创了开关电源一种新的稳定形式?! ?br />
[page]
4 恒流恒压、一机多用
一机多用是新型开关电源的创新之一。即输出可以由恒流转换成恒压。负载连续变化时,为保持恒流,输出电压可自动相应变化。这是一般电源做不到的。一般电源当输出变化量较大时,调整管的功耗会引起问题。新型开关电源输出电压的变化由可控整流滤波器的导通角跟踪,它可以在零到设计额定值之间自动跟踪,使调整管的电压降始终保持一定值?! ?br />
新型开关电源具有创造性、节能性、环保性等诸多优势。它可作为工矿企业、科研机构和高等院校实验室的先进电源装备,并已在实验教学使用中,取得了良好效果。




