- 了解增强型电压模式 PWM 控制器
- 认识动态 MPPT 工作原理
- 学习前馈电压模式控制
- 应用NCP1294 太阳能充电控制器
相关阅读:
【class1】:高能效电源的设计指南
http://m.5r3h.cn/art/artinfo/id/80014501?source=lecture
【class2】:笔记本电脑电源适配器设计实例
http://m.5r3h.cn/art/artinfo/id/80014606?source=lecture
【class3】:应用于台式计算机、平板电视的高效能电源控制器方案
http://m.5r3h.cn/art/artinfo/id/80014717?source=lecture
【class5】:高能效智能电表电源方案
http://m.5r3h.cn/art/artinfo/id/80014979?source=lecture
众所周知,太阳能电池板有一个IV 曲线,它表示该太阳能电池板的输出性能,分别代表着电流电压数值。两条线的交叉点表示的电压电流就是这块太阳能电池板的功率。不利的是,IV曲线会随辐照度、温度和使用年限而变化。辐照度是给定表面辐射事件的密度,一般以每平方厘米或每平方米的瓦特数表示。如果太阳能电池板没有机械式阳光追踪能力,一年中辐照度会随着太阳的移动变化约±23度。此外,每天从地平线到地平线太阳移动的辐照度变化,可导致输出功率在一整天的变化。为此,安森美半导体开发了一款太阳能电池控制器NCP1294,用来实现太阳能电池板的最大峰值功率点跟踪(MPPT),以最高能效为蓄电池充电。本文将介绍该器件的一些主要功能和应用时需要注意的问题。
增强型电压模式 PWM 控制器
NCP1294 是一款固定频率电压模式 PWM 前馈控制器,包含电压模式运作所需的所有基本功能。作为支持降压、升压、降压-升压及反激等不同拓扑结构的充电控制器,NCP1294 针对高频初级端控制操作进行了优化,具有逐脉冲限流及双向同步功能,支持功率最高达 140 W 的太阳能板。这款器件提供的 MPPT功能能够定位最大功率点,并实时根据环境条件来调节,使控制器保持接近最大功率点,从而从太阳能板析取最大的电量,提供最佳的能效。
此外,NCP1294 还具有软启动、精确控制占空比限制、低于 50 μA 的启动电流、过压和欠压?;さ裙δ堋T谔裟苡τ弥?,NCP1294 可以作为一种灵活的解决方案,用在模块级电源管理(MLPM)解决方案。基于 NCP1294 的参考设计最大功率点追踪误差小于 5%,可以为串联或并联的四个电池充电。图 1 是NCP1294 120 W 太阳能控制器框图。

图 1:安森美半导体的 NCP1294 120 W 太阳能控制器框图
如图 1 所示,该系统的核心是功率段,它必须承受 12 V 至 60 V 的输入电压,并产生 12 V 至 36 V 的输出。由于输入电压范围覆盖了所需的输出电压,必须有一个降压-升压拓扑结构来支持应用。设计人员可以选择多种拓扑结构:SEPIC、非反相降压-升压。反激式、单开关正激、双开关正激、半桥、全桥或其他拓扑结构。
设计工作包括根据功率需求的增加隔离拓扑结构。电池充电状态的管理是由适当的充电算法完成的。太阳能电池板安装技师可以选择输出电压和电池充电速率。由于控制器要连接到太阳能电池板,它必须具有最大功率点跟踪,为最终客户提供高价值??刂破饔辛礁稣鼓?Enable)电路,一个电路检测黑夜时间,另一个检测电池的充电状态,使外部电路不会使电池对损坏点放电。由于控制器将由不同程度经验的现场技术人员和新手安装,因此重要的是输入和输出必须有反向极性?;?。另外,控制器和电池可能安装在过热或过冷的位置,控制器必须采用电池充电温度补偿。设计还应包括安全功能,如电池过压检测和太阳能电池板欠压检测。
动态 MPPT 工作原理
为了从功率可变的电源(即太阳能电池板)析取出最大的功率,太阳能控制器必须采用 MPPT。MPPT 必须首先找到最大功率点并及时调整环境条件,以保持控制器接近最大功率点。动态 MPPT 用在系统发生改变的情况下。由于每个开关周期都在发生变化,太阳能电池板汲取的功率也会在每个周期有明显的改变。动态MPPT利用太阳能电池板的电压骤降乘以每个开关周期增加的电流,以确定将要产生的误差信号来调节占空比。动态响应可检测 IV 曲线的斜率,从而建立一个功率斜坡,从误差信号相交点建立一个代表占空比的功率。当斜坡变化斜率从正到负时该周期结束,如图 2 所示。

图 2:PWM 稳压转换器的电压和电流
前馈电压模式控制
在传统电压模式控制中,斜坡信号有一个固定的上升和下降斜率。反馈信号仅来自输出电压。因此,电压模式控制线路稳压效果较差,且具有音频易感性。前馈电压模式控制源于斜坡信号输入线路。因此,斜坡的斜率随输入电压而变化。前馈功能也可以提供一个伏秒钳位,这就限制了输入电压和导通时间的最大乘积值。电路中的钳位电路,如正激和反激式转换器可用来防止变压器饱和。
NCP1294 太阳能充电控制器应用设计流程
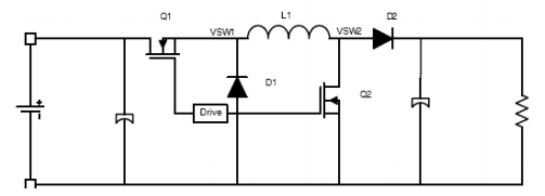
当选择太阳能控制器拓扑结构时,重要的是要了解转换器的基本操作及其局限性。选择的拓扑结构是非反相四开关非同步降压-升压拓扑结构。转换器利用来自 NCP1294 的控制信号运行,Q1 和 Q2 同时导通为 L1 充电。四开关降压-升压拓扑结构如图 3 所示,其中的电感器用来控制电压和电流。

图 3:四开关降压-升压拓扑结构
四开关非反相降压-升压有两种操作模式,即降压模式和降压-升压模式。在降压模式下,转换器产生输入电压脉冲,它经过 LC 滤波来产生一个较低的直流输出电压。输出电压可以通过修改相对于开关周期或开关频率的导通时间来改变。
如果输出电压可能达到 1%至 89%,太阳能控制器即运行在降压模式。如果由于占空比的限制而无法达到该输出电压,它会切换到降压-升压模式,此时即可达到该输出电压。从 89%到较低占空比的变化,如图 4 所示。

图 4:多个电池降压和升压模式之间的传递比
需要注意的是,当转换器模式从降压到降压-升压切换时,误差信号将需要一段时间来改变占空比。模式的瞬时变化将使降压-升压转换器试图在 89%占空比进行切换,并试图转换至 47%;这会导致转换器试图在失衡区(trade over region)输出 130 V 的结果。NCP1294 通过脉冲电流限制器提供了一个脉冲,可以阻止转换器能量达到危险的程度,在占空比条件下实现缓和过渡。
补偿网络
要创建一个稳定的电源,误差放大器周围的补偿网络必须配合 PWM 发生器和功率级使用。由于功率级设计的标准是根据应用设置的,补偿网络必须有正确的整体输出,以确保稳定性。NCP1294 是一个电压模式电压前馈器件,因此需要一个采用输入电压修改斜坡的电压环路。功率级的输出电感和电容可形成一个双极点,环路必须为此进行补偿。
系统开启和电池电流消耗
正在创建的系统连接了两个有限源,将在一天的不同时间为负载供电,如果是在同一时间将不会供电,除了短暂时间。该系统并不完整,没有安装电池和太阳能电池板,因此,有利于电池负载和太阳能电池板源存在与否的检测。例如,如果没有连接电池,在提供电池电压时,它不会消耗太阳能电池板的能量。如果连接了太阳能电池板,为了寻找要连接的太阳能电池板,电池将被耗尽。检查太阳能电池板连接和电池连接的一个简单解决方案是使用低电流消耗比较器。
在白天时间系统对电池充电,而在夜间电池放电照亮定义的空间。虽然输入能量不能保证,但输出能量可在相当长的时间保持不变。如果一个系统的大小不合适,电池可能因放电而损坏。要防止电池损坏,必须用 LED 电路抑制操作,防止电池耗尽。
输入和输出电流的平衡
当构建一个理想的太阳能控制器时,控制器应保护电池或负载,同时从太阳能电池板提取最大的能量。不幸的是,在现实世界中顾客或安装人员可能会购买一个大型太阳能电池板和一个小电池。如果太阳能控制器是在峰值功率下充电,电池充电速度过快,会缩短电池寿命或可能发生爆炸。控制器应该做的是管理电池需求,根据太阳能电池板提供的峰值功率来平衡充电速度。因此,最大电池充电速率的设定和选择方案是需要确定如何限制系统的输出电流。电流的设定是通过 NCP1294 所提供 3.3V 基准和电阻分压器网络完成的。短接一个或多个转接口(header)将实现不同的电流限制值。
[page]
反极性?;?br />
除了正常的太阳能电池板瞬态,还有四种不同的输入输出连接可能性。第一种情况,输入和输出连接正确,无需?;ぁ5诙智榭?,输入电压反向连接。如果在这种情况下允许电流流过,那么所有输出二极管都可能损坏。
不过,在图 5 所示 B 或 C 的输入端串联一个二极管就可以?;に衅骷?。串联二极管的一个缺点是,它会连续耗散系统功率。如果反向极性?;ざ芊旁诟叩缌飨低持校鸷目赡芑岷艽?。实施反极性?;さ牧硪恢址椒ㄊ欠胖靡桓龆?,例如,当施加反向电压时它会使保险丝开路,如图 5 D 所示。选择的保险丝可以是一个用户可更换或波利热熔断器。保险丝可以提供必要的?;?,但可能
导致不太好的用户体验。实现二极管反向极性?;さ牡退鸷姆绞绞鞘褂肕OSFET,当施加的电压极性正确时 MOSFET 导通,而在电压极性不正确时关闭。图5所示。

图 5:反极性的输入端连接
在第三种情况下,输出是反极性连接,输入是正确连接,功率元件可能会损坏。由于源假定为铅酸电池,?;ぶ凉刂匾?,因为损坏的元件可能消耗大量的能量。图5显示了防止反向输出电压的方法之一。
最后一种情况是输入和输出的连接都不正确。在这种情况下,如果设计人员实施了第二和第三种保护,输入和输出都将受到?;ぁI杓迫嗽辈挥雎缘缪挂种破?,它安装在瞬态电压的输入端,其极性可能正确或不正确。因此,重要的是要有双向瞬态抑制器,能够承受正常反极性电压而不会损坏。
[page]
电池充电
铅酸电池充电有三个阶段:恒流充电或大电流充电、吸收或恒压模式,以及浮充电。在大电流充电期间,电流保持恒定,这是由 NCP1294 脉冲电流限制和电流设置电路的脉冲完成的。除非最大功率点低于这个水平,电流都将保持在设计人员或用户设定的充电速率,此时将充电到最大功率点调整率。
OOV 比较器
NCP1294 配备了一个 OOV 比较器,可以监测输出电池电压,以确定是否反馈机制已损坏,或远程检测受到超过电池温度补偿的电池电压的影响。当断开OOV 时系统关闭。比较器可用在系统输入或系统输出,但推荐用作输出的故障安全机制。当使用单电池系统时,可以使用 18V 的触发点(trip point)或基于充电状态设置触发点。如果使用浮动电压状态,需要设置 15 V 为触发电压。
OUV 功能
NCP1294 的欠压锁定功能(OUV)功能可监测转换器的输入电压,以确定是否输入电压水平会导致热问题。OUV 可以独立监测输入电压,以确保输入电压在理想水平,从而提供最大输出功率。
OTP 功能
由于太阳能控制器可能以不恰当的方式使用,建议对降压主开关的温度进行监测,以确定它是否超过了最高温度水平。如果主 MOSFET 的温度已超过了适当的水平,过温?;?OTP)可以抑制电流以减少系统功耗。
热管理
NCP1294 是一个低功耗器件。一旦确定了 IC 功耗,设计人员可以计算出所需的热阻抗,以保持最差环境温度下指定的结温。太阳能控制器的热性能受 PCB布局影响很大。在设计过程中应格外小心,以确保 IC 和电源开关在建议的环境条件下工作。任何电源设计都应进行适当的实验室测试,以确保在最差工作条件下设计所需的功耗。在测试过程中考虑的变量应包括最高环境温度、最小气流、最大输入电压、最大负载和元件变化(即最差情况下 MOSFET 的 RDSON)。
太阳能电池板
NCP1294 评估板支持的太阳能电池板在 5 W 和 120 W 之间。这里考虑的是行业标准类型的太阳能电池板。最常见类型的太阳能电池是晶体硅,它有两种主要类型:单晶硅和多晶硅。单晶硅能效最高,但生产也比较昂贵,通常仅限于商业和住宅应用。非晶太阳能电池板由涂覆在不锈钢或类似材料上的熔融硅薄膜构成。晶体结构非常脆弱,通常夹在两片玻璃之间,以利于?;?。单晶硅的效率为18%,多晶硅为 15%,非晶态为 10%。

图 6:太阳能控制器电路板
利用这个功能丰富而灵活的解决方案,工程师可以根据不同太阳能电池板的要求开发出适用的产品,让最终用户享用到先进半导体技术带来的便利和更好的使用体验。





