- 学习开关电源并联均流技术
- 采用N+m冗余的方法
- 采用均流技术保证系统正常工作
1引言
在实际应用中,往往由于一台直流稳定电源的输出参数(如电压、电流、功率)不能满足要求,而满足这种参数要求的直流稳定电源,存在重新开发、设计、生产的过程,势必加大电源的成本、延长交货时间、影响工程进度。因此在实用中往往采用??榛墓乖旆椒ǎ捎靡欢ü娓裣盗械哪?槭降缭?,按照一定的串联或并联方式,分别达到输出电压、输出电流、输出功率扩展的目的。
但是电源输出参数的扩展,仅仅通过简单的串、并联方式还不能完全保证整个扩展后的电源系统稳定可靠的工作。不论电源??槭抢┭够故抢┝?,均存在一个“均压”、“均流”的问题,而解决方法的不同,对整个电源扩展系统的稳定性、可靠性都有很大的影响。由于目前稳定电源输出扩流应用较多,本文仅讨论开关电源并联均流技术。均流的主要任务是:
(1)当负载变化时,每台电源的输出电压变化相同。
(2)使每台电源的输出电流按功率份额均摊。
2提高系统可靠性方法
(1)在电源并联扩流过程中,为了提高系统工作稳定性,可采用N+m冗余的方法。其中m表示冗余份数,m值越大,系统工作可靠性越高,但是系统成本也相应增加。
(2)采用均流技术保证系统正常工作。在电源并联扩流中,应用较为广泛的办法是自动均流技术。它通过取样、电子控制调节环路来保证整个系统的输出电流按每个单元的输出能力均摊,以达到既充分发挥每个单元的输出能力,又保证每个单元可靠工作的目的。
(3)均流技术应满足条件:
·所有电源模块单元应采用公共总线。
·整个系统应有良好的均流瞬态响应特性。
·整个并联输出扩流系统有一个公共控制电路。
(4)常用的几种并联均流技术:
·改变单元输出内阻法(斜率控制法)
·主/从控制法(master/slave)
·外部控制电路法
·平均电流型自动负载均流法
·最大电流自动均流法(自动主/从法、民主均流法)
·强迫均流法
3关于均流技术中常用的一些概念
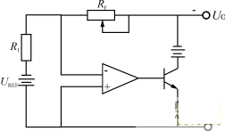
3.1稳压源(CV)
电路框图和特性曲线分别如图1(a)、(b)所示,输出电压UO=RFUREF/R1

(a)

(b)
图1
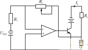
[page]3.2稳流源(CC)
电路框图和特性曲线分别如图2(a)、(b)所示,输出电流IO=RFUREF/(RSR1)

(a)

(b)
图2
3.3CV/CC(恒压/恒流交叠)特性曲线如图3所示

图3
4常用几种均流技术的工作原理
4.1改变单元输出内阻法(斜率控制法、电压下垂式、输出特性斜率控制式)
实现方式:
·UO固定,改变斜率
·斜率固定,改变输出电压
(1)工作原理和特性曲线

(a)

(b)
图4
见图4(a)、(b),图中△Imax=△UOImax/△Uslope,内阻RO=△UO/△IO当单元输出电流IO1增加时,IO1在电流检测电阻RS上的压降增加,致使A1输出电压增加,与单元电压反馈信号Uf叠加后送至A2反相输入端,经A2放大后输出Ur变负,利用这个Ur电压控制单元输出电流,从而实现均流。
由图4(b)可以看出:当典型值△UO=±0.1%,△Uslope=±2%,则△Imax=0.05Imax,即调整精度为5%。这种调节精度对大多数调节系统来说是能接受的。
[page]
(2)改变单元输出内阻法(斜率法)特点
·小电流时均流效果较差,这点可从公式
△Imax=0.05Imax看出。
·大电流时均流效果较好。
·对电压源来说,内阻RO(斜率)应越小越好,但是这种均流方法利用改变RO来实现均流,降低了电源输出的负载特性,即以牺牲电路的技术指标来实现均流。
·随着微处理器技术的发展,这种方法很容易实现程控,从而实现比较理想的均流控制特性。
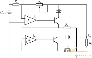
4.2主/从控制法(Master/Slave)
(1)工作框图
见图5,在这种工作方式下用n个单元,其中一个单元(主控单元)工作在电压源(CV)方式,其余n-1个单元工作于电流源(CC)方式,利用来自输出电流的误差电压△U来实现均流控制。它实际上是由电压环(外环)和电流环(内环)构成电流控制型的双环控制,或说成是电压控制的电流源。
(2)主要特点
·一旦主控单元出现故障则整个系统崩溃。

图5
·由于电压环工作频带宽,易受噪声干扰。
·主/从单元间必须要有通讯联系,所以整个系统较复杂。
·可靠性取决于主???,只能均流,不能构成冗余系统。
·适用于n个功率单元的系统。
4.3外部电路控制法
(1)工作原理
每一个单元加一个输出电流检测电路来检测它的电流,产生的反馈信号调节每个单元的电流,从而达到各单元间输出均流的目的。在这种情况下,每个单元间应有公共总线。
(2)优缺点
·这种控制方法均流效果较好,但是每个单元需附加一个电流控制电路,成为控制环路的一部分,需满足环路的总体要求,否则会降低单元的技术指标及工作稳定性,降低系统的动态响应特性。
·由于每个单元都需要一个控制电路,所以整个扩流系统连线较多。
4.4平均电流型自动负载均流法(自动均流)
(1)工作框图
见图6,这种均流方式采用一个窄带电流放大器,输出端通过阻值为R的电阻连到均流母线上,n个单元采用n个这种结构。

图6
当输出达到均流时,电流放大器输出电流I1为零,这时IO1处于均流工作状态。反之,在电阻R上产生一个Uab,由这个电压控制A1,由A1再控制单元功率级输出电流,最终达到均流。
[page]
(2)特点
·均流效果较好,易实现准确均流。
·在具体使用中,如出现均流母线短路或接在母线上的一个单元不工作时,母线电压下降,将使每个单元输出电压下调,甚至达到下限,以致造成故障。并且当某一??榈牡缌魃仙罥omax时,电流放大器输出电流也达到极限值,同时致使其它单元输出电压自动下降。
·可以构成冗余系统,均流??槭砺凵峡梢圆幌?。
·缺点为了使系统在动态调节过程始终稳定,通常要限制最大调节范围,要将所有电压调节到电压捕捉范围以内。如果有一个??榫飨叨搪?,则系统无法均流。单个??橄蘖饕部赡芤鹣低巢晃榷?。在大系统中,系统稳定性与负载均流瞬态响应的矛盾很难解决。如果在图6中的R支路上串一只二极管,则构成所讲的最大电流自动均流法。
4.5最大电流自动均流法(民主均流法,自动主/从控制法)
(1)工作原理
将图6所示均流框图中的电阻R用一个二极管代替,二极管正端接a,负端接b。这样只有当n个单元中输出电流最大的一个电流放大器输出才能使二极管导通,从而影响均流母线电压,进而达到该单元均流调节作用。这种方法一次只有一个单元参与调节工作。
(2)特点
·在这种均流方式下,参与调节的单元由n个单元中的最大输出电流单元决定,一次只有这个最大输出电流单元工作,这个最大电流单元是随机的,所以有人把这种均流方法叫做“民主均流法”。又由于一旦最大均流单元工作,它处于主控状态,别的单元则处于被控状态,因此又有人把这种方法叫做“自动主/从控制法”。
·由于二极管总有正向压降,因而主单元均流总有误差,而从单元的均流效果是较好的。美国优尼则公司的UC3907集成均流控制芯片就工作在这种方式下。最大均流法的特点和平均电流法的特点相似。
4.6强迫均流法
所谓强迫均流,就是通过监控??槭迪志?。实现方式主要有软件控制和硬件控制两种。
软件控制是通过软件计算,比较模块电流与系统

图7
平均电流,然后再调整??榈缪?,使其电流与平均电流相等。软件方式易于实现,均流精度高,但其瞬态响应比较差,调节时间长。硬件控制方式原理如图7所示,取样电压Us与系统基准电压Ur相比较产生误差电压Ue,该电压送至每个??椋肽?榈缌飨啾冉?,调节??椴慰嫉缪?,从而改变输出电压,调节输出电流,实现均流。这样,每个模块都相当于电压控制的电流源。这种均流方式精度高,动态响应好,可控制模块多,可以很方便的组成冗余系统。
对这种硬件强迫均流方法的一种改进就是所谓的PWM强迫均流法。工作原理如图8所示。

图8
强迫均流依赖监控模块,如果监控??槭?,则无法均流,这一点使用时应注意。在强迫均流中,每个监控系统监控的??槭纱?00个,参数设置好后(即使??榈缪瓜嗖罱洗螅?伏或更大)不需任何调整,均流精度高于2.5%,负载响应快(在几百ms内),无振荡现象。
5小结
本文主要讨论了6种常用的均流技术。其中改变单元输出内阻法(斜率法)和最大电流自动均流法、强迫均流法应用较广,并且已有现成的集成控制芯片。同时,随着微处理技术的迅速发展,整个系统可采用智能总线结构,从而实现均流冗余控制、故障检测、故障信息显示等功能,就会使均流效果更理想、使用界面更友好、更方便。



