中心议题:
- 电源???/a>N+m冗余结构的好处
- 集中传统的电源模块并联均流电路
1 概述
随着电力电子技术的发展,各种电子装置对电源功率的要求越来越高,对电流的要求也越来越大,但受构成电源模块的半导体功率器件,磁性材料等自身性能的影响,单个开关电源??榈氖涑霾问ㄈ绲缪?、电流、功率)往往不能满足要求。若采用多个电源??椴⒘┑?,如图1所示,就不但可以提供所需电流,而且还可以形成N+m冗余结构,提高了系统的稳定性,可谓一举两得。

图1 多个电源??椴⒘┑缈蛲?nbsp;
但是,在电源??椴⒘诵惺?,由于各个模块参数的分散性,使其输出的电流不可能完全一样,导致有些??楦汉晒?,有些模块过轻。这将使系统的稳定性降低,会给我们的生产和生活带来严重的后果,而且电源??樽陨淼氖倜不岽蟠笏醵?。国外有资料表明,电子元器件在工作环境温度超过50℃时的寿命是在常温(25℃)时的1/6。因此,使各并联电源??榈氖涑龅缌髌骄峙?,是提高并联电源系统稳定性的一个必须解决的问题。
本文从均流电路的拓扑结构出发,介绍几种传统的并联均流方案,对于其他均流方案(比如按热应力自动均流法),暂不做讨论。对于文中提到的每一种均流方法,都做了详细的介绍,并结合简单电路图,讲述其工作原理及优缺点。
2 N+m冗余结构的好处
采用N+m冗余结构运行,可以提高系统稳定性。
N+m冗余结构,是指N+ m个电源??橐黄鸶低彻┑纭U饫颪表示正常工作时电源??榈母鍪?,m表示冗余模块个数。m值越大,系统工作可靠性越高,但是系统成本也会相应增加。
在正常的工作情况下,由N个??楣┑?。当其中某个或者某些??榉⑸收鲜?,它们就退出供电,而由m个??橹械囊桓龌蛉慷ヌ?,从而保证整个系统工作的持续性及稳定性。
以某个输出电流为100A的系统为例来说明冗余结构运行的好处,这里只讨论1+1,2+1,3+1三种工作方式,如图2所示。各电源??榈墓ぷ髑榭鲇蒏n的闭合情况决定。

(a) 1+1

(b) 2+1

(c) 3+1
图2 三种冗余结构
如果采用1+1冗余结构,即采用两个输出电流为100A的电源模块并联供电。正常情况下只有一个??楣ぷ鳎彼⑸收?,退出工作时,另一个模块开始工作,系统仍然能正常运行。
如果采用2+1冗余结构,即采用3个输出电流为50A的电源??椴⒘┑?。正常情况下只有两个??楣ぷ?,当其中之一发生故障,退出工作时,另一个模块开始工作,系统仍然能正常运行。
如果采用3+1冗余结构,即采用4个输出电流为33A的电源??椴⒘┑纾G榭鱿轮挥?个??楣ぷ?,当其中之一发生故障,退出工作时,另一个??榭脊ぷ鳎低橙匀荒苷T诵?。
比较上面三种工作方式,采用2+1这种方式最好,这是因为,1+1方式中有一半的功率被闲置,而3+1方式中使用元器件太多,成本过高,经济性不好。
[page]
3 几种传统的并联均流方案
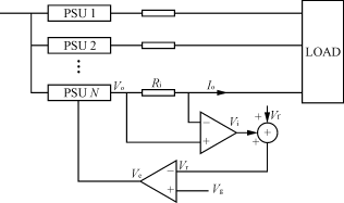
3.1 下垂法
下垂法全称外特性下垂法,也叫做斜率控制法。在并联电源??橄低持?,各个电源模块是独立工作的。每个模块根据其外特性以及电压参数值来确定输出电流。在下垂法中,主要是利用电流反馈信号来调节各??榈氖涑鲎杩梗簿褪堑鹘赩o=f(Io)的斜率,从而调节输出电流。其工作原理图如图3所示。

图3 下垂法工作原理图
Ri为任一并联模块输出电流Io的采样电阻,经电流放大产生电流反馈电压信号Vi,Vf为输出电压反馈,Vr为Vi与Vf的和,Vg为控制基准电压(5V),Ve为误差电压。当某一模块输出电流Io偏大时,电压与电流反馈合成信号Vr=Vi+Vf增大,与Vg进行比较后,使Ve减小,Ve反馈回电源模块的控制部分,使该??榈氖涑龅缪笽o下降,则Io减小,即Vo=f(Io)外特性下调。每个模块各自调整自己的输出电流,就可以实现各??榈牟⒘鳌?nbsp;
这种方法的优点是简单,不需要外加专门的均流装置,属于开环控制。缺点是调整精度不高,每个??楸匦虢懈霰鸬髡?,如果并联的??楣β什煌幕?,容易出现??榧涞缌鞑黄胶獾南窒?。
3.2 主从电源法
主从电源法是将并联的多个电源模块中的一个作为主??椋渌?楦嬷髂?楣ぷ?。具体工作过程是:主??榈墓ぷ鞯缌饔胧涑龇蠢⌒藕沤斜冉?,将差值信号反馈回各电源模块(包括主??楹痛幽?椋┑目刂频缏?,从而调节各模块的输出电流大小。
如图4所示,设???为主???,其输出电流的采样电压为V1,其他模块输出电流的采样电压为Vn。当某一模块输出电流偏大时,相应的Vn增大,与V1比较,得到的Ven减小,反馈给该??榈目刂频缏分校跣∑涫涑龅缌?,从而实现均流。

图4 主从电源法工作原理图
主从??榉ǖ挠诺闶遣恍胪饧幼诺目刂频缏?。其缺点是,各个模块间需要有通信联系,连线比较复杂;其最大缺点是,一旦主模块出现故障,则整个电源系统将崩溃,所以,不能用于冗余结构中。
3.3 自动均流法和最大电流法
自动均流法也叫单线法,其工作原理是,将各电源??槎纪ü桓龅缌鞔衅骷耙桓霾裳缱杞拥揭惶蹙髂赶呱?。
如图5所示,当输出达到均流时,输出电流I1为零。反之,则电阻R上由于有电流I1流过,在其两端产生一个电压Uab,这个电压经过放大器A输出电压Uc,它与基准电压Ur比较后的ΔU,反馈回电源模块的控制部分,从而调节输出电流,最终实现均流。

图5 单线法工作原理图
自动均流法的优点是,电路简单,容易实现。缺点是,如果有一个??橛刖髯芟叨搪?,则系统就无法均流,而且单个??橄蘖饕部赡芤鹣低巢晃榷ā?nbsp;
[page]
若将图5中的电阻用一个二极管代替,二极管正端接a,负端接b。这样,N个并联的电源??橹?,只有输出电流最大的那个??榈牡缌鞑拍苁褂胨拥亩艿纪ǎ佣髯芟叩缪咕偷扔诟媚?榈氖涑龅缪?,其他??樵蛞跃髯芟呱系牡缪刮迹吹鹘诟髯缘氖涑龅缌?,从而实现均流。
如果单纯以二极管来代替采样电阻,则由于二极管本身有正向压降存在,所以,主??榈木骶然峤档?,而从??椴皇苡跋?。这里可以用图6所示的缓冲器来代替,从而提高均流精度。

图6 缓冲器电路
采用这种均流方式,参与均流的N个电源模块,以输出电流最大的为基准,这个最大电流??槭撬婊模庵志鞣椒ㄒ步凶?ldquo;民主均流法”。由于最大均流单元工作于主控状态,别的单元工作于被控状态,所以,也把这种方法叫做“自动主从均流法”。
美国Unitrode公司开发的UC3907系列集成均流控制芯片就是采用这种工作方式。 UC3907芯片使多个并联在一起的电源??榉直鸪械W芨涸氐缌鞯囊徊糠郑⑶宜械5母涸氐缌鞔笮∠嗟?。通过监测每个??榈牡缌?,电流均衡母线确定哪个并联模块的输出电流最高,并把它定为主模块,再根据主模块的电流调节其他??榈氖涑龅缌?,从而实现均流。
3.4 外部控制器法
外部控制器法就是在各并联电源??橹猓右桓鲎沤胁⒘骺刂频耐獠磕??,如图7所示。

图7 外部控制法工作原理图
每个模块的输出电流采样,转化为电压信号,与给定的电压Vcc进行比较,所得差值输入到各电源??榈目刂撇糠郑庋涂梢允迪指髂?槭涑龅缌鞯牟⒘?。
这种工作方式,需要外加专门控制器,加大了投资,而且控制器与个电源??橐卸嗦妨樱呓细丛?,但是均流效果非常好,各??槭涑龅缌骰鞠嗟?。




