中心议题:
- ETC系统介绍
- 低功耗智能电源在电子不停车收费系统中应用设计方案
- 智能电源电路设计及器件选择
高性能和低功耗是电子系统发展的必然趋势,嵌入式系统的功耗越来越受到人们的关注,这一点对于电池供电的便携式嵌入式系统尤为明显,在大多数嵌入式系统设计中,性能的提高总是伴随着系统功耗的增加,解决好二者之间的矛盾,探索低功耗的电源管理技术,提供切实可行的解决方案,将是全球相关行业共同面临的机遇和挑战。本文以电子不停车收费系统为基础,对系统中车载单元提出了一种有效的智能电源管理解决方案。
1 ETC系统介绍
电子不停车收费(ElectronicTollCollection,ETC)设计成由路边读写设备(Road Side Unit,简称RSU)、车载单元(OnBoardUnit,简称OBU)、IC卡、计算机安全控管技术、网络及账务等几大部分组成。
其组成由图1.1 所示:

图1. 1 ETC系统组成图
OBU 中存有车辆的识别信息,如车牌号、汽车ID号,一般安装于车辆前面的挡风玻璃上,RSU安装于收费站旁边,环路感应器安装于车道地面下。中心管理系统有大型的数据库,存储大量注册车辆和用户的信息。当车辆通过收费站口时,环路感应器感知车辆,路边单元发出询问信号,车载单元做出响应。并进行双向通信和数据交换,中心管理系统获取车辆识别、车型等信息并和数据库中相应信息进行比较判断,根据不同情况来控制管理系统产生不同的动作。通过路边单元与车载单元进行相互通信和信息交换,以达到对车辆的自动识别,并自动从该用户的专用帐户中扣除通行费,从而实现自动收费。
因为OBU在整个ETC 系统中起着非常重要的作用,而电源??榈男阅苤苯庸叵底臤BU能否正常工作。现有的OBU供电方式一般有两种,但各有缺憾。据此,新的低功耗电源设计方法应该产生。
2 低功耗智能电源在电子不停车收费系统中应用设计方案
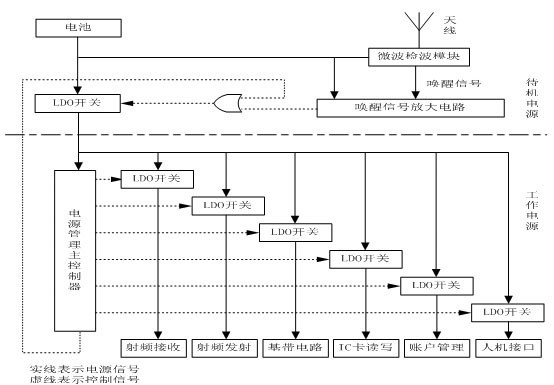
如OBU这种以嵌入式处理器为核心的系统,其功耗主要由处理器功耗和外围电路功耗组成。考虑实际的运行情况,汽车在公路上行驶的整个过程中,经过收费站的时间是非常短的,OBU只需要在汽车经过收费站时工作,而且工作时间不到一秒钟,其他绝大部分时间都不需要工作。OBU智能电源管理采用电池供电的方法,控制OBU 工作在两种模式,睡眠模式和激活模式;当车进入收费站时,OBU被激活,开始工作,处于激活模式;当交易完成,车离开收费站后,OBU马上停止工作进入睡眠模式。根据这种特点,对电源采用分级管理的策略,即分为待机电源与工作电源,如图2.1。

图2. 1 OBU电源管理分级??榻峁雇糩page]
同时,为实现进一步的分时供电控制,工作电源??橛职垂δ苣?榛侄懒⒌缭椿芈?,各个模块电源独立可控,由主控制器统一协调。
激活的MCU,使用中断编写方式,对各个I/O 进行判断后分时控制,输出各个耗电??榈腄C/DC使能高电平信号,分时为射频接收、射频发送、基带电路、IC卡读写、账户管理及人机接口供电;在任一时刻,系统除主控制器外最多只为2 个??楣┑纾蟠蠹跎倭讼低车墓?。
3 智能电源电路设计及器件选择
3.1 放大电路设计
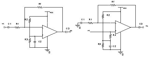
从检波器检测出来的信号是非常微弱的,可能是几毫安甚至是微安级的,这么小的信号一般是不能满足后级各种电路对信号幅度的要求,所以必须要进行放大。运算放大器的静态电流与带宽是成正比的,带宽越大,静态电流也越大,这一点在各大半导体生产商的选型表中可以明显的看出;通过比对,为了设计出增益大、噪声小、又具有一定带宽的放大器,本设计选择TLV2382 最为唤醒信号放大器。

图3. 1 运算放大器单电源供电电路
3.2 低功耗M C U 软硬件设计
为了实现低功耗,MCU应该选择自身能耗低的型号,一款超低功耗MCU,主要从以下几方面综合考虑:系统平均电流、时钟系统、中断、片内外设、BOR ?;?、管脚漏电流、处理效率。根据这一特点,本设计选择了美国德州仪器(TI ) 1996 年开始推向市场的一种16 位超低功耗的混合信号处理器(Mixed SignalProcessor) MSP430 系列单片机。
3.3 系统时钟的设计
对于一个带有低电压睡眠唤醒的系统,晶振的选择非常重要。这是因为低供电电压使提供给晶体的激励功率减少,特别在睡眠唤醒时,造成晶振启振很慢或根本就不能启振,而启动时间过长将会明显地增加系统的功耗。MSP430F2001 设计的系统可以很好地解决这个问题。
低速时钟选用12kHz 的VLOCLK,高频由内部集成的DCO振荡器产生,可以通过调整的控制参数选择合适的输出频率。
3.4 电源供电的设计
本系统采用2 节干电池作为测试供电,通过电源芯片产生+3.3V的电压。由于TPS79633 的输入电压范围是2.7~5.5V,使能信号高电平,而且低电平,因而可以直接使用单片机的I/O 管脚作为使能信号。
MCU的工作与否完全由总开关的输出POW所决定,单片机只在工作与断电之间转换。其他I/O 接口作为控制其余??榈氖涑?,进行分时控制。
3.5 软件设计
在降低功耗上必须软硬件结合才能达到理想的效果。软件设计主要注意以下方面:
系统采用中断编写方式,对各个I/O 进行判断,分时控制,对每个模块分时供电,从而降低功耗。其次输出一个反馈信号,对总开关进行控制,达到断电的功能。
系统的功耗会随着系统的频率升高而增加,在系统开始工作后使用12kHz 的主时钟可以降低工作时的功耗。
4 结论
嵌入式系统的低功耗设计是嵌入式系统设计中必须考虑的设计原则,一个成功的低功耗设计应该是硬件设计和软件设计的结合,从硬件设计开始,就应该充分意识到一个低功耗应用的特性,选择一款合适MCU,通过对其特性的了解,设计系统方案;在软件设计上,要考虑到低功耗编程的特殊性,并尽量使用单片机的低功耗模式。



