中心议题:
- LED照明用恒流电源方案比较与选择
- LED照明用恒流电源电路与程序设计
- LED照明用恒流电源方案理论分析与计算
- LED照明用恒流电源测试方案与测试结果
解决方案:
- 控制电路与控制程序设计
- 保护电路设计
- 功率因数校正电路设计
- 自动调光电路设计
一、方案比较与选择
1 电路拓扑结构方案
方案一:采用反激式拓扑结构的功率因数校正电路,优点是将功率因数校正与电源变换器合二为一,可以大大减少电路的损耗,提高电路的整体效率,缺点是应用在反激式电路的有源功率因数校正控制芯片种类较少,且电路比较复杂,很难设计与单片机合适的接口电路,不容易使用单片机进行控制。
方案二:将功率因数校正电路与主控电路分开,采用Boost 型的功率因数校正电路后接电源变换器的方案,优点是电路结构简单,并不涉及单片机对功率因数校正电路的控制,只需使功率因数校正部分输出一个稳定的电压即可,缺点是会一定程度上降低设计的整体效率。
鉴于本题要求步进调压的功能,需要单片机对PWM控制芯片有一个良好而稳定的控制,故选择方案二。
2 电源变换器方案
方案一:采用半桥变换电路,优点是高频变压器利用率高,传输功率大,电路效率很高,缺点是电路较复杂,且有直通危险。
方案二:采用单端反激变换电路,优点是电路结构简单,缺点是高频变压器利用率低,需要留有气隙,电路效率不高。
鉴于本题要求最大负载只有10 个1W 的led,传输功率较小,故采用方案二,即反激式电路拓扑结构。
3 闭环反馈控制方案
方案一:采用软件闭环反馈控制,即使用单片机进行各参数的采样,然后直接由单片机对PWM控制芯片进行控制,调节占空比。优点是电路结构简单,缺点是反馈回路会受到采样精度、采样速度、单片机运算速度等因素的影响,使反馈系统变得不稳定。
方案二:采用硬件闭环反馈控制,即使用硬件电路构建反馈电路,由PWM控制芯片自身根据反馈信号调节占空比,而单片机对PWM控制芯片只是进行辅助调整。优点是反馈速度快,调节精度高,缺点是易受外部干扰。
4 有源功率因数校正方案
方案一:采用UC3854作为有源功率因数校正电路的主控芯片。优点是功率因数校正系数可达99.5%,缺点是外围电路非常复杂且调试困难,方案二:采用MC33260作为有源功率有源功率因数校正电路的主控芯片。优点是外围电路简单,缺点是功率因数校正率与UC3854相比略低。
220VAC经工频变压器降压为36VAC,经开机冲击电流抑制电路输入到功率因数校正电路中,再经高频隔离变压器给串联在一起的LED灯供电,在LED灯处分别进行电压、电流采样,返回给PWM控制芯片和单片机,由单片机给定基准电压来控制PWM控制芯片,进而达到控制LED灯恒流可调的目的。系统总体结构框图如图1所示。

图1 系统总体框图[page]
二、电路与程序设计
1 电源变换器主回路与器件选择
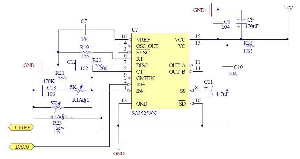
PWM 控制芯片采用SG3525。SG3525 的主要特点是:输出级采用推挽输出,双通道输出,占空比0 - 50%可调。每一通道的驱动电流最大值可达200mA,灌拉电流峰值可达500mA。
SG3525 的1、2 引脚分别为内部误差放大器的反相输入端和同相输入端,反相输入端接收反馈的电压信号,同相输入端为给定的电压基准,一般接在16 引脚电压基准的分压上,由于题目要求恒流输出时电流步进可调,故同相输入端接单片机DAC ??椴牟慰嫉缪?。
负载的电流采样由串联在LED 负载与地之间的采样电阻完成,经一级跟随、一级同相放大之后分别给单片机和PWM控制芯片;电压采样由负载和电流采样电阻上的电压分压完成,经一级跟随分别给单片机和PWM 控制芯片。为完成恒压与恒流模式的切换,分别在电压采样回路与电流采样回路与PWM 控制芯片间各加入一个N 沟道MOSFET 作为电子开关,完成切换。为保证反馈的稳定性在MOSFET 后再加一级跟随后将反馈信号传递给PWM 控制芯片。

图2 PWM 控制???/p>
2 控制电路与控制程序设计
由于本设计的控制部分并不需要很大的计算量,对计算速度的要求也不是很高,但需要ADC 与DAC ??榻械缪褂氲缌鞯牟裳投訮WM 控制芯片的控制,因此选用C8051F020单片机作为核心处理芯片,它拥有高速8051 微控制器内核,8 个12 位ADC和2 个12 位DAC,完全可以满足设计的需求。
由于本LED 恒流电源工作时绝大部分时间处于稳定状态,且对反应速度没有过快要求,因此并不需要对电压、电流信号进行同时的采样,而可以分别采样,模式切换和基准电压的调整也不需在中断服务中完成,只有步进调整电流的按键程序需要在中断服务中完成。
3 ?;さ缏飞杓?br />
过压?;さ缏凡⒉皇堑ザ郎杓频?,而是整合在电流控制电路中,由恒流控制回路与恒压控制回路的切换完成,当单片机检测到负载上的电压高于36V 时,单片机控制将恒流控制回路切换为恒压控制回路,将负载的电压控制在略高于36V,当再次检测到负载电流降低到设定的电流以下时,重新将恒压模式切换为恒流模式,达到过压?;さ哪康摹?/p>

图3 控制程序流程图[page]
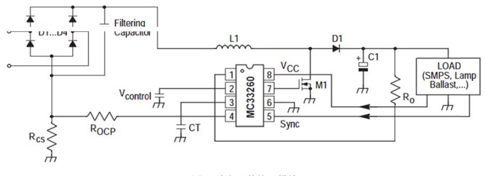
4 功率因数校正电路设计
选用小功率功率因数校正芯片MC33260,它工作在电流临界模式。MC33260应用简单可靠。通过电流检测和电压反馈,通过PI调节来保持电压恒定。通过对开关管的PWM控制来得到所需要电压。可实现0.998的功率因数校正和输出稳定直流电压的功能。

图4 功率因数校正模块
5 自动调光电路设计,开机冲击电路与EMI抑制电路设计
自动调压电路采用光敏电阻作为感光元件,利用比较强将光的强弱转换为高低电平信号,使用单片机内置的ADC将这个电压信号采回单片机,当光照强度较高时,单片机控制切换为恒流模式,设置的负载电流值为100mA,使LED的亮度随光照强度的增大而减少。
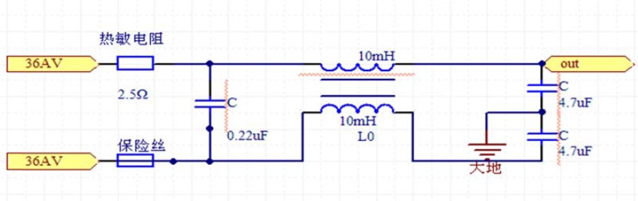
开机冲击电路采用热敏电阻串联在电源输入端,温度较低时电阻很大,随着电阻发热温度升高,电阻逐渐变小,达到抑制开关冲击电流过大的目的。
EMI抑制电路是利用电感和电容的特性,使平率为50Hz左右的交流电可以顺利通过滤波器,但高于50Hz以上的高频干扰杂波被滤波器滤除,这就使开关电源产生的高频谐波被滤掉而不会污染电网。

图5 开机冲击电流和EMI抑制模块
三、理论分析与计算
1 恒流控制方法和参数计算
将一个电阻值较小的采样电阻串联在LED负载与低之间,设流过LED的电流为I,则采样电阻两端的电压:
![]()
其中R0为采样电阻的电阻值,取R0=Ω。一级跟随之后电压不变,后为一级同相放大电路,放大倍数为:

后为一级跟随,电压不变,因此返回PWM控制芯片的电压为:
![]()
单片机通过DAC给PWM控制芯片一个参考的基准电压UREF,经过PWM控制芯片的调节占空比来调节副边绕组的电压进而实现调节负载电流。经过闭环负反馈的调节作用,使U0=UREF,此时流过负载的电流值为:

只要时单片机DAC模块的输出电压根据上面的式子调整,就会使负载工作在某一个需要的恒定电流值上。
2 隔离变压器的设计计算
功率因数校正电路输出的电压为55V,要求负载为10只串联的LED灯,实测正常工作时的电压为34V左右,可得变压器的变比约为:

由于PWM控制芯片输出占空比范围为0%~50%,因此实际取原边45匝,副边56匝,变比为1.24。
[page]
3 提高效率的方法
选择合适的主回路拓扑,使用尽可能少的元器件,降低开关频率;主电路选择导通损耗小的开关器件;测量及控制电路在设计时尽可能使用工作电压低的元器件;控制电路尽可能使用数字方法实现等都可以有效地提高系统的效率。
4 滤波参数计算
反激式电压变换器需要输出的为直流量,因此尽量应滤掉所有谐波,使用 LC 无源低通滤波电路即可满足要求,反激式变换器的开关频率为32kHz,设计滤波器的截止频率应低于32KHz,即:

由于该系统为恒流系统,应取较大的L 值,并适当减小C 的值,据此设定L、C 值。选用470μF 的电解电容,根据计算得出电感值约为0.78mH,采用自制的工字型滤波电感。
四、测试方案与测试结果
1 测试仪器与设备
(1)工频变压器
(2)四位半数字万用表DT9203
(3)安捷伦示波器DSO5012A
2 测试数据
(1)输出电流跟踪测试:

表1 输出电流显示跟踪测试
(2)电压调整率测试(设定电流为150mA):

表2 电压调整率测试
从32V~40V 时电流变化范围是149mA~150mA 调整率为0.6%,电压调整率Su≤1%,达到要求。
[page]
(3)负载调整率测试
输入电压为36.23V,设定电流为300mA,负载从5 个LED 到10 个LED 时输出电流波动范围是209mA~300mA。调整率为0.4%。负载调整率SL≤1%达到要求。

表3 负载调整率测试
(4)效率测试
U2=36V、负载为10个LED、I0=300mA。

表4 效率η参数测试
(5)功率因数测试
测得功率因数为0.998,达到要求。

图6 功率因数校正波形



