中心议题:
- 车载电源电路结构与功能分析
解决方案:
- SPWM调制信号的产生
- 过电流保护电路设计
- 驱动电路设计
随着社会的发展,汽车越来越与人们的生活息息相关,而汽车用的直流电压一般为12V,不能为便携式电子设备直接使用。为此,车载电源(就是把直流12 V电压转换成交流220 V/50 Hz电源)的研制日益引起人们的重视。
传统车载电源一般采用逆变器加工频变压器的方案,它存在体积大、效率低等缺陷。随着新型电力电子器件和电力电子技术的发展,采用高频链的方案来实现无工频变压器的逆变电路,可以很好地解决传统车载电源存在的问题,同时能保证车载电源的输出电压更稳定、更平滑。
1 车载电源电路结构与功能分析
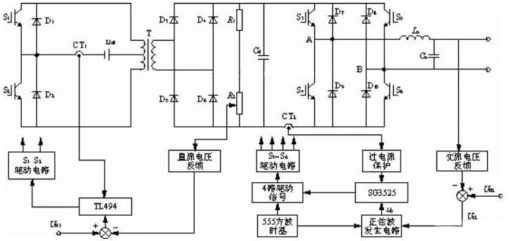
车载电源系统如图1所示。12V直流电压经过高频逆变和高频整流,得到一个符合要求的:350V直流电压,该部分的控制信号由TL494芯片产生。

图1车载电源系统结构
再经过全桥DC/AC逆变电路,得到220V/50Hz交流电压输出。为保证系统可靠运行,防止主电路对控制电路的干扰,采用主、控电路完全隔离的方法,即驱动信号用光耦隔离,反馈信号用变压器隔离,辅助电源用变压器隔离等。
对于整个系统而言,逆变电路能否正常工作决定了整个系统能否正常运行。所以,设计的重点在逆变器的控制和检测上。
1.1 SG3525结构框图和引脚功能
系统采用SG3525来实现SPWM控制信号的输出,该芯片其引脚及内部框图如图2所示。

图2 SG3525引脚及内部框图
直流电源的输入端,产生稳定的+5V基准电压。+5V再送到内部(或外部)电路的其它元器件作为电源。
振荡器脚5须外接电容CT,脚6须外接电阻RT。振荡器频率f由外接电阻RT和电容CT决定,f=1.18/RTCT。逆变桥开关频率定为10kHz,取CT=0.22雾,RT=5k
[page]
一路以时钟脉冲形式送至双稳态触发器及两个或非门;另一路以锯齿波形式送至比较器的同相输入端,比较器的反向输入端接误差放大器的输出。误差放大器的输出与锯齿波电压在比较器中进行比较,输出一个随误差放大器输出电压高低而改变宽度的方波脉冲,再将此方波脉冲送到或非门的一个输入端?;蚍敲诺牧砹礁鍪淙攵朔直鹞忍シ⑵骱驼竦雌骶獬莶?。双稳态触发器的两个输出互补,交替输出高低电平,将PWM脉冲送至三极V1及V2的基极,锯齿波的作用是加入死区时间,保证V1及V2不同时导通。最后,V1及V2分别输出相位相差180°的PWM波。
1.2 SPWM调制信号的产生
要得到正弦电压的输出,就要使逆变电路的控制信号以SPWM方式控制功率管的开关,所得到的脉冲方波输出再经过滤波就可以得到正弦输出电压。通过SG3525来实现输出正弦电压,首先要得到SPWM的调制信号,而要得到SPWM调制信号,必须得有一个幅值在1~3.5V,按正弦规律变化的馒头波,将它加到SG3525脚2,并与锯齿波比较,就可得到正弦脉宽调制波。
实现SPWM的控制电路框图如图3(a)所示,实际电路各点的波形如图3(b)所示。

(a)SPWM控制电路框图

(b)SPWM电路主要节点的波形
图3 控制电路框图及各点波形
由图3可知,基准50Hz的方波是由555芯片生成的,用来控制输出电压有效值和基准值比较产生的误差信号,使其转换成50Hz的方波,经过低频滤波,得到正弦的控制信号。当电源输出电压发生变化时,会改变正弦信号的幅值,使得SG3525输出脉宽也发生相应的变化,这就构成了一个闭合的反馈回路,能有效稳定输出的波形。
1.3 过电流?;?br />
过电流保护采用电流互感器作为电流检测元件,其具有足够快的响应速度,能够在IGBT允许的过流时间内将其关断,起到?;ぷ饔?。
如图1所示,过流?;ば藕湃∽訡T2,经分压、滤波后加至电压比较器的同相输入端,如图4所示。当同相输入端过电流检测信号比反相输入端参考电平高时,比较器输出高电平,使D2从原来的反向偏置状态转变为正向导通,并把同相端电位提升为高电平,使电压比较器一直稳定输出高电平。同时,该过电流信号还送到SG3525的脚10。当SG3525的脚10为高电平时,其脚11及脚14上输出的脉宽调制脉冲就会立即消失而成为零。

图4 过电流?;さ缏?/p>
[page]
1.4 驱动电路的设计
驱动电路的设计既要考虑在功率管需要导通时,能迅速地建立起驱动电压,又要考虑在需要关断时,能迅速地泄放功率管栅极电容上的电荷,拉低驱动电压。具体驱动电路如图5所示

图5 驱动电路
其工作原理是:
1)当光耦原边有控制电路的驱动脉冲电流流过时,光耦导通,使Q1的基极电位迅速上升,导致D2导通,功率管的栅极电压上升,使功率管导通;
2)当光耦原边无控制电路的驱动脉冲电流流过时,光耦不导通,使Q1的基极电位拉低,而功率管栅极上的电压还为高,所以导致Q1导通,功率管的栅极电荷通过Q1及电阻R3迅速泄放,使功率管迅速可靠地关断。
当然,对于功率管的?;ね匾?所以在功率管源极和漏极之间要加一个缓冲电路避免功率管被过高的正、反向电压所损坏。
2 实验结果
根据以上分析,对实验样机进行了实验,其额定输出功率为500W,滤波器参数取L=3mH,C=2.2雾,样机带负载运行时,测得其输出电压波形如图6所示。

图6逆变器的输出波形
3 结语
样机输出电压波形质量良好,输出电压稳定性强,幅值基本不受负载变化影响,效果较好。实验表明,本文提出的系统方案是切实可行的。



