- 电池容量计基本原理
- 方案及技术关键的解决
- 产品的实际设计与计算
- 绝对值放大器
- 压频转换器
- 可逆计数器
随着环保意识的逐渐加强,世界各国竞相开展环保汽车的研制,我国也正在投入资金开发以电池为动力的电动汽车。而电动车必不可少的仪器就是电池容量计,就象普通汽车的油量表一样,告诉使用者电池还剩余多少容量,能够行驶多少公里。实际上,不仅电动车需要电池容量计,许多使用电池的场合都对此有迫切的要求。传统的对电池监视的手段仅仅是一块电压表,而电压却不能准确反映电池的容量,经常出现电压正常,却无容量的现象。作为使用者常常感到困惑的就是不知电池还能使用多久,因此影响到许多关键场合的使用,还易出现误判引起事故。因此研制一台反映电池容量的仪器就显得十分必要了。目前国外已有同类产品问世,但可能由于技术保密的原因,未见介绍其实现的方法。
本文以电动车为使用对象,提出了一种采用电量计量方法实现的电池容量计,可在一定条件下计量电池容量。它基于这样一种原理,即对电池充进能量和放出能量进行计算并乘以相应的损失系数从而指示电池的容量(该系数应考虑到充电效率及电池放电电流大小以及其它因素对电池容量的影响)。
基本原理
电池的容量除了一些电池本身的因素外,主要取决于充电量和放电量,显然如果始终能记录下电池的充放电情况就可以测出容量。我们设想在传统的单一电池上装备这种称之为电池容量计的仪器以达到显示容量的目的。该容量计动态监视电池充进电量的总和及放出总电量并运算后直观显示。影响电池容量的其它因素综合为一个损失系数,该系数乘以充放电量的算数和即为电池剩余容量。由于电池的种类、大小、性能不尽相同,损失系数是不相同的,主要靠试验获得,故这里不讨论系数问题,只研究完成计量电量功能的电路。
电池充放电有多种方式,恒流、限压、脉冲、负脉冲等等,所以简单地用电流乘以时间计量容量的方式无法适应除恒流外的其他方式,而积分方式又不能适应负脉冲充电的需要,同时它需要时间参数,亦不太适合。显然电池容量计的设计应满足多数的充放电方式。无论何种充电方式,其影响电池容量的关键参数即为电流和时间,负脉冲充电情况下只是同时有负电流。为此我们设计了如下工作方式的电池容量计电路,原理方框图见图1。
首先监测电池的充放电电流,将其转换为电压信号后放大,送入电压频率转换器使其变为频率信号,最后送入计数器记录脉冲的个数,通过一定方式将计数值显示出来,这就构成了一台电池容量计。实际上,频率的高低代表了电流的大小,电流大则频率高,在同一时间内记录的脉冲个数就多,反之亦然。而充放时间亦反映在对脉冲的计数上,时间长则计数个数多。如此,就利用计数方式完成了对电池充放电量的计算。

图1电池容量计原理框图
绝对值放大器和可逆计数器二者的结合,实现了对充电中放电间隙(即负脉冲充电)的计量,同时用一套电路完成了充放电两个方向的计算。充电时正向计数,放电时反向计数(减数),用电流的流向控制可逆计数器的计数方向。
方案论证及技术关键的解决
1电流取样
电流取样的目的是将电流信号变为电压信号,一般有三种方式:
?。?)取样电阻;
?。?)分流器;
?。?)霍尔器件(包括互感器类)。
从电动车电池使用来看,电流较大,显然使用取样电阻并不合适,而分流器又太重且体积也较大,不太适用,故霍尔器件较为适用。其优点是线性程度优于0.1%,适于范围较大的跟踪,动态性能好,响应时间小于1μs,这样可即时跟踪汽车起动的瞬时电流。另外,其尺寸小,重量轻适于在汽车上安装。它的缺点是价格稍贵,但对于汽车上使用的电池价格来讲完全可以忽略。由于选用可以购买到的成熟产品,电路较简单不再列出。
2绝对值放大器
由于充放电电流方向不同,采用绝对值放大器,它将霍尔器件输出的正负信号统一放大为正信号,然后送往压频转换器。
绝对值放大器的设计方法较多,从电源上来看,有单电源、双电源两种方式,采用的运放个数有一个和多个。本机由于采用霍尔器件且为双向电流,故单电源没有优点,而单运放的放大器,电阻取值太多,精度要求高,并且对负载亦应考虑,不太适用。
本机采用由二运放构成的绝对值放大器,选用低失调、低漂移的运算放大器0P-07,精度高且性能不受负载影响,这里苛求绝对值放大器的精度,不是为系统精度作贡献,而是从另外一点考虑的。这就是前面提到的,就电池容量计而言,对电池监测的最好办法应是同电池一体,始终监视电池状况。而这就要求电池没有充放电流时,放大器的输出为零,否则经过长期搁置后,容量计由于放大器误差的关系指示充满或放光,产生误判。以高精度、低失调、低漂移设计完成后的样机,满度误差为1mv,零度误差小于1mv。参见图2。

图2绝对值放大器原理图
[page]
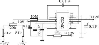
3压频转换器
压频转换器是电池容量计的核心部分,负责将放大的信号转换为频率信号,它的线性度和精度直接影响到整机。实现压频转换的方法也有很多种。从形式上看,有分立元件和专用集成芯片两种形式,一般的分立元件精度、体积、调整复杂程度均高于集成芯片,但其价格较低,而专用芯片在线性度、电压稳定度、精度等指标相对可接受的价格而言有所降低。我们考虑到体积和充放电全程跟踪及性能价格比的问题,选择了VFC32为电压频率转换器件,该器件较好的线性度为全程跟踪精度提供了保证,并以较少的元件使体积缩小,电路原理见图3。

图3压频转换器原理图
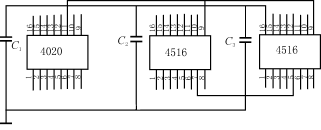
4可逆计数器
计数器部分全部采用CMOS电路,一是功耗低,这对依靠电池本身供电显得极为重要;二是其电平与运放电平匹配,并使显示范围增大。见图4。

图4可逆计数器原理图
采用了14级脉冲进位二进制计数器4020一片,4位可逆二进制计数器4516二片,构成21级计数器。其中高7位计数器数值有效作为计数值并输出,而低14位则仅用来计数并不用作输出,且4020是单向计数,无减法功能。
此种设计有两大优点:
?。?)4020是高集成度的计数器,可代替3片半4516来使用,这样大大缩小了体积。
?。?)当作加法时,4020可精确到最低位;作减法时,误差为低十四位,但这个十四位也是一次性的最大误差,无累加性,因为电路上采用了异步、同步计数混用的方法。当减去14个数(虽然4020是加),4020输出异步脉冲4516减"1",如同作真正减法一样,而4020的数值是不能输出的,这使得结果十分精确。
5控制电路
该部分包含有预置电路、防溢出电路、计数方向控制电路。
本样机为适用范围宽,在计数器的预置和控制电路上均增加了拨动开关,这样可以通过拨动开关设置计数部分初值和终值,可达到检测使用已知电池电容的目的,比较方便。
同时为防计数器双向溢出,分别设置防溢出电路,使计数器计到零和满值时均不再计数,以防错误。
通过对电流流向的比对,输出脉冲控制可逆计数器的计数,构成方向控制电路。
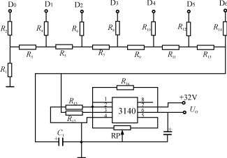
6显示
显示有数字式、指针式两种方式。为保证直观的显示,同时尽可能沿用普通汽车的仪表,仍采用汽车上原有指示电池电压的电压表。而在电压表上设置一个开关,通过它来切换电压、容量的指示,这样较为方便。
这需要将计数器的二进制数转化为电压。显然用D/A转换是可以的,但电路复杂程度上升,成本也有所提高。故为了简化电路我们仅借用D/A转换网络的思想,利用权电阻T形网络将4516的7位数值变换成模拟量输出,推动电压表指示,见图5。

图5显示电路原理图
7工作电源部分
电池容量计不同于其它仪器的是它只能使用电池作为电源,而由于电池电压的变化及波动,直接使用显然是不合适的,为此必须由电池引出产生二次电源。
首先霍尔器件需电源±12V,电路控制计数等部分也亦借用±12V,另外我们考虑到为了使容量指示更直观清晰,其最大电压范围应大些,同时也能充分利用其电压表有效指示。其电压表范围为40V,而电池电压最高为30V,故设定容量指示最大指示为28V,这就需要电源电压为30V。
由于电池起动时有大电流放电,使电压波动十分厉害,约15~30V,为适应其变化,同时减小容量计自身功耗,提高效率,设计全部采用开关电源。
首先+12V的获得是采用LM2575降压调整器,该芯片输入电压可达40V,固定振荡频率52kHz,电压、电流调整率较好,适应容量计的要求。
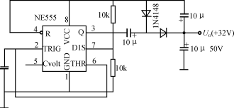
-12V是利用+12V为输入,通过34063DC/DC变换器加以变换而成。这样损失了部分功率。我们原设计用M2575HV(输入电压60V)由电池电压直接引入,但由于60V的LM2575HV未能买到,只得作罢。将来如有批量,可定货。好在-12V功率有限,损失较小。 30V一组电源,其电压高,电流小,如采用普通DC变换器如2575或其他器件,体积过大,且磁心元件等都大为浪费,得不偿失。故我们在设计中一直在寻找简洁的方法,最后经试验决定利用555振荡器升压并采用倍压整流的方法将12V提升至30V,效果极好,见图6。
产品的设计与计算
电压/频率关系的设定
电压0~10V对应频率0~10kHz

图630V电源原理图
电流0~1000A对应电压0~10V
这几个值的选取,综合考虑了霍尔元件、放大器、F/V转换设计的最佳值及试验样机的需要。
2计数位数
4020-14位4516两片共8位,加起来为22位,仅采用21位,其计数个数为:
221=2.097152×106。
对10kHz的计数时间
T=(221×1/104)秒=3.49分。
当10kHz对应1000A时,对45Ah电池来讲
T=C/I=45/1000=0.045h=2.7分<3.49分,
可见计时已够,满度计时安时数为
(221×1/104)×1000/3600=58.25Ah。
3误差的计算
前14级计数时间为△T=214,总计时为T=221,相对误差△T/T=214/221=0.78%。
可见前14级误差极小,尚不足1%,且其仅在做减法时一次性出现,可以忽略。故采用一片4020代替三片4516是合理的。
性能测试结果
整机测试,条件为充放电流15A,电压(代表容量)指示满容量为28.002V,电池容量放尽后,电压(代表容量)指示为0V,指示容量与实际容量误差为3%,符合设计要求。
在输出容量等于输入容量乘以损失系数的模式下,本文以电动车为使用对象,对输入取样、绝对值放大、压频转换、显示及工作电源各部分作了深入细致的阐述,进行了非常有益的探索,是目前计量电池容量的有效方法之一,适用于无记忆效应、性能相对稳定的电池。



