中心议题:
- 开关电源低功耗化技术
- 开关电源低噪声化技术
- 开关电源小型化技术
开关电源因其体积小、重量轻和效率高而在各种电子信息设备中得到了广泛的应用。近来,伴随着人们对开关电源要求的进一步升级,低电压大电流转换器的高效化以及响应的高速化成为了有关厂商和研究机构的热门课题。另外,电子信息设备用量的激增还使得电磁干扰(EMI)问题日益突出,而开关操作时产生的浪涌和噪声则是开关电源的固有缺陷,为此人们将开关电源的低功耗化、小型化和低噪声化作为今后的三大重点研究目标。
举个例子,如果功耗增加,就会导致元件温升的增加,这不仅会降低电源的可靠性,还因为需要增设散热器而不利于实现小型化。由此可见低功耗化与小型化是密切相关的,所以在研究时不能割裂。而且,来自业界的低生产成本要求也是必须尽力满足的。本文将概要介绍几种旨在实现开关电源的低功耗化、低噪声化和小型化的最新技术。
低功耗化技术


如图1所示,近年来,电子设备所采用的LSI的驱动电压正在逐渐下降,而消耗电流却因为设备功能的多功能化增大了许多,随着转换器的低电压大电流化,以半导体元件为首,变压器、配线等的导通损耗变得愈发明显,往往很难维持高效率,为此人们做了大量的研究工作。例如,在把通信领域中常用的48V输入电压转换成LSI所用的1V低电压时,以往的降压型转换器需要将接通时间比(TimeRatio)设定在1/40以下。在如此短的时间里流经开关元件的巨大脉冲电流是导致效率下降的主要原因。
但是,在图2所示的采用抽头电感器(TapInductor)的降压型转换器中,即使不采用非常小的时间比也能够获得很大的降压比。虽然当抽头电感器的绕组之间存在漏电感时会产生非常大的浪涌电压,但由于采用了有源钳位(ActiveClamp)电路,故使得浪涌电压受到抑制。

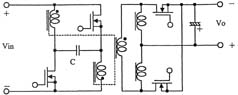
另外,如图3所示,在采用绝缘变压器的场合,研究人员还提出了将有源钳位电路嵌入推挽式转换器中的方案,可在采用48V输入和1.2V/70A输出的条件下实现高达91%的效率。上面讲到的几种电路方式基本上都是一段式结构,最近,出于进一步提高效率的考虑,人们正在加紧研发两段式结构的转换器。就普通的转换器而言,采用两段式结构将导致效率下降是人所共知的常识,然而,在低电压大电流转换器中,对输出进行同步整流是很普遍的做法,因此,如何实现同步整流操作的高效化便成为了关键所在。
图4所示即为降压型转换器与半桥式转换器级联而成的两段式转换器。电压控制由第一段的降压型转换器来完成,第二段的半桥式转换器则以50%的固定时间比来工作。因此,通常能够以最合适的条件来驱动第二段的转换器的同步整流开关,从而实现总体效率的提升。日本的研究人员做了两个实验,结果是:当输入电压为36~72V、输出电压为1.5V/20A且开关频率为150kHz的工作条件下,转换效率达到了87%左右;而当输入电压为36~75V、输出电压为3.3V/60A且开关频率为170kHz的工作条件下,转换效率最高可达95%,从而进一步降低了功耗。这种两段式结构最近已被DC/DC转换器模块大量采用。
[page]
低噪声化技术

伴随着开关电源开关操作时急剧的电压和电流变化而产生的浪涌和噪声将作为传导噪声或辐射噪声传递至设备的外部,从而引发电磁干扰(EMI)问题。传导噪声(特别是共模噪声)中也时?;岵艽蟮幕仿返缌?,这是辐射噪声的起因。近几年来,ZVS(零电压开关)和ZCS(零电流开关)等软开关(SoftSwitching)技术作为抑制浪涌发生的常规方法已经广为人知。不过,人们在此基础上又提出了多种能够兼顾低功耗和低噪声目标的电路方案。图5(a)示出了采用有源钳位电路的传统型转换器电路。钳位开关Q2需要在高压侧进行绝缘驱动,这里通常采用的是脉冲变压器。然而,如图5(b)所示,研究人员最近又提出了一种共源极型有源钳位电路方案,它将两个MOSFET开关的源极端子共接,从而简化了栅极驱动。不仅如此,这种共源极型电路方式还有望降低噪声,经实验测量,其噪声电平较之传统型电路下降了约30dB。

了弄清其降噪原因,让我们来设想一下共源极型有源钳位电路中的噪声电流通路(见图6)。如图所示,虽然各MOSFET开关与外壳之间存在着通过散热器等而形成的寄生电容C4和C5,但如果将变压器初级绕组的极性考虑在内,就会发现Q1漏极的电位与Q2漏极的电位只产生等量的逆向变化。因此,当电压在开关操作时发生变化的时候,流经C4和C5的电流将会是反向的,从而相互抵消。图6中,在Q1关断时通过寄生电容C5产生的共模噪声电流经由寄生电容C4而被封闭于电路内部,这样便能够大幅度地减小流经输入电源侧的共模噪声电流。
另一方面,由于担心该封闭噪声电流会引发辐射噪声,因此应将其封闭在预测的通路中。而且,对于噪声频率也应该借助等效电路通过解析法来加以确认。由该共模噪声电流所引起的辐射噪声与电流环路的面积成正比,故需尽可能地减小上述电流环路的面积。
小型化技术
提高开关频率是实现开关电源小型化、轻量化的有效措施,从1970年到1980年这10年间,开关电源的开关频率提高了100倍,而尺寸缩小了10倍。另外,变压器和电感器等磁性元件的集成也是实现小型化的途径之一。
最近,人们又开始尝试一种开关电源小型化的新方法,即采用压电变压器来取代传统的电磁变压器。压电变压器具有外形扁薄、结构简单、易于绝缘和无磁性噪声等诸多优点。目前,适合于液晶背光源用逆变器的扁平压电变压器业已实用化,有关其在DC/DC转换器中应用的实用化研究也在进行之中,这里我们以AC适配器所采用的压电变压器转换器为例做简要介绍。

日本的研究人员开发成功一种振动型压电变压器,其厚度仅为4mm。该压电变压器的驱动电路采用方波逆变器,通过改变其开关频率(PFM方式)以达到借助压电变压器的谐振特性来调整输出电压的目的。但是,由于压电变压器具有多种由其形状所决定的谐振频率,所以很难通过大幅度地改变频率的做法来控制输出电压。为此,人们正在研究引入逆变器的脉宽调制(PWM)技术。图7示出了通过将驱动用逆变器、采用电流倍增器的整流电路以及采用PFM和PWM方式的混合控制电路与压电变压器相连而构成的压电变压器DC/DC转换器。
利用增设了有源钳位电路的逆变器,可使施加在压电变压器之上的输入电压的基本频率分量与主开关的时间比D大致成正比,因而能够进行PWM控制。关于控制方式,当输入电压较低时,执行PWM控制;而当输入电压升高时,则切换至PFM控制,实验结果显示这能够针对90~260V的宽输入电压范围来相应地调整输出电压。





