- 零电压开关全桥转换器设计
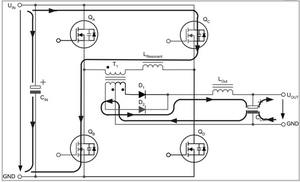
- 变压器的漏感与外部电感集成在一起
- 启动两个与变压器串联的开关的同时而变压器的电压却为零
采用高电压输入源工作的高频转换器采用这种技术可实现大幅的效率提升。
与传统的全桥转换器一样,互为对角的开关一起驱动,对角开关交替地将变压器原边置于输入电压VIN上一段时间。只有在开关打开时才向输出部分供电,这与工作在固定频率上的特定占空比相一致。
两个互为对角的全桥开关不是同时驱动,而是通过相移的方法在启动命令之间引入预定义的短期延迟。这种延迟由控制电路的电压回路进行调节,从而在两个驱动信号之间产生相移。这种相移技术的特殊之处在于,它可启动两个与变压器串联的开关,而变压器的电压却为零。
因此,它们不是全桥转换器的对角开关,而是两个较高或较低的开关。在这种模式下,变压器原边基本处于短路,且固定于相应的输入轨。由于没有复位所需的电压,原边电流会保持在前一状态。死区填补了转换周期内谐振转换及电源转换部分之间的空白??乜杀槐3衷谏鲜鲎刺幸欢问奔?,与特定开关周期所需的关闭时间相一致。随后,上述开关中一个适当的开关关断后,原边电流会流入开关输出电容,使开关漏电压与反向输入轨产生谐振。这使得特定桥支路的相应开关上的电压为零,其ZVS打开。

图1 几个开关周期时序图
将ZVS全桥转换器的相移操作分为五个时序子集,以此来介绍完整的电源转换周期,如图1所示。

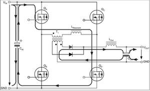
图2 t0阶段初始条件
变压器T1向负载输电时,新周期开始,且两个对角开关打开,如图2所示。在这种转换条件下,原边电流流过这两个FET。在图2中,QA与QD代表打开的对角开关。

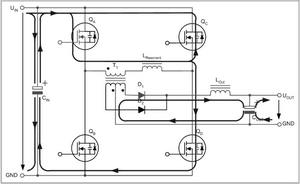
图3 t1阶段右支路谐振转换间隔
在t0时段结束时,开关QD由UCC2895控制电路关断,同时开始启动转换器右手支路的谐振转换,如图3所示。通过变压器漏感,原边电流基本保持为常量。在本文中,变压器的漏感与外部电感集成在一起,在图3中标为LResonant。如果变压器的漏感太小,不能提供实现ZVS所必需的转换时间,那么就需要额外的电感。通过串联添加外部电感,就能够调节谐振电感。

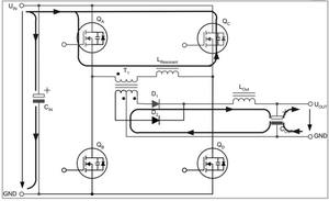
图4 t2阶段箝位续流间隔
如图4所示,当QD关断时,以QD的漏-源电容作为电流路径,原边电流继续流动,使QD的电容从0V上升至较高的VIN。同时,变压器电容与QC的漏-源电容放电,源电压上升。谐振转换使晶体管的漏-源电容两端电位在启动之前相等。右支路转换完成后,原边电流会通过QA及QC的体二极管续流。如果组件处于理想状态,那么电流在下一次转换发生之前将保持为常量。这时可启动QC,使QC内部的体二极管短路,从而降低传导损耗并实现ZVS。

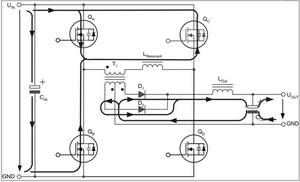
图5 t3阶段左支路转换
在t2阶段结束时,剩余电流在变压器原边中流动。由于发生了损耗,该电流略小于t0阶段的原边电流。QC打开,且实现了ZVS,而此时QA关闭。原边电流此前流过QA的漏-源极,现在则沿QA的漏-源电容流动,电流保持不变。
流过QA漏-源电容的电流方向强制电流源流向接地电位,因此QA的漏-源电容将充电,而QB的漏-源电容放电,直到内部的体二极管开始传导,如图5所示。

图6 t4阶段电源转换间隔
谐振转换使QB接通,且实现了ZVS,保证转换几乎无损耗。此前QC已经接通,所以一旦QB启动,变压器原边将与输入电压轨两边实现直接连接。变压器随后开始从一次侧向二次侧输电,如图6所示。
定时间隔基本与标准移相转换周期一致。接通两个对角开关,给变压器原边施加全输入电压。电流上升的速率由VIN及串联原边电感决定,不过其初始值为负值,而不是零。电流上升至输出电流除以变压器匝比所得之商的水平。
在t4阶段结束时,一次转换周期结束,这时QC已切断。电流流过QC的漏-源极,QC关断后电流停止,但会继续沿QC内部的漏-源电容流动,这就使QC的漏-源电容(此前几乎为零)充电至输入电压VIN。QD的漏-源电容在此期间放电,使QD实现ZVS,而几乎没有漏-源电压通过它。此阶段的电流假定保持为常量。
下面以48V输入DC/DC转换器设计作为示例来加以说明,该设计在最大电流为15A时输出电压3.3V,副边与原边绝缘,最大为1.5kV。该设计采用UCC2895高级相移式PWM控制器来实施全桥功率级控制,对两个半桥的转换进行相移。电路工作在固定频率上,在大部分转换器负载范围中采用峰值电流模式控制,实现ZVT。如前所述,通过转换器的寄生电容、漏感以及串联于原边绕组的小型分立电感可实现ZVS。
在输入电压为36V、48V及72V以及输出电流为1A至15A(以1A步进)的情况下进行了效率测量。由测量结果可知,全桥转换方式与带有整流倍流电路的副边同步整流结合,可实现比其他传统设计更高的效率。此外,ZVS在转换过程中对开关元件造成的应力更低,降低了EMI,增加了设计的可靠性。




