【导读】经过十多年的产业发展,LED照明已经从一种创新技术变成成熟技术进入千家万户。根据TrendForce集邦咨询最新报告显示,LED照明产品为人们生产生活之必需品,预估2025年达到443亿美金。照明产品进一步向数字化智能调光调控的灯具发展,相信未来照明产业也将更多地关注产品的智能系统化、人因健康照明以及细分应用市场需求等。
经过十多年的产业发展,LED照明已经从一种创新技术变成成熟技术进入千家万户。根据TrendForce集邦咨询最新报告显示,LED照明产品为人们生产生活之必需品,预估2025年达到443亿美金。照明产品进一步向数字化智能调光调控的灯具发展,相信未来照明产业也将更多地关注产品的智能系统化、人因健康照明以及细分应用市场需求等。传统的LED照明解决方案技术日趋成熟,而一些细分市场由于具有独特、更加苛刻的技术特性要求,依然是电源半导体解决方案提供商性能比拼的关键市场之一。本文就以ADI在机器视觉、汽车车灯、舞台及建筑照明为例分析如何满足细分市场LED照明的需求方案。
支持机器视觉下的LED照明设计
在协作机器人大规模应用之前,现代工业组装生产线就已经运用机器视觉来辅助自动化光学检查,以确保在组装线上快速移动的部件符合定义的规范。未通过光学检查的缺陷部件被打上标记并自动地从组装线移除,从而确保部件之间的一致性。而在这一类组装线上作为视觉传感使用的高速摄像机需要一种照相闪光灯系统,该系统能够始终如一地重现一个固定导通时间光脉冲,可变的关断时间由组装线的速度以及部件的间隔距离来限定。

快速移动的传送带通过机器视觉系统进行快速标签和缺陷检测
在这一过程中,红外和激光LED闪光灯常用于近程和运动检测机器视觉。安全系统发出高速、难以察觉的LED闪光灯来检测运动,捕获和存储安全影像。但是,这些机器视觉的相机闪光灯系统都存在的一个挑战,即产生非常高的电流和短时间(微秒)LED相机闪光波形,这些波形可能散开在较长时间内,例如100 ms到1 s以上。
然而,产生间隔较长时间的短时LED闪光方波并非易事。当LED(或LED串)的驱动电流上升到1 A以上,并且LED开启时间缩短到几微秒时,挑战难度进一步加大。许多具有高速PWM能力的LED驱动器可能无法有效处理较长关断时间和短时间的高电流,而又不降低适当处理高速图像所需的方波质量。
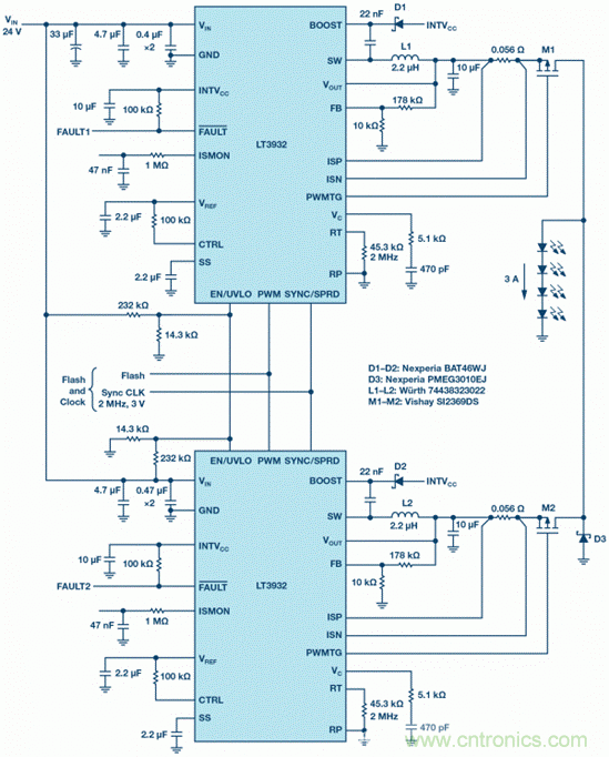
为了实现上述功能, ADI的高速LED驱动器LT3932可为高达2 A的LED串提供机器视觉相机闪光灯,关断时间可以长达1秒、1小时、1天或更长时间,从而完美地解决这一问题。LT3932的特殊相机闪光灯功能允许其保持输出电容和控制环路充电状态,哪怕是在长关断时间内。对输出和控制环路电容的状态进行采样后,LT3932继续在长关断期间对这些元件进行涓流充电,以补偿通常都会有的漏电流,而这是其他LED驱动器没有考虑到的。
ADI的LT3932专有闪光技术支持扩展,驱动器可以并联以提供更高的LED闪光电流。所需的闪光形状和完整性保持不变。下图显示了并联两个驱动器从而支持3 A相机闪光灯,甚至高达4 A的设计也是可行的。

相对于标准PWM调光频率,并联LT3932 1.5A LED驱动器
产生具有长关断时间的3A机器视觉LED脉冲
一颗IC驱动整个LED车前灯组
在车辆中,LED主要用于前照灯、日间行车灯(DRL)、侧面指示灯和环境照明,其中前照灯组将远光灯和近光灯、昼间行驶灯、有时还包括信号灯和示宽灯整合为单个车前灯组。该灯组的组件会具有迥然相异的驱动器要求,包括电压和电流要求、拓扑、功率级别或独特的调光功能。满足各种要求常常意味着需采用单独的驱动器解决方案。使用多个驱动器不仅使物料清单(BOM)和生产过程复杂化,而且还会导致难以满足EMI标准。
虽然每种汽车款式和型号的车前灯组可以配备富有创造性的各种LED电流和电压,但是它们通常最高达到30W总值,因此,这样的驱动器必须具备以下特质:能接受相对较宽的电池电压范围,并采用一种升降压拓扑将其转换为各种各样的灯串电压;具有小巧和通用的特点,以便容易地安装到灯组十分受限的空间之中;必须产生极低的EMI,从而尽量地减少研发工作量并免除增设昂贵EMI金属屏蔽外壳;最后但很关键的一点,它还应该是高效率的。ADI公司的同步、四开关降压-升压型LED控制器LT8391A在满足所有上述要求方面具有独特性,可驱动整个车前灯组,而且还是仅采用单个控制器。

采用LT8391A的2MHz演示电路DC2575A以1.5A驱动16VLED
LED车前灯组可以是兼具创新性和艺术创意的。远光灯和近光灯可以与时髦漂亮和独具特色的昼间行驶灯(DRL)“包裹”在一起。因为昼间行驶灯仅在远光灯和近光灯关闭时才会需要,故可使用单个LED驱动器给远光和近光LED或昼间行驶灯供电。只有在LED驱动器具有灵活的输入至输出比、而且能对输入至输出电压进行升压和降压的情况下,这种做法才会奏效。升降压型设计可满足该要求。
多光束LT8391A升降压型LED驱动器能够驱动3V至34V的LED灯串电压。这使其能驱动一个近光灯串,并通过给近光灯串添加LED以创建一个远光灯。这同一个驱动器在切换之后,可驱动一个电压较高、但电流较低的DRL。从仅限近光灯的LED切换至近光/远光灯组合式灯串,就不会在输出电压或LED电流上产生尖峰脉冲。LT8391A能够在升压、4开关升降压、和降压工作区之间平稳地转换。对于转换器来说,从LED数量少的灯串变更至LED数量多的灯串时不产生LED尖峰脉冲会是棘手的难题,然而这款多光束LED灯电路则能轻松地做到这一点。

用于近光灯、远光灯和DRL灯的LT8391A多光束LED车前灯组解决方案
LT8391A LED驱动器专为汽车前照灯而设计,它采用AEC-Q100组件并满足CISPR25 Class5辐射EMI标准。在上图的演示电路中,尽管该控制器具有2MHz工作频率和24W功率,但是这款升降压型LED驱动器仍然达到CISPR25Class5辐射和传导EMI规格要求。
舞台和建筑LED照明的色彩控制
红、绿、蓝(RGB) LED可用于建筑和舞台照明系统,用以形成明亮的投影色彩——有时会在RGB组合中添加白色LED,从色调、饱和度和亮度方面扩展色彩范围。无论色彩分量有多少,都必须精确控制每个色彩分量的亮度,以便对色彩进行预测或是补偿LED之间的色差。
采用大量RGBW LED的照明系统需要大量的驱动器,并且控制信号要与这些驱动器同步。性能最好的方法是用高性能LED驱动器直接控制每个LED。在这种方法下,既能控制每个LED的PWM调光及直流电流和电压,还能将纹波降至最低水平,并大幅提高可预测能力。使用通过串行总线控制的双降压LED驱动器LT3964,可以轻松实现这类系统。
具有I2C控制和报告功能的LT3964双降压LED驱动器是一款理想的解决方案,可以通过串行通信技术驱动具有高电流和高带宽的多个LED或LED串。降压调节器具有固有的高带宽,LT3964在单个封装中有集成了两个36 V、2 MHz同步和高频降压LED驱动器,还集成了2 A开关,可以相对轻松地驱动多通道大电流LED。

ADI图片
I2C串行通信功能简化了每个LT3964支持的两个独立高电流LED通道的模拟和PWM调光功能,在单个I2C总线上有多达八个不同的LT3964地址。例如,上图中的2 MHz双通道1A降压LED驱动器示例电路具有高效率和超小尺寸等特点,可将其更改为通过34 V至36 V输入为每个通道提供高达30 V的LED电源,效率高于90%。
两个LT3964驱动器足以用1 A(或以上)驱动单个或一串RGBW LED。虽然RGBW色彩通常以1:256、8位分辨率控制,但LT3964可以为每个通道提供高达1:8192、13位的PWM调光功能以及1:10的模拟调光功能——全部由I2C控制。

Cree XM-L RGBW高功率LED可由两个LT3964 LED驱动器驱动
这种直驱方法允许分量RGBW LED在亮度和电压方面存在较大差异——每个通道完全独立。在此示例中,单个Cree RGBW LED由四个LT3964通道驱动,每个通道输出1A电流。通过简单更改数字寄存器,亮度和色彩控制可扩展至1:8192 PWM调光,并且1/10模拟调光可支持每个红、绿、蓝、白LED。对色彩的唯一真正限制是LED本身。实际上,如果需要,如此强大的混色控制能力允许对LED进行色彩校正。
免责声明:本文为转载文章,转载此文目的在于传递更多信息,版权归原作者所有。本文所用视频、图片、文字如涉及作品版权问题,请电话或者邮箱联系小编进行侵删。





