中心议题:
- LED日光灯驱动的形式及特点
- LED日光灯电路设计
- LED日光灯电路的PSpice仿真
解决方案:
- 降压电容选择
- 输出整流及滤波电路设计
- 输出保护电路设计
目前小功率LED在使用时会对LED进行并联、串联,而使用过程中只要有一个LED 短路或开路,都将导致小片或整条LED熄灭,影响照明效果,因此研究简单、廉价的驱动电路具有重要的意义。本文介绍了LED日光灯驱动的特点,设计了实用的电容降压式LED日光灯驱动电路,着重分析了关键元件参数的选择原则。采用PSp ice仿真软件对设计的电路进行了可行性验证,并在此基础上制作了实物电路,用作12W T8标准LED日光灯电源。经实验验证,该电路稳定可靠,成本低,适用于多种小功率LED驱动。
1 日光灯电路设计
1. 1 LED日光灯驱动
目前小功率照明产品中,广泛使用两种驱动电路形式:恒流驱动和稳压驱动。前者电路输出的电流是恒定的,输出电压随负载的变化而变化,且恒流驱动通常使用恒流IC,使用时对IC承受的最大电压值要求较高,限制了LED 使用的数量。后者输出电压是固定的, 输出电流随负载(LED)数量的增减而变化。实验证实,由于LED封装中其正向压降离散值较大,且LED亮度输出与其电流成正比,LED 亮度一致性较差,但通过串加合适电阻可以使每串LED亮度平均,较适于低端照明市场。
1. 2 LED日光灯电路设计
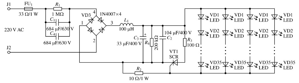
LED日光灯驱动电路原理图如图1所示。

图1 LED日光灯驱动电路
该电路共驱动140只白光LED (小功率) ,采用35串4并的模式,采用电容降压式驱动方式。其中, C1、C4 为并联的两个相同的电容,起降压及限流作用; 4个1N4007组成的整流桥对输入交流电压进行整流;滤波电容C3 用于滤除整流输出电压中的交流成分,使电压更为平滑; L1、C2 用于滤除输出电压中的高频成分;电阻R4 为C3 提供放电回路;采用单向晶闸管SCR729210对电路进行保护, R3 为限流电阻。
1. 2. 1 降压电容选择
因为通过降压电容C 向负载提供的电流IO实际上就是流过C 的充放电电流IC.当负载电流IO 小于C的充放电电流IC 时,多余的电流就会流过滤波电容C2。

式中:Ui ---输入交流电压有效值;f---交流信号频率。
因此,对于负载所消耗的64 mA电流IO ,至少需要降压电容值Cmin = 0. 928 μF.另外,为保证C可靠工作,其耐压选择应大于2倍的电源电压,因此,选择两个684MF /630 V电容并联工作。
1. 2. 2 输出整流及滤波电路
根据有些文献,整流桥上单个二极管所承受的电压最大值URM = √2Ui (Ui 为输入电压的有效值)= 318. 4 V, 因此,选用常用的整流二极管1N4007 (URM = 1000 V,IF = 1 A)。
为使输出端得到平滑的负载电压,一般取RL C≥ (3~5) T /2,其中RL 为负载阻抗, T为输入信号周期( 0. 02 s) ,可得C≥24. 38 μF.原则上电容值取的越大,输出电压越平滑,其纹波值越小。但是,随着电容容量的增大,其体积也随着增大,考虑到电路要安装在普通T8 灯管中,实取33μF /160 V 的电解电容;同时为得到更平滑的输出电压, 选取L1 为100 μH 线绕电感, C1 为0. 01μF瓷片电容。
[page]
1. 2. 3 输出?;さ缏飞杓?br />
LED中使用的电流不能超过其规格稳定值,长期超过负荷不仅不会增大亮度(白光LED在大电流下会出现饱和现象,发光效率大幅度降低) ,而且还会缩短LED 寿命,影响LED 照明电路的可靠性。由于LED正向导通后,其正向电压的细小变动将会引起LED电流的大幅度变化,因此,需要在输出端设置输出?;さ缏?。
该电路由VT1、R2、R3 组成,VT1采用Motoro2la公司的MCR729210 (UDRM = 800 V,控制极触发电压UGT = 0. 8 V,触发电流IGT = 10 mA) .R2 为单向晶闸管提供触发偏置电压,其阻值的选择至关重要,如果值太大,则电路中某些不稳定因素导致LED中的电流瞬间变大,会导致晶闸管频繁触发,?;さ缏菲捣逼鹱饔茫斐傻缏饭ぷ鞑徽?;如果阻值选的过小, LED可能在超出其规格稳定值下工作,?;さ缏凡涣槊?,会造成LED寿命缩短。因要求LED支路电流为16 mA,则:

为留有一定的裕量,选取R2 = 10Ω。
2 仿真及实验分析
2. 1 日光灯电路的PSpice仿真
为理论上验证设计的可行性,采用PSp ice软件对电路进行了仿真分析。结果如图2所示。电路在210 ms时进入稳定状态,稳定后其输出电压为97 ±2. 2 V,输出电流为14. 7 ±0. 3 mA,基本验证了电路设计的可行性。LED 日光灯电路输出特性如图2所示。

图2 LED日光灯电路输出特性。
为验证输出?;さ缏返墓δ?,对电阻R2 进行参数扫描分析,之后进行性能分析。结果如图3所示??梢钥闯?,当R2 从1 Ω 增大到13. 889Ω时,输出电流开始下降,表明此时单向晶闸管处于临界导通状态;然后随着R2 的继续增大,输出电流急剧下降,直至R2 为15. 119Ω时,输出电流稳定在5. 2 mA 左右,表明单向晶闸管已经完全导通,保护电路已经起作用。

图3 输出电流与R2 阻值关系曲线
[page]
2. 2 试验数据
从PSp ice仿真的结果来看,电路设计具有可行性,因此依据此电路制作了12 W 日光灯。标准灯管为1 190 mm ×30 mm,采用两条相同的PCB电路板(尺寸593 mm ×25 mm)对接而成,并采用湖州升谱SPL2000电光源光色电综合分析系统对电路的相关参数进行了测试。实测输入电压VAC为220 V时,该电路总电流127 mA,相当于每支路为15. 85 mA,电路功率因数为0. 465,电路实耗功率为11. 4W。
在不损坏LED的条件下进行了测试,降压电容C1 的电容值与输出电流的关系如图4所示(因为两个电容是相同的,图4中只表示出单一电容值)??杉?,随着电容值的增加,输出电流几乎呈线性上升,待增加到一定值时(约20 mA) ,?;さ缏菲鹱饔茫仁咕齃ED支路的电流下降。

图4 实测输出电流与降压电容的关系
3 结 语
采用电容降压式驱动电路设计了12 W标准T8 LED日光灯电路。该电路具有体积小、成本低等特点,通过改变降压电容可适合用作多种LED灯具电源。虽然电源功率因数偏低,但特别适合低端照明市场应用。依据此电路,通过改变降压电容值,共制作了1W、4W、8 W、12 W等多种照明产品。



