桃花源qm花论坛(品茶),凤楼阁论坛官网入口网址,一品楼品凤楼论坛最新动态,风楼阁全国信息2024登录入口

你的位置:首页 > 电源管理 > 正文

第三讲:无刷直流电机控制设计注意事项

发布时间:2013-02-25 责任编辑:abbywang

【导读】BLDC 电机效率更高,运行更快更安静,需要电子以控制旋转场。BLDC 电机制造成本更低,易于维护。驱动 BLDC 电机需要三相反向器。反向器包含三个半 H 桥,使用辅助信号控制其高位和低位开关。在关闭高侧开关和开启低侧开关之间保有延迟是非常重要的。这将消除潜在的开关短路。


无刷直流电机具有定子绕线和永久磁性转子。绕线连接到控制电子,且电机内部没有刷子和换向器。电子类似于换向器驱动适当的绕线;在围绕定子旋转的移动模式中驱动绕线。驱动的定子绕线引导转子磁性。

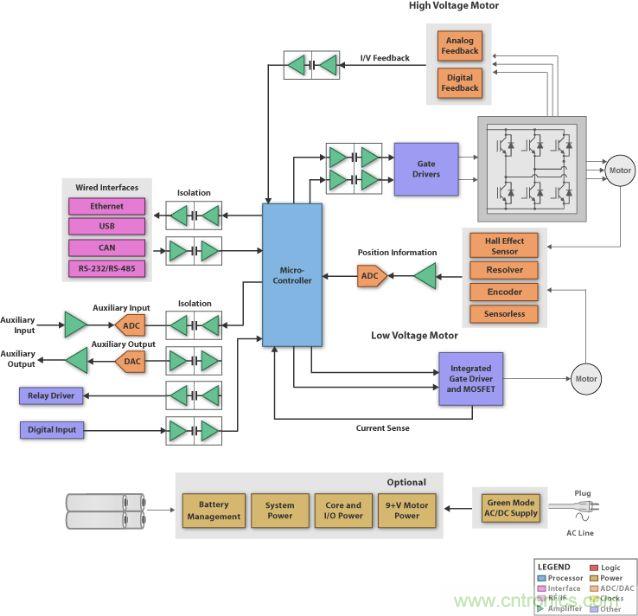
图3:无刷直流电机 (BLDC) 系统的方框图 (SBD),它具有微处理器、闸极驱动器、隔离器件、工业接口和电源管理。
图3:无刷直流电机系统的方框图,它具有微处理器、闸极驱动器、隔离器件、工业接口和电源管理。

无刷直流电机设计注意事项

微处理器

了解转子位置对于高效控制 BLDC 电机非常重要。TI 的 C2000 系列 MCU 可以通过使用标量或矢量控制技术控制 BLDC 电机。通过连接至电机的霍尔传感器或旋转式编码器能够检测到转子的位置。这些传感器输入用于含传感器的反馈控制系统。

转子位置还可通过使用反电动势电压信息进行估算。此反馈控制模式无需使用传感器和附加接线。位置或度评估器也可用于计算转子位置。

C2000 MCU 上的集成高速 12 位 ADC 转换器、高分辨率脉宽调制器 (PWM) 和正交编码器输入 (QEI) 使其适合于实施 BLDC 电机控制。C2000 MCU 内核能够在短时间内执行复杂的数学函数,使此 MCU 系列成为实施矢量控制技术和同时控制多个电机的理想选择。此系列的 PWM 具有可编程死区延迟,可驱动高侧和低侧闸极驱动器。C2000 MCU 还可通过使用梯形或正弦控制驱动 BLDC 电机。

Stellaris 系列 MCU 向偏爱开放式构架内核的客户提供基于 ARM 的解决方案。这些 MCU 还为传感器的控制提供集成 ADC、电机控制特定的 PWM 和 QEI 输入。其基于硬件的故障检测系统可更快地关闭系统,无需软件干预。这些 MCU 也可用于实施标量和矢量控制技术。
MSP430 器件基于 16 位 RISC 架构,在工作模式和休眠模式中具有超低功耗操作功能。通过使用接受较低性能的标量技术,这些 MCU 可用于 BLDC 电机控制。集成驱动器可配置为 PWM 输出并可通过梯形控制控制闸极驱动器。

Hercules 安全 MCU 可提供基于 ARM Cortex-R4f 的解决方案并被认证为适合用于需要实现 IEC61508 SIL-3 安全级别的系统中。这些 MCU 还可通过灵活的 HET 协处理器提供集成浮点、12 位 ADC、特定于电机控制的 PWM 及编码器输入。Hercules 安全 MCU 还可用于实施标量和矢量控制技术并支持各种性能需求。

隔离

数字隔离器具有逻辑输入和输出缓冲器,这些缓冲器由二氧化硅 (SiO2) 隔离势垒进行隔离,可提供 4kV 隔离。当与隔离电源配合使用时,这些器件可阻止高电压、隔离接地以及防止噪声电流进入本地接地并干扰或损害敏感电路。

接口/连接

传统模拟 RS-232/RS-485 接口一直是电机控制应用的常见选择。展望未来,设计人员将在其产品中集成主流接口,如以太网、USB 和 CAN。例如,TI 最近推出了全世界首款隔离式 CAN 收发器 ISO1050。

相关阅读:

第一讲:有刷、无刷DC电机特性及优缺点
http://m.5r3h.cn/motor-art/80020200
第二讲:有刷直流电机控制设计的注意事项
http://m.5r3h.cn/motor-art/80020222
第三讲:无刷直流电机控制设计注意事项
http://m.5r3h.cn/motor-art/80020233

[page]

高电压电机控制设计
图4:高电压电机控制设计方框图
图4:高电压电机控制设计方框图

 

要采购传感器么,点这里了解一下价格!
特别推荐
技术文章更多>>
技术白皮书下载更多>>
热门搜索

关闭

?

关闭