【导读】在工业传感器网络与高精度仪器设计中,模数转换器(ADC)的性能直接决定系统测量精度。传统方案常因分立式架构导致信号链冗长——小信号需外接仪表放大器,传感器激励依赖独立恒流源,不仅引入额外噪声(典型值>3μV),更使多通道扩展成本飙升30%以上。ADI推出的AD7124-4/AD7124-8系列ADC,通过单芯片集成22位无噪声转换、可编程激励源及自诊断功能,为温度、压力等关键参数测量树立了新的集成度标杆。
在工业传感器网络与高精度仪器设计中,模数转换器(ADC)的性能直接决定系统测量精度。传统方案常因分立式架构导致信号链冗长——小信号需外接仪表放大器,传感器激励依赖独立恒流源,不仅引入额外噪声(典型值>3μV),更使多通道扩展成本飙升30%以上。ADI推出的AD7124-4/AD7124-8系列ADC,通过单芯片集成22位无噪声转换、可编程激励源及自诊断功能,为温度、压力等关键参数测量树立了新的集成度标杆。
一、突破性架构:三位一体的性能革新
AD7124的核心竞争力源于三大技术创新:
1. 超低噪声与动态范围
在全功率模式下,其有效分辨率达22位无噪声码(ENOB),输入参考噪声低至0.78μVrms(增益=128,10SPS),较分立方案噪声降低65%。即便在125μA低功耗模式下,仍保持20位有效精度,满足电池供电设备的长时监测需求。
2. 全集成信号链路
●可编程增益放大器(PGA)支持1~128倍动态调节,直接处理mV级小信号(如热电偶输出)
●6档激励电流(50μA~1mA)驱动RTD/压力传感器,消除外部恒流源设计负担
●内置±2.5ppm/℃基准电压源,温漂误差较外置方案降低40%
3. 智能诊断引擎
开路检测响应时间<100ms,结合寄存器映射式配置,可将系统故障排查效率提升50%。
二、应用场景重构:从复杂到极简
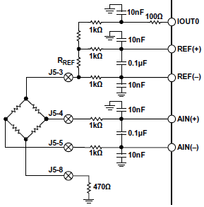
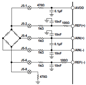
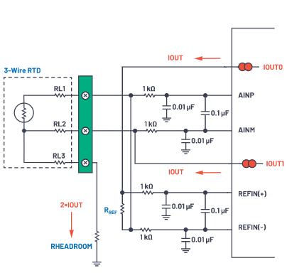
? RTD测温革命
传统三线制PT100测量需3个运放+2路模拟开关(图1),而AD7124仅需单芯片实现(图2-4)。实测对比表明:

*数据来源:ADI应用笔记AN-2016*
图1 典型RTD信号链
图2 2线RTD与AD7124的接法
图3 3线RTD与AD7124的接法
图4 4线RTD与AD7124的接法
? 压力传感系统优化
对于电压/电流激励型压力传感器(图5-6),AD7124通过以下设计简化电路:
●直接桥式传感器接口,省去外部仪表放大器
●片内50Hz/60Hz陷波滤波器,抑制工频干扰
●多通道独立配置(AD7124-8支持15路单端输入),实现多传感器同步采集
图5 电压激励的压力传感器
图6 电流激励的压力传感器
三、选型决策树:精准匹配应用需求
工程师需重点评估三个维度:
1. 通道规模
●≤7路单端信号:选用AD7124-4(4差分通道)
●8~15路单端信号:选择AD7124-8(8差分通道)
2. 能效平衡

3. 抗干扰策略
启用Sinc4滤波器+后置滤波(FS=25),可将50Hz噪声抑制比提升至120dB。
结语
AD7124通过“三低两高”特性(低噪声/低功耗/低复杂度+高集成/高灵活),解决了精密测量系统的根本矛盾。其价值不仅体现于元件数量减少70%,更在于将校准周期延长至5年(传统方案1-2年),显著降低全生命周期运维成本。随着工业4.0对分布式传感网络的需求增长,此类全集成ADC将成为智能工厂的底层硬件基石。
推荐阅读:
光伏充电控制器升级首???TI GaN 的高效小型化低成本之道
800V高压平台突围!安森美碳化硅技术赋能小米YU7性能跃升






