【导读】金属结构作为大型机械设备的支持构架,其结构强度是影响机械设备安全可靠运行的关键。随着机械设备朝着大型化、重型化、高速化方向发展,要求设备具有更高安全性,从而突出了结构的强度要求。应力应变测试是研究机械结构强度的重要手段,同时也广泛用于起重机、龙门吊、大型工程机械,以及大飞机上的应力测试等。
金属结构作为大型机械设备的支持构架,其结构强度是影响机械设备安全可靠运行的关键。随着机械设备朝着大型化、重型化、高速化方向发展,要求设备具有更高安全性,从而突出了结构的强度要求。应力应变测试是研究机械结构强度的重要手段,同时也广泛用于起重机、龙门吊、大型工程机械,以及大飞机上的应力测试等。
机械结构应力监测常用的有光纤光栅传感器监测与电阻应变计技术监测。技术型授权代理商Excelpoint世健的工程师Galen Zhang基于电阻应变计原理的ADI应力测试应用方案展开了详细介绍。
电阻应变计的基本结构与原理
电阻应变计的基本结构主要由四部分组成:金属电阻应变丝(敏感栅) 、基体、引线和覆盖层(如图1)。金属电阻应变丝是把结构应变转化为电阻变化的敏感部分,也是电阻应变片的重要组成部分;基体是敏感栅的支撑材料,具有良好的绝缘性,可以使敏感栅和被粘贴物之间保持良好的绝缘性;引线的主要作用是连接敏感栅和测量电路,将电信号输送到测量电路;覆盖层可以有效?;っ舾姓?,防止敏感栅受到机械损伤和环境温度与湿度的侵扰等。
图1.电阻应变计结构
将电阻应变计安装(如粘贴或焊接)在被测结构件表面上,结构件受力而变形时,电阻应变计的敏感栅随之产生相同应变,其电阻值发生变化,用仪器测量此电阻变化即可测量出构件表面沿敏感栅轴线方向的应变。因此,电阻应变计的主要性能与敏感栅有关,取敏感栅材料金属细丝,研究其把应变转换成电阻变化的关系。
金属细丝的电阻R与丝的长度L成正比,而与其截面积A成反比,按物理学有下列公式:
在一定应变范围内μ、m是常数,因此K0也是常数,即电阻相对变化与应变成比例,K0称为金属丝的灵敏系数,因此可通电阻测量来反应应变。
电阻应变计的测量方案
1、测试流程
最前端的传感器由压电元件担任,常用的是应变片或应变计。应变片本身是一个比较精密的电阻,贴合在机身表面后,机身表面的形变也可以传递到应变片上;而应变片本身又是接入到惠斯通电桥中的。因此,机身的形变也就由物理量转换成了电学的模拟信号,传递到了测量电路中;再通过带有屏蔽层的双绞线等,传递到运放芯片,将本来还比较微弱的电信号放大,并最终通过 ADC 转换芯片转换成数字信号。最后,机身形变这一物理量,转换成了数字量,并存储到电路后端的 CPU 中做计算和处理??山朔椒ɑ嬷瞥煽蛲迹ㄈ缤?2)。
图2.应变计测试流程
2、系统框图
下图3所示为ADI的应变计测量方案。通过差动运放AD8276产生一个激励电流源或电压源加在应变变片。通过AD8422仪表放大器完成惠斯通电桥中应变片上信号的转换。经过滤波放大后送给ADC来采集模拟信号。最终经过MCU换算出应变计上电阻变化从而求出应力变化。
图3.系统框图
3、重点型号介绍
图4所示为ADI应变计测量方案信号链中型号特性描述。
图4.信号参数
4、激励源介绍
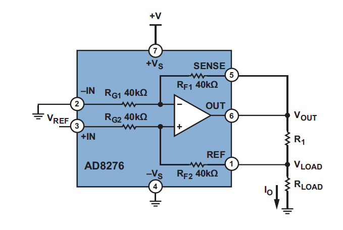
精密电流源传统上采用运算放大器、电阻和其它分立器件构建,但存在尺寸、精度和温度漂移等方面的不足。如今,高精度、低功耗、低成本集成差动放大器的AD8276使得尺寸更小、性能更高的电流源变成现实(如图5)。反馈缓冲器使用低失调、低偏置电流放大器,例如ADA4098-2、ADA4622-2、AD8610、AD8603等具体取决于所需电流范围。
图5 .差动放大器和运算放大器构成精密电流源
输出电流可以通过下式计算:
SENSE引脚可以耐受几乎为电源两倍的电压,因此第二个限制条件相当宽松。2.5V至36V的宽电源电压范围使得AD8276成为许多应用的理想之选。A级和B级的最大增益误差分别为0.05%和0.02%,因此电流源精度最高可达0.02%。
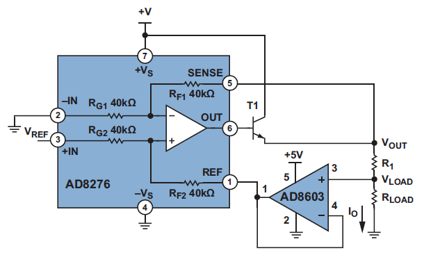
如果所需输出电流小于AD8276的输出能力15 mA,则可去掉升压晶体管,如果低电流和降低精度均能接受,则可采用更为简单的低成本配置(如图6)。
图6.针对低成本、低电流应用的简化电路
输入电压VREF可以是DAC输出、基准电压源或传感器输出。如果需要可编程电流源,推荐使用精密14位或16位DAC,如AD5645R、AD5692R、AD5764R、 AD5663R和AD5668等。至于基准电压源,要求更高性能时推荐使用精密基准源ADR43x和ADR45xx;要求低功耗时推荐使用ADR36x;要求低成本时推荐使用AD158x和ADR504x;要求小尺寸时推荐使用集成运算放大器与基准电压源ADR82x。
5、惠斯通电桥介绍
应变计阻抗测量使用AD8422搭惠斯通电桥来测量(如图7)。
图7.惠斯通电桥
仪表放大器AD8422是一款精密、低功耗、低噪声轨到轨仪表放大器,具有业界优质的每单位微安性能。AD8422以超低失真性能处理信号,在整个输出范围内负载不影响性能。
AD8422是业界标准AD620发展到第三代的产品。具有极低的偏置电流,高源阻抗时不会产生误差,允许多个传感器多路复用至输入端。低电压噪声和低电流噪声特性使AD8422成为测量惠斯通电桥的理想选择。
AD8422主要特点:
● 低功耗:最大静态电流330μA
● 低噪声:1khz时最大输入电压噪声8nv /√Hz
● 电压漂移:±0.3 μV/°C最大输入偏置电压漂移 ,±2 μV/°C最大输出偏置电压漂移
● 出色交流特性:10 kHz时的CMRR:80 dB(最小值,G = 1)
高带宽: 2.2 MHz @G=1
● 出色直流特性:CMRR:150 dB(最小值,G = 1000)
增益误差:0.04%(最大值,G = 1000)
输入失调漂移:0.3 μV/°C(最大值)
输入偏置电流:0.5 nA(最大值)
● 电源:4.6 V至36v或±2.3 V至±18v
6、电源介绍
LT8653S主要特点:
● Silent Switcher?2 架构:可在任何 PCB 上实现超低 EMI
消除了 PCB 布局敏感性
内部旁路电容器可降低发射的 EMI
可选的扩频调制功能
● 双通道且每个通道可同步提供 2 A 直流电流
● 可选的外部 VC 引脚:快速瞬态响应
● 1 A 时效率为 94.1%,2MHz 时可从 12 VIN 提供 5 VOUT
● 快速最短开关接通时间:30 ns
● 可调并且可同步:300 kHz 至 3 MHz
● 具备快速内部补偿功能的内部 2 MHz fSW
ADI应力测试应用方案可以帮助客户进行高效的电阻应变测试,是进行测量惠斯通电桥的理想选择,ADI还提供灵活丰富的产品方案满足客户个性化需求,其授权代理商Excelpoint世健能为客户提供技术支持,有助于客户缩短产品开发周期,加快产品应用部署。
(来源:世?。?/p>
免责声明:本文为转载文章,转载此文目的在于传递更多信息,版权归原作者所有。本文所用视频、图片、文字如涉及作品版权问题,请联系小编进行处理。
推荐阅读:



