【导读】CAN总线通讯已经从汽车电子行业逐渐向各行各业铺开使用了,例如轨道交通、矿井监控等。在设计CAN总线接口电路时需要注意哪些问题呢?
对于提高CAN总线节点的可靠性而言,离不开隔离、总线阻抗匹配、总线?;さ?,在设计CAN节点时要注意这些点以提高总线电路可靠性和安全性。
一、隔离
信号隔离
隔离收发器可将总线和控制电路进行电气隔离,将高压阻挡在控制系统之外,可以有效地保证操作人员的人身及系统安全。不仅如此,隔离可以抑制由接地电势差、接地环路引起的各种共模干扰,保证总线在严重干扰和其它系统级噪声存在的情况下不间断、无差错运行。如图 1所示,使用隔离收发器后,可以有效防止形成地环路,总线参考地可跟随共模电压的波动而波动,共模电压全部由隔离带承受,共模电压对总线信号变得不再可见,从而保证总线稳定可靠地通信。

CAN总线上建议使用磁隔离技术。磁隔离技术可靠性较高,磁耦消除了与光耦合器相关的不确定的电流传送比率、非线性传送特性以及随时间漂移和随温度漂移问题;磁耦均带有25KV/us的瞬态共模抑制能力,且能够在电压差峰值560V的环境下正常工作。磁耦器件可提供5000Vrms/min及6000V/10sec的电压隔离?;?,多种型号的磁耦带有±15KV的ESD?;ぁ3な倜?。采用芯片级变压器技术传输信号,消除光耦传输时的器件损耗。器件内部基本不存在损耗,正常工作条件下至少达到50年工作寿命。低功耗。磁耦基于芯片级变压器传输原理,信号传输时几乎不存在能量损耗,因此能以极低的功耗实现高度的数据隔离。相同速率下,其功耗仅为光耦的1/10~1/6。
电源隔离
信号通道做隔离后,建议电源通道也做隔离,可直接采用带隔离的DC-DC隔离??槭迪?,如下图所示。

DC-DC隔离电源???/div>
二、阻抗匹配
电信号在在电缆上传输时,当阻抗不连续或者发生突变时,就会发生信号反射。反射的过程十分的复杂,甚至可能发生多次反射,反射的信号叠加在正常的信号上,引起电平变化,导致数据传输出现错误。为了消减这种信号反射的方法,我们是使传输电缆上的阻抗保持连续,但是电缆总是有终点的,终点的阻抗是突变的,为了使终点阻抗保持连续,CAN-Bus规定要在电缆两端接入匹配电阻。这个终端电阻的阻值一般选用120Ω。如图 3所示。

CAN总线终端电阻匹配
三、?;ご胧?/strong>
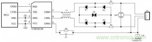
节点在户外等恶劣的现场环境时,容易遭受大能量的雷击,此时需要对CAN 信号端口添加更高等级的防护电路,保证节点不被损坏以及总线的可靠通讯。

CAN节点端口推荐电路
上图中除了右端的?;さ缏罚屑涫褂玫腃AN隔离收发器??椋媚?橹饕闪薈AN收发器、DC-DC电源??椤⑿藕鸥衾氲缏啡糠值缏?,打包封装成一个独立的???,可大大简化CAN硬件设定的难度,降低开发时间成本。

CTM1051CAN隔离收发???/div>
特别推荐
- 强强联手!贸泽电子携手ATI,为自动化产线注入核心部件
- 瞄准精准医疗,Nordic新型芯片让可穿戴医疗设备设计更自由
- 信号切换全能手:Pickering 125系列提供了从直流到射频的完整舌簧继电器解决方案
- 射频供电新突破:Flex发布两款高效DC/DC转换器,专攻微波与通信应用
- 电源架构革新:多通道PMIC并联实现大电流输出的设计秘籍
技术文章更多>>
- 解决 Qt 应用启动阻塞问题:systemd 服务配置全解析
- 嘉立创ECAD软件上线,构筑国产工业软件新底座
- 如何利用双MCU发挥GMSL在车载系统中的全部潜能?
- 特瑞仕半导体株式会社发布XC9711 系列新品降压 DC/DC 转换器
- 如何利用现有开关稳压器实现电压反相?
技术白皮书下载更多>>
- 车规与基于V2X的车辆协同主动避撞技术展望
- 数字隔离助力新能源汽车安全隔离的新挑战
- 汽车??榕赘涸氐慕饩龇桨?/a>
- 车用连接器的安全创新应用
- Melexis Actuators Business Unit
- Position / Current Sensors - Triaxis Hall
热门搜索





