【导读】本文所要设计的系统是基于8051单片机的,由8051单片机、交通灯显示、LED倒计时、车流量检测及调整、违规检测、紧急处理、时间模式手动设置等??樽槌伞>杓频魇院?,系统能够简单有效地疏导交通,提高道路的疏通能力。
系统除基本交通灯功能外,还具有通行时间手动设置、可倒计时显示、急车强行通过、车流量检测及调整、交通异常状况判别及处理等相关功能。
本设计主要做了如下几方面的工作:一是确定系统交通控制的总体设计,包括,十字路口具体的通行禁行方案设计以及系统应拥有的各项功能,二是进行传感器的硬件电路、显示电路等的设计和基本功能要求。

图1:智能交通控制系统信号灯连接


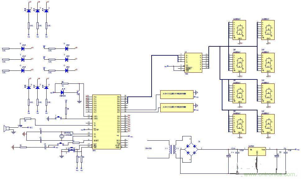
图2:智能交通控制系统总体设计电路图





