- 自动洗衣机的洗衣程序设计
- 洗衣机控制器的硬件组成原理
- 程序:洗涤—脱水—脱水—漂洗—脱水—漂洗—脱水
- 硬件:单片机Z86C09、电源、过零检测、键盘和显示、双向晶闸管触发电路
全自动洗衣机就是将洗衣的全过程(泡浸-洗涤-漂洗-脱水)预先设定好N个程序,洗衣时选择其中一个程序,打开水龙头和启动洗衣机开关后洗衣的全过程就会自动完成,洗衣完成时由蜂鸣器发出响声。
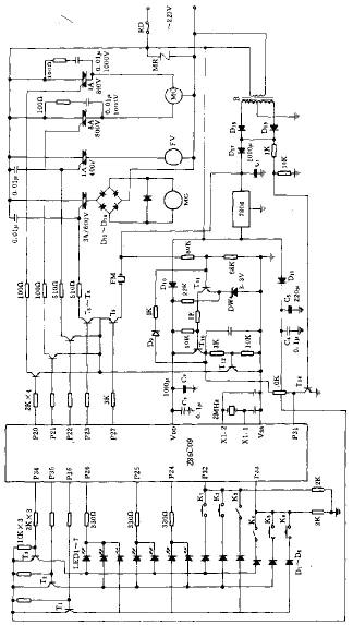
全自动洗衣机由洗衣系统和控制电路组成。其控制电路分为机械和电脑型,电脑型控制电路是以单片机作为控制电路的核心。图1给出单片机Z86C09组成的全自动洗衣机的控制电路。
Ⅰ.自动洗衣机的洗衣程序
洗衣机面板上有4个按钮K1、K2、K5和K6。
K1用于水流选择,分两档:普通水流与柔和水流;
K2用于洗衣周期选择,可以选择洗涤、漂洗和脱水三个过程;
K5是暂???;
K6是洗衣程序选择键。洗衣程序分为标准程序和经济程序。
洗衣机的标准洗衣程序是:洗涤——脱水——脱水——漂洗——脱水——漂洗——脱水。经济洗衣程序少一次漂洗和脱水过程。
1.涤过程
通电后,洗衣机进入暂停状态,以便放好衣物。若不选择洗衣周期,则洗衣机从洗涤过程开始。当按暂停开关键K5时,进入洗涤过程。首先进水阀FV通电,打开进水开关,向洗衣杨供水;当到达预定水位时,水位开关K4接通,进水阀断电关闭,停止进水;电机MO接通电源,带动波轮旋转,形成洗衣水流。电机MO是一个正反转电机,可以形成往返水流,有利于洗涤衣物。
2.脱水过程
洗涤或漂洗过程结束后,电机MO停止转动,排水阀MG通电,开始排水。排水阀动作时,带动离合器动作,使电机可以带动内桶转动。当水位低到一定值时,水位开关K4断开,再经过一段时间后,电机开始正转,带动内桶高速旋转,甩干衣物。
3.漂洗过程
与洗涤过程操作相同,只是时间短一些。
全部洗衣工作完成后,由蜂鸣器发出音响,表示衣物已洗干净。
Ⅱ.洗衣机控制器的硬件组成原理
洗衣机控制器由单片机Z86C09作为控制器的核心所构成,该控制器具有以下特点:
(1)具有较强的抗干扰能力,当受到外部强干扰,程序出错时,可以自动使系统复位重新执行程序。
(2)采用无噪声、无电磁干扰的双向晶闸管作为控制元件,控制电磁阀和电机。
(3)具有欠压和过压?;ぃ费故?,控制器不工作;超压时,?;さ缏菲鹱饔谩?br /> (4)具有瞬间掉电?;すδ?,电源短时间停电后,电压恢复时,能够维持原运行程序的工作状态并继续完成洗衣程序。
(5)各种操作和洗衣机的运行状态均用LED显示。
下面分别介绍各部分的特点及组成原理。
1.单片机Z86C09
Z86C09是Z8系列单片机中最简单的一种,成本较低。采用COMS结构,具有耗电少、抗干扰力强和工作电压宽等特点,可在2.5~5.5V的电压范围内工作。Z86C09有14条I/O线,P2.0~P2.7是双向I/O口,可以按位设置输入或输出。P3口中P3.1~3.3规定为输入口,可作为输入端或中断请求端。P3.4~P3.6规定为输出口。Z86C09内部含有2个多功能定时/计数器,2K字节的ROM和144字节的寄存器阵列。
2.电源电路部分
控制器的电源由变压器B、整流二极管D14~D19、滤波电容C1和稳压集成电路7806组成。7806输出的电压分三路分别用于晶闸管触发,提供键盘输入和LED显示,以及提供单片机的电源。后两路各经过一个二极管和一个电容,当7806的输出电压下降时,还可以依靠电容保持的能量,维持电路再工作一段时间。
晶体管T11、T10和稳压管DW组成欠压?;さ缏贰5钡缭吹缪共蛔?,T11的基极电压小于3.9V时,T11截止,T10也截止。Z86C09的P3.1端没有电压,常为低电平。T12截止,造成T5~T9的发射极均悬空,因此T5~T9截止,不受Z86C09控制。这时,虽然Z86C09能够正常工作,但外围控制元件全部关断,洗衣机不工作。单片机的P3.1端输入判别欠压保护电路工作状态的信号,只有当电压正常后,单片机才开始执行洗衣程序。
当电源电压超过使用电压时,压敏电阻MR的阻值会突然变小,使电压不能超过保护电压值,当过压时间较长时,则会烧断保险丝RD。
[page]
3.过零检测电路
过零检测电路由晶体管T14,变压器B和二极管D17~D19组成。D17起隔离作用,在电压为零时,脉动电压为零,T14截止。由于T14的集电极电阻接到T10的集电极,只有在T10导通,即电源电压正常,T14才能在电源电压过零时输出高电平。Z86C09的P3.1端检测过零信号。
4.键盘和显示电路
键盘由K1~K6组成,其中K3、K4是检测开关,按键状态的检测采用扫描方法,由单片机的P3.4~P3.6输出扫描信号,使晶体管T1~T3轮流导通,T1~T3输出的高电平通过二极管D1~D6后扫描每个键。6个键分为两组,按键信号由P3.2和P3.3输入。P3.2和P3.3常态为低电平,当按下某一键,并且高电平扫描到这个键时,P3.2或P3.3输入才变为高电平。Z86C09检测到这个高电平,再根据当前扫描到哪一位,即可判别出哪个键按下,D1~D6的作用是防止多个键同时按下时,对三条扫描线产生的短路。
显示电路由LED1~LED7组成。显示方式采用动态扫描方式,列扫帚信号线与行扫帚线共用,行显示信号直接由Z86C09的P2.4~P2.6驱动。由于LED要求的亮度不,所以驱动电流不大,约9mA。每个LED显示的时间是总的显示时间的1/3,平均电流约为3mA。
5.双向晶闸管触发电路
双向晶闸管采用直流触发,晶闸管的门极由晶体管T5~T8控制,晶体管导通时,触发双向晶闸管导通,第Ⅱ~Ⅲ象限触发,T5~T8的集电极电阻用于限流。由于1A和3A的双向晶闸管所需要的触发电流较小,容易受外界的干扰。为了提高系统的抗干扰能力,在1A和3A的双向晶闸管触发回路中各并联一个0.01uF的电容,抑制瞬时的干扰信号。两个8A的双向晶闸管用于控制电机MO正转和反转。这两个晶闸管在任何时候最多只允许一个导通,如果两个同时导通,则会损坏晶闸管。两个8A双向晶闸管的两个主电极上并联一个100Ω的电阻和0.01uF的电容组成阻容回路,用来吸收双向晶闸管两主电极之间的瞬时电压脉冲,?;に蚓д⒐?。
附:文中的单片机也可采用AT89S51等来构成。






