中心议题:
- MOSFET负载开关基本电路
- 负载开关的应用状况
解决方案:
- 在负载开关中增加过热关闭电路
- 在负载开关中增加限流电路
负载开关基本电路
功率MOSFET是一种具有良好开关特性的器件:导通时其导通电阻RDS(ON)很??;在关断时其漏电流IDSS很小。另外,它的耐压范围很宽,从几十V到几百V,漏极电源范围宽,从几A到几十A,所以非常适合作负载开关。
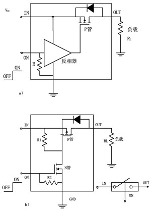
N沟道MOSFET可以组成最简单的负载开关,如图1所示。负载接在电源与漏极之间(负载可以是直流电动机、散热风扇、大功率LED、白炽灯泡或螺管线圈等)。在其栅极上加一个逻辑高电平,则N-MOSFET导通,负载得电;在其栅极加一个逻辑低电平,则N-MOSFET关断,负载失电。

图1用MOSFET组成的负载开关
从图1可以看出,负载开关接是在电源与负载之间,用逻辑电平来控制通、断,使负载得电或失电的功率器件。由于开关在负载的下边,一般称为低端负载开关。
如果负载是一个要求接地的电路(如功率放大电路、发射电路或接收电路等),则低端负载开关不能用,要采用高端负载开关。高端负载开关主要由P沟道MOSFET组成,如图2所示。图2(a)是由一个P-MOSFET与一个反相器组成的,图2(b)是由一个P-MOSFET与一个N-MOSFET组成的??卦诟涸氐纳厦?,称高端负载开关。

图2高端负载开关
以图2(a)来说明其工作原理。在反相器输入端输入逻辑高电平时,其输出端为低电平,反相器的输出端与P-MOSFET的栅极连接,则使-VGS≈VIN,P-MOSFET导通,负载得电;若反相器输入端输入逻辑低电平,反相器输出高电平,则使其-VGS≈0V,P-MOSFET关断,负载失电。一般在输入端往往接一下拉电阻,其目的是使负载开关在无控制信号输入时处于可靠的关断状态。
图2(b)的工作原理与图2(a)相同,读者可自行分析。

图3负载开关接负载电路
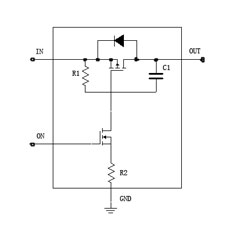
如果在负载开关与负载之间接了一个大容量电容,如图3所示。当这电容的等效串联电阻非常小时,在负载开关导通的瞬间,有较大的瞬态电流(冲击电流,如图3右图所示)流过开关管。为减小冲击电流,在负载开关中增加了C1及R2,如图4所示。当负载开关在导通后的瞬间,输入电压经P管后加在C1及R2上(Q1的导通电阻略而不计),其电压主要降在R2上,减小了-VGS,减小ID电流,即减小冲击电流。C1≤1000pF,R1=10~47kΩ,R2=1~4.7kΩ。[page]

图4负载开关基本电路
图2、图4是负载开关的基本电路。由于电路十分简单,可以由分立元件组成,但目前有现成的集成电路,使应用更方便,占PCB面积也更小。
负载开关的发展从负载开关基本电路来看,其特点是结构简单,缺点是缺少过热?;ぃǜ涸赜芯植慷搪坊蚴涑鲇卸搪罚T谟卸搪肥辈唤龈涸?、负载开关损坏,并且由于电源过载关断会使整个装置、系统不能正常工作。因此近年来,人们根据负载开关的应用状况作了不少的改进,改善了性能、提高了工作可靠性、增加了功能。
1在安全?;し矫?/strong>
①在负载开关中增加过热关闭电路。如果有发生负载局部短路或短路情况时,使负载开关的管芯温度超过过热阈值温度(如125℃),则过热关闭电路起作用将负载开关切断。不仅阻止了负载更大的损坏,也使电源不因负载短路而影响向其他电路供电。在过热故障发生时,负载开关还输出故障信号(给微处理器μP)以告知故障的存在。另外还有输入欠压锁存保护功能。
②在负载开关中增加限流电路。负载开关中没电流检测及限流输出电路。它有两种结构:限制电流值是工厂设定的;限制电流可由用户外设一个电阻设定。发生过流状态时,负载开关输出故障信号。
具有限流输出的负载开关,不仅提高了工作的可靠性及安全性,并且这种负载开关还可以用作功率分配开关、热插拔插座、USB端口。有的负载开关在过流时便输出锁存(无输出),则这种负载开关可看作“电子保险丝”在排除过流故障后,重新启动后可正常工作。有的负载开关在过流时,以限制的电流(恒流)继续给负载供电。
2在开关性能方面
随着半导体工艺技术的进步,单个分立器件MOSFET的导通电阻逐年下降,导通电阻小的可做到几mΩ。集成负载开关中的MOSFET导通电阻稍大,目前可做到几十mΩ左右。为了改善开关的性能,使开关慢启动(慢启动是指开关接通时,其电压上升率是一个斜坡,防止有过大的冲击电流)、快关断。
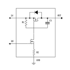
电压上升的斜率有几种:由工厂设定几种斜率(启动时间不同),供用户选择;由用户在器件外设一电容,设定其启动时间。为了快速关断开关,在负载开关中设有关断时输出有放电电路,如图5所示。在负载开关关断时,N-MOSFET导通,电容往N管放电,加速关断时间。

图5负载开关中的输出有效放电电路
3其他方面
为了适应便携式电子产品对负载开关的应用需要,在以下几方面作了改进:工作电压适合电池供电电压,一般为1.8~5.5V或1.2~5.5V;为满足更低的电压,最低输入电压为0.8V;减少静态电流,一般为几μA(静态电流大小与负载开关内部的电路负载程度有关),典型值为1μA。
个别较简单的负载开关,其静态电流IQ=25μA;输出电流一般0.2~6A,可满足各种便携式的要求;为满足便携式体积小的要求,负载开关采用小尺寸封装,一般采用SOT-23封装、2mm×2mm的MLP或MLF封装、SC-70封装,最小的采用6焊球BGA封装,其封装尺寸仅为1.5mm×1.0mm;在电源关断时,无反向电流。
应用流域的扩展负载开关是一种通用功率开关器件,过去主要应用于工业控制及汽车工业等。近年来,随着便携式电子产品的发展,如PDA、手机、数码相机等纤巧产品大量上市,为了节省电能,除了应用高效率的电源管理IC外,还需要多个负载开关,并由微处理器进行控制组成负载管理(在不同的工作状态时,给有用的负载供电,将不用的负载统统关断)。
图6就是一种负载管理的结构示意图。在图中,电源管理IC有5路输出(3路DC/DC转换器、2路LDO)。DC/DC1的输出供3个并联的负载1~负载3。为了控制负载1~3的通电或断电,在DC/DC1与3个负载之间加接了3个负载开关(负载开关1~3),其控制端接微处理器I/O口,由微处理器控制其通、断来实现负载管理。[page]

图6负载管理结构拓扑
负载开关增加电流限制功能后,可用作计算机外设供电端口(USB),并且可做成热插拔电源插座,也可做成功率分配开关。

图7输出限制电流可调节的USB端口电路
图7是一种输出限制电流可调节的USB端口电路。该电路由MIC2008作功率分配开关,由USB控制器对功率分配开关实现控制。限定的电流由外设电阻R来设定(限制电流范围为0.2~2.0A)。该功率分配开关的输出电压上升率(启动时间)可由外设电容C来设定,内部有过热?;ぜ笆淙氲缪构褪笔涑鏊姹;?。
典型负载开关简介近年来,FAIRCHILD公司、ANALOGICTECH公司、MICREL公司等相继开发出多种新型负载开关。由于这些负载开关功能较全,所以被称为“全接触”或“智能开关”。这里简单地介绍FAIRCHILD公司的FPF2163/4/5及ANALOGICTECH公司的AAT4297负载开关。
1FPF2163/4/5系列FPF2163/4/5系列负载开关是一种输出电流可设定的多功能负载开关。该系列主要特点:输入电压1.8~5.5V;限定电流可设定范围为0.15~1.5A;输入电压低于阈值电压时,输出锁存(UVLO);有过热关闭;静态电流最大值为77μA(典型值),开关关断时耗电小于2μA;发生欠压锁存、过热、过流故障时,有故障信号输出;开关关断时无反向电流;小尺寸FET-6封装(2mm×2mm);工作温度上有一些差别,如表1所示。用户可根据产品的要求选择。

该系列负载开关主要用于PDA、手机、GPS、MP3播放器、数码相机、外设端口及热插拔电源等。FPF2164可用作“电子保险丝”。

图8FPF2163/4/5引脚排列
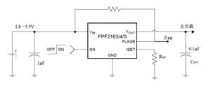
该系列引脚排列如图8所示,其典型应用电路如图9所示。

图9FPF2163/4/5典型应用电路
在图9中,输入电容CIN为1μF,输出电容COUT为0.1μF,10kΩ为故障信号输出的上拉电阻(内部为开漏输出结构),RSET为限流设定电阻,设定的限流电流ILIM与RSET的关系为:RSET=275.6/ILIM
式中,RSET的单位为Ω,ILIM的单位为A。设定的限制电流有一定的允差,允差范围为±25%。在ON端加逻辑高电平(VIN=1.8V时>0.8V,VIN=5.5V时>1.4V)时开关导通;在ON端加逻辑低电平(VIN=1.8V时<0.5V,VIN=5.5V时<1V)时,开关关断。
2AAT4297AAT4297是一种用于手机控制LED的负载开关。在手机中有不少LED,它们用作单色或彩色LCD显示屏的背光照明、键盘的照明及相机的LED闪光灯。有一些双显示屏的副屏及键盘的背光可以改变其颜色以满足客户的不同喜爱。这一些LED的不同工作状态可采用一种新型控制LED的负载开关进行管理,这就是AAT4297。它除用于手机外,还可以用于多路小功率负载开关、个人通信装置及其他便携式电子产品的负载管理。
该器件主要特点:输入电压范围为1.8~5.5V;内部有6个低端N沟通MOSFET开关,每个开关都是独立的;可采用单个串行控制线(S2C线)对各个开关实现通、断控制;静态电流少,典型值为3μA;每个开关可驱动208mA;无须其他外围元件;12引脚TSOP封装;工作温度范围-40~+85℃。

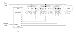
图10AAT4297的引脚框图
该器件的结构框图如图10所示。EN/SET为使能/开关选择端,与μP的串行口连接,输入6位数字信号(000000~111111)后置高电平,可实现6个开关64种不同的通、断状态。VCC输入1.8~5.5V电压,S1~S6为各开关的漏极(开漏输出结构),外接LED负载。如果输入6位数字信号都是1后置高,外接6个LED(LED1~LED6)都亮;若输入的数字信号是010011,则LED1、LED3、LED4灭,LED5、LED6亮,当EN/SET端入信号由高电平变成低电平时,则所有亮的LED都灭。

图11AAT4297典型应用电路
其典型应用电路如图11所示。S1~S3接三基色(RGB)LED,RR、RG、RB、为各色LED的限流电阻。利用红、绿、蓝三种不同发光颜色的组合,可以产生7种不同的颜色。例如,红、绿、蓝三种LED以一定的发光强度亮时,可产生白光;红、绿两LED亮时可产生橙色光。
如果有需要也可并接多个RGBLED。S4接D1~D4白光LED,它用作彩色主显示屏背光照明,S6接闪光灯LED,作相机闪光灯用。根据手机的不同工作状态,由μP向EW/SET输入不同的数字信号,可实现LED的负载管理。数字信号的频率可高达1MHz。利用输入EN/SET信号使LED亮的时间与灭的时间交替进行,改变亮、灭的时间,可以实现LED亮度调节。
从图11看出,仅用μP一条串行控制线就可以对所有LED负载实现管理,并可改变背光颜色及调节亮度,这个LED负载开关器件的功能及性能是很不错的,它是时尚手机中常用的负载管理IC。


